产品分类
- 深沟球轴承
- 角接触球轴承
- 超高精密轴承
- 精密角接触球轴承
- 标准型
- 标准密封型-S
- 陶瓷球标准型-C
- 陶瓷球密封型-CS
- 高速小球型-HS
- 小球密封型-HSS
- 陶瓷小球型-HC
- 陶瓷小球密封型-HCS
- 超高速陶瓷球型-XC
- 超高速陶瓷球密封型-XCS
- 超高速小球型-XS
- 超高速小球密封型-XSS
- 油气润滑-标准钢球型
- 油气润滑-标准陶瓷球型
- 油气润滑-高速小球型
- 油气润滑-高速陶瓷球型
- 油气润滑-超高速小球型
- 油气润滑-超高速陶瓷球型
- 精密丝杠轴承
- 精密圆柱滚子轴承
- 调心球轴承
- 推力轴承
- 圆柱滚子轴承
- 圆锥滚子轴承
- 调心滚子轴承
- 交叉滚子轴承
- 超薄截面轴承
- 滚针轴承
- 滚轮轴承
- 关节轴承
- 直线运动
- 轴承附件

HSS7911ETP4DU轴承
类型:【超高精密轴承 - 精密角接触球轴承】
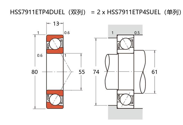
基本尺寸:内径:55 mm,外径:80 mm,厚度:26 mm。
价格区间:¥3635.38 - ¥4180.69【详情】
前缀列表:【H:高转速】【S:小球】【S:密封型】后缀列表:【E:接触角 25°】【T:聚酰胺保持架】【P4:P4 级精度】【DU:两个万能组合】
HSS7911ETP4DU为超高精密角接触球轴承,内径55毫米,外径80毫米,厚度26毫米。该型号采用小球密封结构,适用于高速运转及高精度定位场合。其设计兼顾刚性与旋转灵活性,有助于减少摩擦损耗并维持稳定的温升特性。在中等以上载荷条件下,该轴承能保持较低的振动水平,提升运行平稳性。
密封结构可有效阻隔污染物侵入,延长使用寿命,同时降低润滑剂泄漏风险。此类轴承通常应用于中小型机床主轴、精密传动系统及测量仪器等对回转精度有严格要求的设备中。合理的预紧设计和材料选择使其在长期连续工作状态下仍具备可靠的尺寸稳定性。
根据不同工况需求,可调整配合公差与润滑方式以优化性能表现。建议在安装与维护过程中遵循技术规范,确保轴承性能得到充分发挥。
H
S
S
7
9
1
1
E
T
P
4
D
U
H:高转速
S:小球
S:密封型
7:精密角接触球轴承
9:尺寸系列:超轻 19 系列
11:内径:55 mm
E:接触角 25°
T:聚酰胺保持架
P4:P4 级精度
DU:两个万能组合
H:
高转速
S:
小球
S:
密封型
7:
精密角接触球轴承
9:
尺寸系列:超轻 19 系列
11:
内径:55 mm
E:
接触角 25°
T:
聚酰胺保持架
P4:
P4 级精度
DU:
两个万能组合
公称型号 | ||
高速小球密封型 | HSS7911ETP4DU | |
主要尺寸(mm) | ||
内径 | d | 55 |
外径 | D | 80 |
厚度(单列) | B | 13 |
厚度(多列) | T | 26 |
倒角尺寸 | r(min) | 1 |
倒角尺寸 | r1(min) | 0.6 |
额定载荷(KN) | ||
基本额定动载荷 | Cr | 27.6 |
基本额定静载荷 | C0r | 21.8 |
极限载荷(KN) | ||
轴向-单个 | 16.1 | |
接触角 | ||
度 | ° | 25 |
系数 | ||
fo | - | |
作用点(mm) | ||
a | 22.2 | |
限制速度(rpm) | ||
脂润滑 | Grease | 19200 |
油润滑 | Oil | - |
安装尺寸(mm) | ||
da(min) | 61 | |
Da(max) | 74 | |
Db(max) | 75 | |
ra(max) | 1 | |
rb(max) | 0.5 | |
预紧力(N)-DU/DB/DF | ||
微预紧 | EL | 49 |
轻预紧 | L | 264 |
中预紧 | M | 538 |
重预紧 | H | - |
轴承刚度(N/μm)-DU/DB/DF | ||
微预紧 | EL | 76 |
轻预紧 | L | 136 |
中预紧 | M | 176 |
重预紧 | H | - |
测量轴向游隙(μm) | ||
微预紧 | EL | 0 |
轻预紧 | L | -8 |
中预紧 | M | -15 |
重预紧 | H | - |
轴承组合 | ||
方式 | 万能 | |
列数 | 2 | |
重量(Kg) | ||
0.356 |

商品 | 品牌 | 主要尺寸 | 发货仓 | 产地 | 库存 | 含税单价 | VIP价 | 操作 |
FAG HSS71911-E-T-P4S-DUL轴承 超精密角接触球轴承 |
FAG | 55 X 80 X 26 | 海外 | 6 | 4180.69 | ¥3635.38 | ||