- 深沟球轴承
- 角接触球轴承
- 超高精密轴承
- 精密角接触球轴承
- 标准型
- 标准密封型-S
- 陶瓷球标准型-C
- 陶瓷球密封型-CS
- 高速小球型-HS
- 小球密封型-HSS
- 陶瓷小球型-HC
- 陶瓷小球密封型-HCS
- 超高速陶瓷球型-XC
- 超高速陶瓷球密封型-XCS
- 超高速小球型-XS
- 超高速小球密封型-XSS
- 油气润滑-标准钢球型
- 油气润滑-标准陶瓷球型
- 油气润滑-高速小球型
- 油气润滑-高速陶瓷球型
- 油气润滑-超高速小球型
- 油气润滑-超高速陶瓷球型
- 精密丝杠轴承
- 精密圆柱滚子轴承
- 调心球轴承
- 推力轴承
- 圆柱滚子轴承
- 圆锥滚子轴承
- 调心滚子轴承
- 交叉滚子轴承
- 超薄截面轴承
- 滚针轴承
- 滚轮轴承
- 关节轴承
- 直线运动
- 轴承附件

HSS7900CTP4DU轴承
类型:【超高精密轴承 - 精密角接触球轴承】
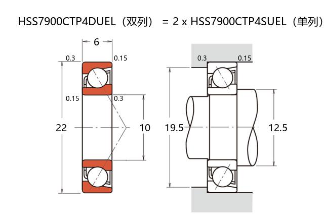
基本尺寸:内径:10 mm,外径:22 mm,厚度:12 mm。
价格区间:¥0 - ¥0【详情】
前缀列表:【H:高转速】【S:小球】【S:密封型】后缀列表:【C:15° 接触角】【T:聚酰胺保持架】【P4:P4 级精度】【DU:两个万能组合】
HSS7900CTP4DU属于超高精密角接触球轴承系列,其结构设计主要针对高转速和高精度应用场景。该型号轴承的基本尺寸为内径10毫米、外径22毫米、厚度12毫米,若换算为英制尺寸约相当于内径0.3937英寸、外径0.8661英寸、厚度0.4724英寸。
此类轴承采用小球密封型结构,通过优化钢球与沟道的配合精度,有效控制运转过程中的振动与噪音。接触角设计使其能够同时承受径向和轴向载荷,尤其适用于轴向负载较高的工况。密封结构可减少润滑脂泄漏并阻挡外部污染物侵入,有助于维持长期运行的稳定性。
在材料与工艺方面,轴承组件经过特殊热处理和超精加工,显著提升了疲劳寿命和尺寸稳定性。精度等级达到P4级标准,能够满足精密机床主轴、高速电主轴及测量仪器等设备对旋转精度的严苛要求。由于采用接触式密封设计,在高速运转时需注意温升控制,并根据实际工况选择合适的润滑方案。
该系列轴承的安装需遵循精密轴承的装配规范,通过预紧力调整可进一步优化系统的刚性表现。其应用领域还包括高速机器人关节、精密传动系统等对空间限制和动态性能有较高要求的场合。
公称型号 | ||
高速小球密封型 | HSS7900CTP4DU | |
主要尺寸(mm) | ||
内径 | d | 10 |
外径 | D | 22 |
厚度(单列) | B | 6 |
厚度(多列) | T | 12 |
倒角尺寸 | r(min) | 0.3 |
倒角尺寸 | r1(min) | 0.15 |
额定载荷(KN) | ||
基本额定动载荷 | Cr | 3.56 |
基本额定静载荷 | C0r | 1.43 |
极限载荷(KN) | ||
轴向-单个 | 0.855 | |
接触角 | ||
度 | ° | 15 |
系数 | ||
fo | 7.4 | |
作用点(mm) | ||
a | 5.1 | |
限制速度(rpm) | ||
脂润滑 | Grease | 100000 |
油润滑 | Oil | - |
安装尺寸(mm) | ||
da(min) | 12.5 | |
Da(max) | 19.5 | |
Db(max) | 20.8 | |
ra(max) | 0.3 | |
rb(max) | 0.15 | |
预紧力(N)-DU/DB/DF | ||
微预紧 | EL | 5.9 |
轻预紧 | L | 14 |
中预紧 | M | 21 |
重预紧 | H | - |
轴承刚度(N/μm)-DU/DB/DF | ||
微预紧 | EL | 8.9 |
轻预紧 | L | 12 |
中预紧 | M | 15 |
重预紧 | H | - |
测量轴向游隙(μm) | ||
微预紧 | EL | 6 |
轻预紧 | L | 3 |
中预紧 | M | 1 |
重预紧 | H | - |
轴承组合 | ||
方式 | 万能 | |
列数 | 2 | |
重量(Kg) | ||
0.022 |

商品 | 品牌 | 主要尺寸 | 发货仓 | 产地 | 库存 | 含税单价 | VIP价 | 操作 |