产品分类
- 深沟球轴承
- 角接触球轴承
- 超高精密轴承
- 精密角接触球轴承
- 标准型
- 标准密封型-S
- 陶瓷球标准型-C
- 陶瓷球密封型-CS
- 高速小球型-HS
- 小球密封型-HSS
- 陶瓷小球型-HC
- 陶瓷小球密封型-HCS
- 超高速陶瓷球型-XC
- 超高速陶瓷球密封型-XCS
- 超高速小球型-XS
- 超高速小球密封型-XSS
- 油气润滑-标准钢球型
- 油气润滑-标准陶瓷球型
- 油气润滑-高速小球型
- 油气润滑-高速陶瓷球型
- 油气润滑-超高速小球型
- 油气润滑-超高速陶瓷球型
- 精密丝杠轴承
- 精密圆柱滚子轴承
- 调心球轴承
- 推力轴承
- 圆柱滚子轴承
- 圆锥滚子轴承
- 调心滚子轴承
- 交叉滚子轴承
- 超薄截面轴承
- 滚针轴承
- 滚轮轴承
- 关节轴承
- 直线运动
- 轴承附件

HSS72911ETP4DU轴承
类型:【超高精密轴承 - 精密角接触球轴承】
基本尺寸:内径:55 mm,外径:80 mm,厚度:32 mm。
价格区间:¥0 - ¥0【详情】
前缀列表:【H:高转速】【S:小球】【S:密封型】后缀列表:【E:接触角 25°】【T:聚酰胺保持架】【P4:P4 级精度】【DU:两个万能组合】
HSS72911ETP4DU属于超高精密角接触球轴承系列。其基本尺寸设计为内径55毫米,外径80毫米,厚度32毫米,这一规格便于适配多种精密机械结构需求。该轴承采用小球密封型构造,有效提升内部润滑保持能力并减少污染物侵入,适合对清洁度有较高要求的工作环境。
在材料与工艺方面,轴承选用优质钢材,经过特殊热处理工艺增强整体强度和耐磨性。其接触角设计可同时承受径向和轴向载荷,尤其适合高速运转条件,常见应用包括精密机床主轴、电主轴及高转速传动系统。密封结构有助于延长润滑周期并提升使用寿命,同时降低维护需求。
综合来看,这一型号在高精度旋转系统中表现稳定,其密封特性与精密等级能够满足多种工业场景对可靠性和精度的要求。
H
S
S
7
2
9
1
1
E
T
P
4
D
U
H:高转速
S:小球
S:密封型
7:精密角接触球轴承
2:宽度系列:宽型 2 系列
9:直径系列:超轻 19 系列
11:内径:55 mm
E:接触角 25°
T:聚酰胺保持架
P4:P4 级精度
DU:两个万能组合
H:
高转速
S:
小球
S:
密封型
7:
精密角接触球轴承
2:
宽度系列:宽型 2 系列
9:
直径系列:超轻 19 系列
11:
内径:55 mm
E:
接触角 25°
T:
聚酰胺保持架
P4:
P4 级精度
DU:
两个万能组合
公称型号 | ||
高速小球密封型 | HSS72911ETP4DU | |
主要尺寸(mm) | ||
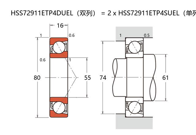
内径 | d | 55 |
外径 | D | 80 |
厚度(单列) | B | 16 |
厚度(多列) | T | 32 |
倒角尺寸 | r(min) | 1 |
倒角尺寸 | r1(min) | 0.6 |
额定载荷(KN) | ||
基本额定动载荷 | Cr | 27.6 |
基本额定静载荷 | C0r | 21.8 |
极限载荷(KN) | ||
轴向-单个 | 16.1 | |
接触角 | ||
度 | ° | 25 |
系数 | ||
fo | - | |
作用点(mm) | ||
a | 23.7 | |
限制速度(rpm) | ||
脂润滑 | Grease | 19200 |
油润滑 | Oil | - |
安装尺寸(mm) | ||
da(min) | 61 | |
Da(max) | 74 | |
Db(max) | 75 | |
ra(max) | 1 | |
rb(max) | 0.5 | |
预紧力(N)-DU/DB/DF | ||
微预紧 | EL | 49 |
轻预紧 | L | 264 |
中预紧 | M | 538 |
重预紧 | H | - |
轴承刚度(N/μm)-DU/DB/DF | ||
微预紧 | EL | 76 |
轻预紧 | L | 136 |
中预紧 | M | 176 |
重预紧 | H | - |
测量轴向游隙(μm) | ||
微预紧 | EL | 0 |
轻预紧 | L | -8 |
中预紧 | M | -15 |
重预紧 | H | - |
轴承组合 | ||
方式 | 万能 | |
列数 | 2 | |
重量(Kg) | ||
0.426 |

商品 | 品牌 | 主要尺寸 | 发货仓 | 产地 | 库存 | 含税单价 | VIP价 | 操作 |