产品分类
- 深沟球轴承
- 角接触球轴承
- 超高精密轴承
- 精密角接触球轴承
- 标准型
- 标准密封型-S
- 陶瓷球标准型-C
- 陶瓷球密封型-CS
- 高速小球型-HS
- 小球密封型-HSS
- 陶瓷小球型-HC
- 陶瓷小球密封型-HCS
- 超高速陶瓷球型-XC
- 超高速陶瓷球密封型-XCS
- 超高速小球型-XS
- 超高速小球密封型-XSS
- 油气润滑-标准钢球型
- 油气润滑-标准陶瓷球型
- 油气润滑-高速小球型
- 油气润滑-高速陶瓷球型
- 油气润滑-超高速小球型
- 油气润滑-超高速陶瓷球型
- 精密丝杠轴承
- 精密圆柱滚子轴承
- 调心球轴承
- 推力轴承
- 圆柱滚子轴承
- 圆锥滚子轴承
- 调心滚子轴承
- 交叉滚子轴承
- 超薄截面轴承
- 滚针轴承
- 滚轮轴承
- 关节轴承
- 直线运动
- 轴承附件

HSS72018ETP4DU轴承
类型:【超高精密轴承 - 精密角接触球轴承】
基本尺寸:内径:90 mm,外径:140 mm,厚度:60 mm。
价格区间:¥0 - ¥0【详情】
前缀列表:【H:高转速】【S:小球】【S:密封型】后缀列表:【E:接触角 25°】【T:聚酰胺保持架】【P4:P4 级精度】【DU:两个万能组合】
HSS72018ETP4DU属于超高精密角接触球轴承系列,其结构设计针对高速与高精度工况需求。该型号内径为90毫米,外径140毫米,厚度60毫米,尺寸规格在工业应用中具有较好的适配性。作为小球密封型产品,其内部采用优化的球体与沟道匹配设计,配合特殊的密封结构,可在保持运转精度的同时有效控制润滑剂流失并减少污染物侵入。
该轴承采用增强尼龙保持架与高品质陶瓷球组合,这种配置有助于降低高速运转时的离心力影响,减少摩擦温升。接触角设计使轴承能够同时承受径向与轴向复合载荷,特别适用于中等偏高速的旋转场景。在机床主轴、精密传动系统等设备中,该型号可提供稳定的轴向刚度和运行精度。
密封结构采用非接触式低摩擦设计,在保证防护性能的同时避免产生过高转矩。轴承在预填优质润滑脂状态下可直接安装使用,维护要求相对较低。这种轴承通常适用于中等载荷工况,其极限转速性能优于同尺寸标准轴承,但具体应用需结合实际工况参数进行综合评估。
H
S
S
7
2
0
1
8
E
T
P
4
D
U
H:高转速
S:小球
S:密封型
7:精密角接触球轴承
2:宽度系列:宽型 2 系列
0:直径系列:超轻 10 系列
18:内径:90 mm
E:接触角 25°
T:聚酰胺保持架
P4:P4 级精度
DU:两个万能组合
H:
高转速
S:
小球
S:
密封型
7:
精密角接触球轴承
2:
宽度系列:宽型 2 系列
0:
直径系列:超轻 10 系列
18:
内径:90 mm
E:
接触角 25°
T:
聚酰胺保持架
P4:
P4 级精度
DU:
两个万能组合
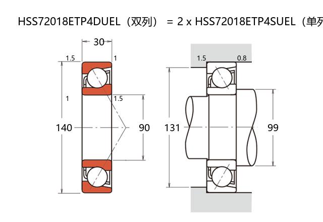
公称型号 | ||
高速小球密封型 | HSS72018ETP4DU | |
主要尺寸(mm) | ||
内径 | d | 90 |
外径 | D | 140 |
厚度(单列) | B | 30 |
厚度(多列) | T | 60 |
倒角尺寸 | r(min) | 1.5 |
倒角尺寸 | r1(min) | 1 |
额定载荷(KN) | ||
基本额定动载荷 | Cr | 67 |
基本额定静载荷 | C0r | 63 |
极限载荷(KN) | ||
轴向-单个 | 56 | |
接触角 | ||
度 | ° | 25 |
系数 | ||
fo | - | |
作用点(mm) | ||
a | 41.8 | |
限制速度(rpm) | ||
脂润滑 | Grease | 11300 |
油润滑 | Oil | - |
安装尺寸(mm) | ||
da(min) | 99 | |
Da(max) | 131 | |
Db(max) | 134 | |
ra(max) | 1.5 | |
rb(max) | 0.8 | |
预紧力(N)-DU/DB/DF | ||
微预紧 | EL | 98 |
轻预紧 | L | 653 |
中预紧 | M | 1339 |
重预紧 | H | - |
轴承刚度(N/μm)-DU/DB/DF | ||
微预紧 | EL | 124 |
轻预紧 | L | 238 |
中预紧 | M | 309 |
重预紧 | H | - |
测量轴向游隙(μm) | ||
微预紧 | EL | 0 |
轻预紧 | L | -12 |
中预紧 | M | -22 |
重预紧 | H | - |
轴承组合 | ||
方式 | 万能 | |
列数 | 2 | |
重量(Kg) | ||
3.04 |

商品 | 品牌 | 主要尺寸 | 发货仓 | 产地 | 库存 | 含税单价 | VIP价 | 操作 |