产品分类
- 深沟球轴承
- 角接触球轴承
- 超高精密轴承
- 精密角接触球轴承
- 标准型
- 标准密封型-S
- 陶瓷球标准型-C
- 陶瓷球密封型-CS
- 高速小球型-HS
- 小球密封型-HSS
- 陶瓷小球型-HC
- 陶瓷小球密封型-HCS
- 超高速陶瓷球型-XC
- 超高速陶瓷球密封型-XCS
- 超高速小球型-XS
- 超高速小球密封型-XSS
- 油气润滑-标准钢球型
- 油气润滑-标准陶瓷球型
- 油气润滑-高速小球型
- 油气润滑-高速陶瓷球型
- 油气润滑-超高速小球型
- 油气润滑-超高速陶瓷球型
- 精密丝杠轴承
- 精密圆柱滚子轴承
- 调心球轴承
- 推力轴承
- 圆柱滚子轴承
- 圆锥滚子轴承
- 调心滚子轴承
- 交叉滚子轴承
- 超薄截面轴承
- 滚针轴承
- 滚轮轴承
- 关节轴承
- 直线运动
- 轴承附件

HSS72016FTP4DU轴承
类型:【超高精密轴承 - 精密角接触球轴承】
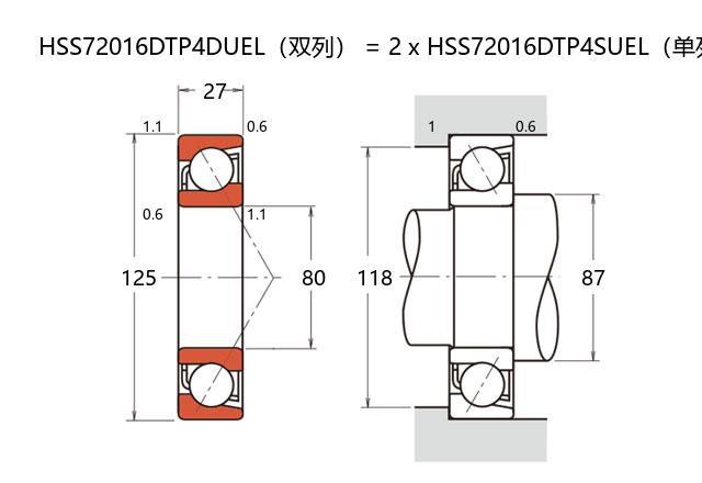
基本尺寸:内径:80 mm,外径:125 mm,厚度:54 mm。
价格区间:¥0 - ¥0【详情】
前缀列表:【H:高转速】【S:小球】【S:密封型】后缀列表:【F:18° 接触角】【T:聚酰胺保持架】【P4:P4 级精度】【DU:两个万能组合】
HSS72016FTP4DU轴承属于超高精密角接触球轴承系列,其结构设计针对高速高精度工况优化。该型号基本尺寸为内径80毫米、外径125毫米、厚度54毫米,尺寸规格在同类产品中具有典型性。
作为小球密封型精密轴承,该产品采用特殊的密封结构设计,可有效控制润滑剂泄漏并阻隔外部污染物。角接触结构使其能够同时承受径向和轴向载荷,接触角参数经过专门计算,在高速运转条件下仍能保持稳定的旋转精度。滚动体与滚道的配合经过精密加工,有助于降低运转振动噪声。
此类轴承常见于精密机床主轴、电主轴及高转速传动系统等场景。在合理安装与规范维护条件下,其密封特性能有效延长使用寿命。轴承内部填充的专用润滑剂可满足不同温度条件下的持续运转需求,保持架设计则进一步优化了高速工况下的动态性能。选型时需结合实际负载条件与速度范围进行综合评估。
H
S
S
7
2
0
1
6
F
T
P
4
D
U
H:高转速
S:小球
S:密封型
7:精密角接触球轴承
2:宽度系列:宽型 2 系列
0:直径系列:超轻 10 系列
16:内径:80 mm
F:18° 接触角
T:聚酰胺保持架
P4:P4 级精度
DU:两个万能组合
H:
高转速
S:
小球
S:
密封型
7:
精密角接触球轴承
2:
宽度系列:宽型 2 系列
0:
直径系列:超轻 10 系列
16:
内径:80 mm
F:
18° 接触角
T:
聚酰胺保持架
P4:
P4 级精度
DU:
两个万能组合
公称型号 | ||
高速小球密封型 | HSS72016FTP4DU | |
主要尺寸(mm) | ||
内径 | d | 80 |
外径 | D | 125 |
厚度(单列) | B | 27 |
厚度(多列) | T | 54 |
倒角尺寸 | r(min) | 1.1 |
倒角尺寸 | r1(min) | 0.6 |
额定载荷(KN) | ||
基本额定动载荷 | Cr | 53 |
基本额定静载荷 | C0r | 49 |
极限载荷(KN) | ||
轴向-单个 | 35.5 | |
接触角 | ||
度 | ° | 18 |
系数 | ||
fo | 10.9 | |
作用点(mm) | ||
a | 30 | |
限制速度(rpm) | ||
脂润滑 | Grease | 14700 |
油润滑 | Oil | - |
安装尺寸(mm) | ||
da(min) | 87 | |
Da(max) | 118 | |
Db(max) | 120 | |
ra(max) | 1 | |
rb(max) | 0.6 | |
预紧力(N)-DU/DB/DF | ||
微预紧 | EL | 98 |
轻预紧 | L | 327 |
中预紧 | M | 611 |
重预紧 | H | - |
轴承刚度(N/μm)-DU/DB/DF | ||
微预紧 | EL | 72 |
轻预紧 | L | 111 |
中预紧 | M | 141 |
重预紧 | H | - |
测量轴向游隙(μm) | ||
微预紧 | EL | 0 |
轻预紧 | L | -10 |
中预紧 | M | -19 |
重预紧 | H | - |
轴承组合 | ||
方式 | 万能 | |
列数 | 2 | |
重量(Kg) | ||
2.24 |

商品 | 品牌 | 主要尺寸 | 发货仓 | 产地 | 库存 | 含税单价 | VIP价 | 操作 |