产品分类
- 深沟球轴承
- 角接触球轴承
- 超高精密轴承
- 精密角接触球轴承
- 标准型
- 标准密封型-S
- 陶瓷球标准型-C
- 陶瓷球密封型-CS
- 高速小球型-HS
- 小球密封型-HSS
- 陶瓷小球型-HC
- 陶瓷小球密封型-HCS
- 超高速陶瓷球型-XC
- 超高速陶瓷球密封型-XCS
- 超高速小球型-XS
- 超高速小球密封型-XSS
- 油气润滑-标准钢球型
- 油气润滑-标准陶瓷球型
- 油气润滑-高速小球型
- 油气润滑-高速陶瓷球型
- 油气润滑-超高速小球型
- 油气润滑-超高速陶瓷球型
- 精密丝杠轴承
- 精密圆柱滚子轴承
- 调心球轴承
- 推力轴承
- 圆柱滚子轴承
- 圆锥滚子轴承
- 调心滚子轴承
- 交叉滚子轴承
- 超薄截面轴承
- 滚针轴承
- 滚轮轴承
- 关节轴承
- 直线运动
- 轴承附件

HSS72014ETP4DU轴承
类型:【超高精密轴承 - 精密角接触球轴承】
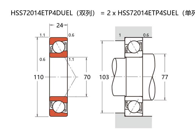
基本尺寸:内径:70 mm,外径:110 mm,厚度:48 mm。
价格区间:¥0 - ¥0【详情】
前缀列表:【H:高转速】【S:小球】【S:密封型】后缀列表:【E:接触角 25°】【T:聚酰胺保持架】【P4:P4 级精度】【DU:两个万能组合】
HSS72014ETP4DU型轴承属于超高精密角接触球轴承中的小球密封类型,其基本尺寸为内径70毫米、外径110毫米、厚度48毫米。该结构设计在高精度应用中表现出较好的性能稳定性,尤其适用于需要同时承受径向与轴向复合载荷的工况。
此类轴承采用接触角优化设计,内部滚动体与沟道的精密匹配有助于提升运转平稳性。密封结构的加入在防尘与保脂方面提供了有效支持,可适应中高速旋转环境。制造过程中选用优质钢材并实施严格的热处理工艺,使产品在耐磨性与疲劳寿命方面具备良好表现。
该型号常见于精密机床主轴、电主轴及高精度回转机构等设备。在合理安装与规范维护条件下,能够保持较长周期的可靠运行。用户需根据实际载荷、转速及温升要求进行选型验证,并配合专业的润滑方案以达到预期使用效果。
H
S
S
7
2
0
1
4
E
T
P
4
D
U
H:高转速
S:小球
S:密封型
7:精密角接触球轴承
2:宽度系列:宽型 2 系列
0:直径系列:超轻 10 系列
14:内径:70 mm
E:接触角 25°
T:聚酰胺保持架
P4:P4 级精度
DU:两个万能组合
H:
高转速
S:
小球
S:
密封型
7:
精密角接触球轴承
2:
宽度系列:宽型 2 系列
0:
直径系列:超轻 10 系列
14:
内径:70 mm
E:
接触角 25°
T:
聚酰胺保持架
P4:
P4 级精度
DU:
两个万能组合
公称型号 | ||
高速小球密封型 | HSS72014ETP4DU | |
主要尺寸(mm) | ||
内径 | d | 70 |
外径 | D | 110 |
厚度(单列) | B | 24 |
厚度(多列) | T | 48 |
倒角尺寸 | r(min) | 1.1 |
倒角尺寸 | r1(min) | 0.6 |
额定载荷(KN) | ||
基本额定动载荷 | Cr | 42.6 |
基本额定静载荷 | C0r | 37.8 |
极限载荷(KN) | ||
轴向-单个 | 33.5 | |
接触角 | ||
度 | ° | 25 |
系数 | ||
fo | - | |
作用点(mm) | ||
a | 32.8 | |
限制速度(rpm) | ||
脂润滑 | Grease | 14400 |
油润滑 | Oil | - |
安装尺寸(mm) | ||
da(min) | 77 | |
Da(max) | 103 | |
Db(max) | 105 | |
ra(max) | 1 | |
rb(max) | 0.6 | |
预紧力(N)-DU/DB/DF | ||
微预紧 | EL | 49 |
轻预紧 | L | 396 |
中预紧 | M | 815 |
重预紧 | H | - |
轴承刚度(N/μm)-DU/DB/DF | ||
微预紧 | EL | 89 |
轻预紧 | L | 181 |
中预紧 | M | 236 |
重预紧 | H | - |
测量轴向游隙(μm) | ||
微预紧 | EL | 0 |
轻预紧 | L | -10 |
中预紧 | M | -18 |
重预紧 | H | - |
轴承组合 | ||
方式 | 万能 | |
列数 | 2 | |
重量(Kg) | ||
1.528 |

商品 | 品牌 | 主要尺寸 | 发货仓 | 产地 | 库存 | 含税单价 | VIP价 | 操作 |