产品分类
- 深沟球轴承
- 角接触球轴承
- 超高精密轴承
- 精密角接触球轴承
- 标准型
- 标准密封型-S
- 陶瓷球标准型-C
- 陶瓷球密封型-CS
- 高速小球型-HS
- 小球密封型-HSS
- 陶瓷小球型-HC
- 陶瓷小球密封型-HCS
- 超高速陶瓷球型-XC
- 超高速陶瓷球密封型-XCS
- 超高速小球型-XS
- 超高速小球密封型-XSS
- 油气润滑-标准钢球型
- 油气润滑-标准陶瓷球型
- 油气润滑-高速小球型
- 油气润滑-高速陶瓷球型
- 油气润滑-超高速小球型
- 油气润滑-超高速陶瓷球型
- 精密丝杠轴承
- 精密圆柱滚子轴承
- 调心球轴承
- 推力轴承
- 圆柱滚子轴承
- 圆锥滚子轴承
- 调心滚子轴承
- 交叉滚子轴承
- 超薄截面轴承
- 滚针轴承
- 滚轮轴承
- 关节轴承
- 直线运动
- 轴承附件

HSS72013FTP4DU轴承
类型:【超高精密轴承 - 精密角接触球轴承】
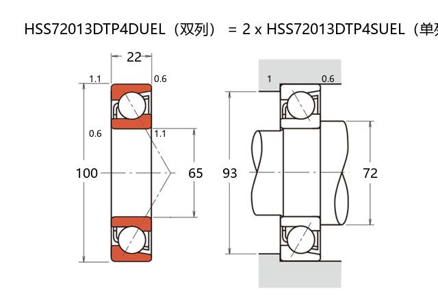
基本尺寸:内径:65 mm,外径:100 mm,厚度:44 mm。
价格区间:¥0 - ¥0【详情】
前缀列表:【H:高转速】【S:小球】【S:密封型】后缀列表:【F:18° 接触角】【T:聚酰胺保持架】【P4:P4 级精度】【DU:两个万能组合】
HSS72013FTP4DU型轴承属于超高精密角接触球轴承系列,其结构设计针对高精度及复杂工况需求。该型号内径为65毫米,外径100毫米,厚度44毫米,尺寸参数符合标准规格要求,在安装及互换性方面具备良好适应性。作为小球密封型产品,该轴承通过优化内部滚动体结构与密封组件设计,在维持运转精度的同时增强了防尘与润滑保持能力。
此类轴承多应用于对旋转精度和刚性有较高要求的设备领域,例如精密机床主轴、高速电主轴系统及测量仪器等场景。其角接触结构可同时承受径向与轴向复合载荷,在高速运转条件下仍能保持稳定的接触角特性。精密级制造工艺确保轴承在预载荷调整、温升控制及动态平衡等方面表现均衡。
密封系统的加入扩展了轴承在存在微尘或湿度波动环境中的适用性。选材与热处理工艺的合理配置使产品在耐磨性与疲劳寿命方面达到行业标准水平。在实际应用中需注意配合公差、润滑条件及安装方式对轴承性能的影响,建议参考具体技术手册进行选型与维护。
H
S
S
7
2
0
1
3
F
T
P
4
D
U
H:高转速
S:小球
S:密封型
7:精密角接触球轴承
2:宽度系列:宽型 2 系列
0:直径系列:超轻 10 系列
13:内径:65 mm
F:18° 接触角
T:聚酰胺保持架
P4:P4 级精度
DU:两个万能组合
H:
高转速
S:
小球
S:
密封型
7:
精密角接触球轴承
2:
宽度系列:宽型 2 系列
0:
直径系列:超轻 10 系列
13:
内径:65 mm
F:
18° 接触角
T:
聚酰胺保持架
P4:
P4 级精度
DU:
两个万能组合
公称型号 | ||
高速小球密封型 | HSS72013FTP4DU | |
主要尺寸(mm) | ||
内径 | d | 65 |
外径 | D | 100 |
厚度(单列) | B | 22 |
厚度(多列) | T | 44 |
倒角尺寸 | r(min) | 1.1 |
倒角尺寸 | r1(min) | 0.6 |
额定载荷(KN) | ||
基本额定动载荷 | Cr | 32.4 |
基本额定静载荷 | C0r | 29.6 |
极限载荷(KN) | ||
轴向-单个 | 21.1 | |
接触角 | ||
度 | ° | 18 |
系数 | ||
fo | 10.9 | |
作用点(mm) | ||
a | 24.3 | |
限制速度(rpm) | ||
脂润滑 | Grease | 18200 |
油润滑 | Oil | - |
安装尺寸(mm) | ||
da(min) | 72 | |
Da(max) | 93 | |
Db(max) | 95 | |
ra(max) | 1 | |
rb(max) | 0.6 | |
预紧力(N)-DU/DB/DF | ||
微预紧 | EL | 49 |
轻预紧 | L | 130 |
中预紧 | M | 367 |
重预紧 | H | - |
轴承刚度(N/μm)-DU/DB/DF | ||
微预紧 | EL | 54 |
轻预紧 | L | 76 |
中预紧 | M | 113 |
重预紧 | H | - |
测量轴向游隙(μm) | ||
微预紧 | EL | 0 |
轻预紧 | L | -5 |
中预紧 | M | -15 |
重预紧 | H | - |
轴承组合 | ||
方式 | 万能 | |
列数 | 2 | |
重量(Kg) | ||
1.14 |

商品 | 品牌 | 主要尺寸 | 发货仓 | 产地 | 库存 | 含税单价 | VIP价 | 操作 |