产品分类
- 深沟球轴承
- 角接触球轴承
- 超高精密轴承
- 精密角接触球轴承
- 标准型
- 标准密封型-S
- 陶瓷球标准型-C
- 陶瓷球密封型-CS
- 高速小球型-HS
- 小球密封型-HSS
- 陶瓷小球型-HC
- 陶瓷小球密封型-HCS
- 超高速陶瓷球型-XC
- 超高速陶瓷球密封型-XCS
- 超高速小球型-XS
- 超高速小球密封型-XSS
- 油气润滑-标准钢球型
- 油气润滑-标准陶瓷球型
- 油气润滑-高速小球型
- 油气润滑-高速陶瓷球型
- 油气润滑-超高速小球型
- 油气润滑-超高速陶瓷球型
- 精密丝杠轴承
- 精密圆柱滚子轴承
- 调心球轴承
- 推力轴承
- 圆柱滚子轴承
- 圆锥滚子轴承
- 调心滚子轴承
- 交叉滚子轴承
- 超薄截面轴承
- 滚针轴承
- 滚轮轴承
- 关节轴承
- 直线运动
- 轴承附件

HSS72011FTP4DU轴承
类型:【超高精密轴承 - 精密角接触球轴承】
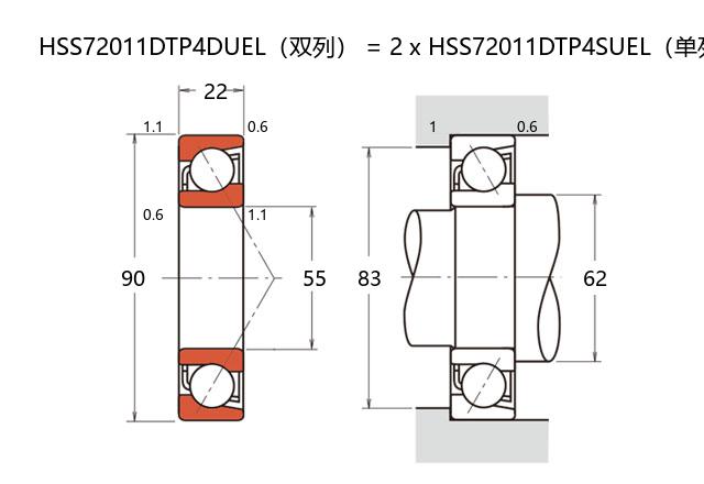
基本尺寸:内径:55 mm,外径:90 mm,厚度:44 mm。
价格区间:¥0 - ¥0【详情】
前缀列表:【H:高转速】【S:小球】【S:密封型】后缀列表:【F:18° 接触角】【T:聚酰胺保持架】【P4:P4 级精度】【DU:两个万能组合】
HSS72011FTP4DU属于超高精密角接触球轴承中的小球密封型产品,基本尺寸为内径55毫米、外径90毫米、厚度44毫米。该型号采用接触角与径向游隙的优化设计,可同时承受径向与轴向联合载荷,适用于中高速工况下的精密旋转系统。密封结构采用特殊聚合物材料与多层防渗漏设计,在抑制润滑脂泄漏的同时有效阻挡外部污染物侵入。轴承内部采用低变形率氮化硅陶瓷球作为滚动体,配合高碳铬轴承钢冲压保持架,在降低旋转惯性的基础上提升了运转平稳性。通过预紧力调整技术,该型号可在不同轴向刚度需求场景中保持稳定的轴向定位精度。典型应用领域包括精密机床主轴、测量仪器转台及光学设备聚焦系统等需要高旋转精度与长寿命的精密传动场景。
H
S
S
7
2
0
1
1
F
T
P
4
D
U
H:高转速
S:小球
S:密封型
7:精密角接触球轴承
2:宽度系列:宽型 2 系列
0:直径系列:超轻 10 系列
11:内径:55 mm
F:18° 接触角
T:聚酰胺保持架
P4:P4 级精度
DU:两个万能组合
H:
高转速
S:
小球
S:
密封型
7:
精密角接触球轴承
2:
宽度系列:宽型 2 系列
0:
直径系列:超轻 10 系列
11:
内径:55 mm
F:
18° 接触角
T:
聚酰胺保持架
P4:
P4 级精度
DU:
两个万能组合
公称型号 | ||
高速小球密封型 | HSS72011FTP4DU | |
主要尺寸(mm) | ||
内径 | d | 55 |
外径 | D | 90 |
厚度(单列) | B | 22 |
厚度(多列) | T | 44 |
倒角尺寸 | r(min) | 1.1 |
倒角尺寸 | r1(min) | 0.6 |
额定载荷(KN) | ||
基本额定动载荷 | Cr | 30.2 |
基本额定静载荷 | C0r | 25 |
极限载荷(KN) | ||
轴向-单个 | 17.8 | |
接触角 | ||
度 | ° | 18 |
系数 | ||
fo | 10.8 | |
作用点(mm) | ||
a | 22.6 | |
限制速度(rpm) | ||
脂润滑 | Grease | 20700 |
油润滑 | Oil | - |
安装尺寸(mm) | ||
da(min) | 62 | |
Da(max) | 83 | |
Db(max) | 85 | |
ra(max) | 1 | |
rb(max) | 0.6 | |
预紧力(N)-DU/DB/DF | ||
微预紧 | EL | 49 |
轻预紧 | L | 121 |
中预紧 | M | 305 |
重预紧 | H | - |
轴承刚度(N/μm)-DU/DB/DF | ||
微预紧 | EL | 49 |
轻预紧 | L | 67 |
中预紧 | M | 95 |
重预紧 | H | - |
测量轴向游隙(μm) | ||
微预紧 | EL | 0 |
轻预紧 | L | -5 |
中预紧 | M | -14 |
重预紧 | H | - |
轴承组合 | ||
方式 | 万能 | |
列数 | 2 | |
重量(Kg) | ||
1.002 |

商品 | 品牌 | 主要尺寸 | 发货仓 | 产地 | 库存 | 含税单价 | VIP价 | 操作 |