产品分类
- 深沟球轴承
- 角接触球轴承
- 超高精密轴承
- 精密角接触球轴承
- 标准型
- 标准密封型-S
- 陶瓷球标准型-C
- 陶瓷球密封型-CS
- 高速小球型-HS
- 小球密封型-HSS
- 陶瓷小球型-HC
- 陶瓷小球密封型-HCS
- 超高速陶瓷球型-XC
- 超高速陶瓷球密封型-XCS
- 超高速小球型-XS
- 超高速小球密封型-XSS
- 油气润滑-标准钢球型
- 油气润滑-标准陶瓷球型
- 油气润滑-高速小球型
- 油气润滑-高速陶瓷球型
- 油气润滑-超高速小球型
- 油气润滑-超高速陶瓷球型
- 精密丝杠轴承
- 精密圆柱滚子轴承
- 调心球轴承
- 推力轴承
- 圆柱滚子轴承
- 圆锥滚子轴承
- 调心滚子轴承
- 交叉滚子轴承
- 超薄截面轴承
- 滚针轴承
- 滚轮轴承
- 关节轴承
- 直线运动
- 轴承附件

HSS72009FTP4DU轴承
类型:【超高精密轴承 - 精密角接触球轴承】
基本尺寸:内径:45 mm,外径:75 mm,厚度:38 mm。
价格区间:¥0 - ¥0【详情】
前缀列表:【H:高转速】【S:小球】【S:密封型】后缀列表:【F:18° 接触角】【T:聚酰胺保持架】【P4:P4 级精度】【DU:两个万能组合】
HSS72009FTP4DU属于超高精密角接触球轴承系列,具有优化的内部结构设计和稳定的运行特性。其基本尺寸为内径45毫米、外径75毫米、厚度38毫米,适用于对空间布局要求较高的精密机械系统。
该型号采用小球密封型结构,有效控制润滑剂逸散并减缓污染物侵入,有助于在复杂工况下维持性能稳定性。接触角设计使其能够同时承受径向和轴向复合载荷,尤其适合中高速运转条件。密封结构通过降低外部干扰因素影响,为长期精度保持提供支持。
此类轴承常见于精密机床主轴、高速电主轴及测量仪器等领域,在合理安装与维护条件下能表现出良好的耐磨性和疲劳寿命。选型时需结合具体负载分布、转速范围及温升控制要求进行综合评估,确保与配套部件的协同运行效果。
H
S
S
7
2
0
0
9
F
T
P
4
D
U
H:高转速
S:小球
S:密封型
7:精密角接触球轴承
2:宽度系列:宽型 2 系列
0:直径系列:超轻 10 系列
09:内径:45 mm
F:18° 接触角
T:聚酰胺保持架
P4:P4 级精度
DU:两个万能组合
H:
高转速
S:
小球
S:
密封型
7:
精密角接触球轴承
2:
宽度系列:宽型 2 系列
0:
直径系列:超轻 10 系列
09:
内径:45 mm
F:
18° 接触角
T:
聚酰胺保持架
P4:
P4 级精度
DU:
两个万能组合
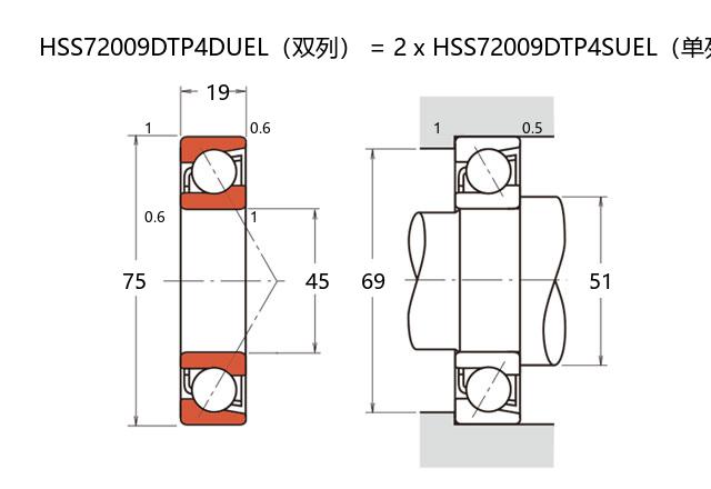
公称型号 | ||
高速小球密封型 | HSS72009FTP4DU | |
主要尺寸(mm) | ||
内径 | d | 45 |
外径 | D | 75 |
厚度(单列) | B | 19 |
厚度(多列) | T | 38 |
倒角尺寸 | r(min) | 1 |
倒角尺寸 | r1(min) | 0.6 |
额定载荷(KN) | ||
基本额定动载荷 | Cr | 23.4 |
基本额定静载荷 | C0r | 18 |
极限载荷(KN) | ||
轴向-单个 | 12.7 | |
接触角 | ||
度 | ° | 18 |
系数 | ||
fo | 10.6 | |
作用点(mm) | ||
a | 19.1 | |
限制速度(rpm) | ||
脂润滑 | Grease | 25000 |
油润滑 | Oil | - |
安装尺寸(mm) | ||
da(min) | 51 | |
Da(max) | 69 | |
Db(max) | 70 | |
ra(max) | 1 | |
rb(max) | 0.5 | |
预紧力(N)-DU/DB/DF | ||
微预紧 | EL | 49 |
轻预紧 | L | 114 |
中预紧 | M | 218 |
重预紧 | H | - |
轴承刚度(N/μm)-DU/DB/DF | ||
微预紧 | EL | 44 |
轻预紧 | L | 60 |
中预紧 | M | 77 |
重预紧 | H | - |
测量轴向游隙(μm) | ||
微预紧 | EL | 0 |
轻预紧 | L | -5 |
中预紧 | M | -11 |
重预紧 | H | - |
轴承组合 | ||
方式 | 万能 | |
列数 | 2 | |
重量(Kg) | ||
0.61 |

商品 | 品牌 | 主要尺寸 | 发货仓 | 产地 | 库存 | 含税单价 | VIP价 | 操作 |