产品分类
- 深沟球轴承
- 角接触球轴承
- 超高精密轴承
- 精密角接触球轴承
- 标准型
- 标准密封型-S
- 陶瓷球标准型-C
- 陶瓷球密封型-CS
- 高速小球型-HS
- 小球密封型-HSS
- 陶瓷小球型-HC
- 陶瓷小球密封型-HCS
- 超高速陶瓷球型-XC
- 超高速陶瓷球密封型-XCS
- 超高速小球型-XS
- 超高速小球密封型-XSS
- 油气润滑-标准钢球型
- 油气润滑-标准陶瓷球型
- 油气润滑-高速小球型
- 油气润滑-高速陶瓷球型
- 油气润滑-超高速小球型
- 油气润滑-超高速陶瓷球型
- 精密丝杠轴承
- 精密圆柱滚子轴承
- 调心球轴承
- 推力轴承
- 圆柱滚子轴承
- 圆锥滚子轴承
- 调心滚子轴承
- 交叉滚子轴承
- 超薄截面轴承
- 滚针轴承
- 滚轮轴承
- 关节轴承
- 直线运动
- 轴承附件

HSS72007FTP4DU轴承
类型:【超高精密轴承 - 精密角接触球轴承】
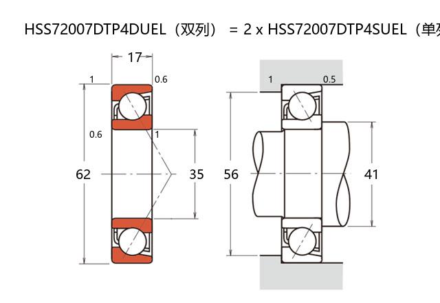
基本尺寸:内径:35 mm,外径:62 mm,厚度:34 mm。
价格区间:¥0 - ¥0【详情】
前缀列表:【H:高转速】【S:小球】【S:密封型】后缀列表:【F:18° 接触角】【T:聚酰胺保持架】【P4:P4 级精度】【DU:两个万能组合】
HSS72007FTP4DU属于超高精密角接触球轴承系列,其基本尺寸为内径35毫米、外径62毫米、厚度34毫米。该型号采用小球密封型结构设计,具备较高的尺寸精度与运转稳定性。
这类轴承通常选用优质钢材制造,内部结构经过优化,能够承受径向与轴向联合载荷,尤其适用于高速旋转工况。密封结构的加入有助于在运行过程中防止污染物侵入,同时保持润滑剂的有效性,从而延长使用寿命。
在应用层面,该轴承常见于高精度机床主轴、电主轴及精密旋转平台等设备。其设计注重刚性与动态性能的平衡,有助于提升系统整体响应速度与定位准确性。选用时需结合具体工况条件,综合考虑预紧力、润滑方式及安装配合等因素,以实现最佳运行效果。
随着制造技术的持续进步,此类轴承在材料处理与公差控制方面不断优化,为精密传动领域提供了可靠的支持方案。
H
S
S
7
2
0
0
7
F
T
P
4
D
U
H:高转速
S:小球
S:密封型
7:精密角接触球轴承
2:宽度系列:宽型 2 系列
0:直径系列:超轻 10 系列
07:内径:35 mm
F:18° 接触角
T:聚酰胺保持架
P4:P4 级精度
DU:两个万能组合
H:
高转速
S:
小球
S:
密封型
7:
精密角接触球轴承
2:
宽度系列:宽型 2 系列
0:
直径系列:超轻 10 系列
07:
内径:35 mm
F:
18° 接触角
T:
聚酰胺保持架
P4:
P4 级精度
DU:
两个万能组合
公称型号 | ||
高速小球密封型 | HSS72007FTP4DU | |
主要尺寸(mm) | ||
内径 | d | 35 |
外径 | D | 62 |
厚度(单列) | B | 17 |
厚度(多列) | T | 34 |
倒角尺寸 | r(min) | 1 |
倒角尺寸 | r1(min) | 0.6 |
额定载荷(KN) | ||
基本额定动载荷 | Cr | 20.2 |
基本额定静载荷 | C0r | 14.2 |
极限载荷(KN) | ||
轴向-单个 | 10.2 | |
接触角 | ||
度 | ° | 18 |
系数 | ||
fo | 10.6 | |
作用点(mm) | ||
a | 16.3 | |
限制速度(rpm) | ||
脂润滑 | Grease | 28900 |
油润滑 | Oil | ? |
安装尺寸(mm) | ||
da(min) | 41 | |
Da(max) | 56 | |
Db(max) | 57 | |
ra(max) | 1 | |
rb(max) | 0.5 | |
预紧力(N)-DU/DB/DF | ||
微预紧 | EL | 49 |
轻预紧 | L | 110 |
中预紧 | M | 222 |
重预紧 | H | - |
轴承刚度(N/μm)-DU/DB/DF | ||
微预紧 | EL | 41 |
轻预紧 | L | 55 |
中预紧 | M | 73 |
重预紧 | H | - |
测量轴向游隙(μm) | ||
微预紧 | EL | 0 |
轻预紧 | L | -5 |
中预紧 | M | -12 |
重预紧 | H | - |
轴承组合 | ||
方式 | 万能 | |
列数 | 2 | |
重量(Kg) | ||
0.394 |

商品 | 品牌 | 主要尺寸 | 发货仓 | 产地 | 库存 | 含税单价 | VIP价 | 操作 |