产品分类
- 深沟球轴承
- 角接触球轴承
- 超高精密轴承
- 精密角接触球轴承
- 标准型
- 标准密封型-S
- 陶瓷球标准型-C
- 陶瓷球密封型-CS
- 高速小球型-HS
- 小球密封型-HSS
- 陶瓷小球型-HC
- 陶瓷小球密封型-HCS
- 超高速陶瓷球型-XC
- 超高速陶瓷球密封型-XCS
- 超高速小球型-XS
- 超高速小球密封型-XSS
- 油气润滑-标准钢球型
- 油气润滑-标准陶瓷球型
- 油气润滑-高速小球型
- 油气润滑-高速陶瓷球型
- 油气润滑-超高速小球型
- 油气润滑-超高速陶瓷球型
- 精密丝杠轴承
- 精密圆柱滚子轴承
- 调心球轴承
- 推力轴承
- 圆柱滚子轴承
- 圆锥滚子轴承
- 调心滚子轴承
- 交叉滚子轴承
- 超薄截面轴承
- 滚针轴承
- 滚轮轴承
- 关节轴承
- 直线运动
- 轴承附件

HSS7026ETP4DU轴承
类型:【超高精密轴承 - 精密角接触球轴承】
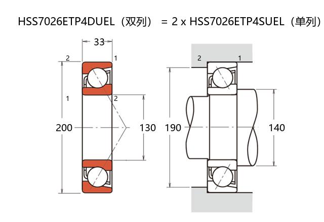
基本尺寸:内径:130 mm,外径:200 mm,厚度:66 mm。
价格区间:¥0 - ¥0【详情】
前缀列表:【H:高转速】【S:小球】【S:密封型】后缀列表:【E:接触角 25°】【T:聚酰胺保持架】【P4:P4 级精度】【DU:两个万能组合】
HSS7026ETP4DU是一款超高精密角接触球轴承,其基本尺寸为内径130毫米、外径200毫米、厚度66毫米。该型号属于小球密封型结构,适用于高转速和高刚性要求的应用场景。
在材料选用和工艺处理方面,该轴承通过优化设计和精密加工,提高了运转平稳性和使用寿命。其接触角经过特别调整,有助于承受径向和轴向联合负载,同时保持较低的摩擦系数。密封结构设计有助于减少润滑剂泄漏和外部污染物侵入,适应多种工况条件。
该型号常见于精密机床主轴、高速电主轴以及测量仪器等设备中。使用过程中需注意保持适当润滑和定期维护,以确保其性能稳定。通过合理选型与安装,该轴承可为精密传动系统提供可靠支撑。
H
S
S
7
0
2
6
E
T
P
4
D
U
H:高转速
S:小球
S:密封型
7:精密角接触球轴承
0:尺寸系列:超轻 10 系列
26:内径:130 mm
E:接触角 25°
T:聚酰胺保持架
P4:P4 级精度
DU:两个万能组合
H:
高转速
S:
小球
S:
密封型
7:
精密角接触球轴承
0:
尺寸系列:超轻 10 系列
26:
内径:130 mm
E:
接触角 25°
T:
聚酰胺保持架
P4:
P4 级精度
DU:
两个万能组合
公称型号 | ||
高速小球密封型 | HSS7026ETP4DU | |
主要尺寸(mm) | ||
内径 | d | 130 |
外径 | D | 200 |
厚度(单列) | B | 33 |
厚度(多列) | T | 66 |
倒角尺寸 | r(min) | 2 |
倒角尺寸 | r1(min) | 1 |
额定载荷(KN) | ||
基本额定动载荷 | Cr | 115 |
基本额定静载荷 | C0r | 118 |
极限载荷(KN) | ||
轴向-单个 | 105 | |
接触角 | ||
度 | ° | 25 |
系数 | ||
fo | - | |
作用点(mm) | ||
a | 55 | |
限制速度(rpm) | ||
脂润滑 | Grease | 7900 |
油润滑 | Oil | - |
安装尺寸(mm) | ||
da(min) | 140 | |
Da(max) | 190 | |
Db(max) | 194 | |
ra(max) | 2 | |
rb(max) | 1 | |
预紧力(N)-DU/DB/DF | ||
微预紧 | EL | 98 |
轻预紧 | L | 1013 |
中预紧 | M | 1964 |
重预紧 | H | - |
轴承刚度(N/μm)-DU/DB/DF | ||
微预紧 | EL | 137 |
轻预紧 | L | 304 |
中预紧 | M | 386 |
重预紧 | H | - |
测量轴向游隙(μm) | ||
微预紧 | EL | 0 |
轻预紧 | L | -16 |
中预紧 | M | -27 |
重预紧 | H | - |
轴承组合 | ||
方式 | 万能 | |
列数 | 2 | |
重量(Kg) | ||
6.82 |

商品 | 品牌 | 主要尺寸 | 发货仓 | 产地 | 库存 | 含税单价 | VIP价 | 操作 |