产品分类
- 深沟球轴承
- 角接触球轴承
- 超高精密轴承
- 精密角接触球轴承
- 标准型
- 标准密封型-S
- 陶瓷球标准型-C
- 陶瓷球密封型-CS
- 高速小球型-HS
- 小球密封型-HSS
- 陶瓷小球型-HC
- 陶瓷小球密封型-HCS
- 超高速陶瓷球型-XC
- 超高速陶瓷球密封型-XCS
- 超高速小球型-XS
- 超高速小球密封型-XSS
- 油气润滑-标准钢球型
- 油气润滑-标准陶瓷球型
- 油气润滑-高速小球型
- 油气润滑-高速陶瓷球型
- 油气润滑-超高速小球型
- 油气润滑-超高速陶瓷球型
- 精密丝杠轴承
- 精密圆柱滚子轴承
- 调心球轴承
- 推力轴承
- 圆柱滚子轴承
- 圆锥滚子轴承
- 调心滚子轴承
- 交叉滚子轴承
- 超薄截面轴承
- 滚针轴承
- 滚轮轴承
- 关节轴承
- 直线运动
- 轴承附件

HSS7013ETP4DU轴承
类型:【超高精密轴承 - 精密角接触球轴承】
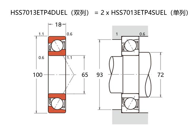
基本尺寸:内径:65 mm,外径:100 mm,厚度:36 mm。
价格区间:¥6124.11 - ¥6920.24【详情】
前缀列表:【H:高转速】【S:小球】【S:密封型】后缀列表:【E:接触角 25°】【T:聚酰胺保持架】【P4:P4 级精度】【DU:两个万能组合】
该轴承型号属于超高精密角接触球轴承类别,具有小球密封结构设计。其基本尺寸为内径65毫米,外径100毫米,厚度36毫米,结构紧凑且适配标准安装空间。此类轴承采用接触角设计,可同时承受径向与轴向复合载荷,尤其适用于需要高刚性和精确旋转的工况。
密封结构能有效阻隔污染物侵入,延长润滑脂保持周期,有助于维持长期稳定的运行性能。选材方面通常采用高品质轴承钢,并经过特殊热处理工艺,以提升材料的耐磨性和疲劳寿命。制造环节遵循精密加工标准,确保滚动体与滚道的匹配精度,从而降低运转振动与噪声。
在应用层面,该型号常见于中小型机床主轴、电主轴单元及精密旋转平台等设备。其设计兼顾高速性能与刚性需求,可在中等转速范围内保持稳定的温升特性。需要注意的是,实际使用寿命受安装对中精度、润滑条件及工作载荷等多重因素影响,建议根据具体应用环境选择匹配的预紧力和润滑方案。
H
S
S
7
0
1
3
E
T
P
4
D
U
H:高转速
S:小球
S:密封型
7:精密角接触球轴承
0:尺寸系列:超轻 10 系列
13:内径:65 mm
E:接触角 25°
T:聚酰胺保持架
P4:P4 级精度
DU:两个万能组合
H:
高转速
S:
小球
S:
密封型
7:
精密角接触球轴承
0:
尺寸系列:超轻 10 系列
13:
内径:65 mm
E:
接触角 25°
T:
聚酰胺保持架
P4:
P4 级精度
DU:
两个万能组合
公称型号 | ||
高速小球密封型 | HSS7013ETP4DU | |
主要尺寸(mm) | ||
内径 | d | 65 |
外径 | D | 100 |
厚度(单列) | B | 18 |
厚度(多列) | T | 36 |
倒角尺寸 | r(min) | 1.1 |
倒角尺寸 | r1(min) | 0.6 |
额定载荷(KN) | ||
基本额定动载荷 | Cr | 31 |
基本额定静载荷 | C0r | 28.4 |
极限载荷(KN) | ||
轴向-单个 | 24.9 | |
接触角 | ||
度 | ° | 25 |
系数 | ||
fo | - | |
作用点(mm) | ||
a | 28 | |
限制速度(rpm) | ||
脂润滑 | Grease | 15700 |
油润滑 | Oil | - |
安装尺寸(mm) | ||
da(min) | 72 | |
Da(max) | 93 | |
Db(max) | 95 | |
ra(max) | 1 | |
rb(max) | 0.6 | |
预紧力(N)-DU/DB/DF | ||
微预紧 | EL | 49 |
轻预紧 | L | 399 |
中预紧 | M | 824 |
重预紧 | H | - |
轴承刚度(N/μm)-DU/DB/DF | ||
微预紧 | EL | 89 |
轻预紧 | L | 184 |
中预紧 | M | 240 |
重预紧 | H | - |
测量轴向游隙(μm) | ||
微预紧 | EL | 0 |
轻预紧 | L | -10 |
中预紧 | M | -18 |
重预紧 | H | - |
轴承组合 | ||
方式 | 万能 | |
列数 | 2 | |
重量(Kg) | ||
0.944 |

商品 | 品牌 | 主要尺寸 | 发货仓 | 产地 | 库存 | 含税单价 | VIP价 | 操作 |
SKF S7013 ACE/P4ADGA轴承 超精密角接触球轴承E设计 |
SKF | 65 X 100 X 36 | 华南 | 5 | 6920.24 | ¥6124.11 | ||