产品分类
- 深沟球轴承
- 角接触球轴承
- 超高精密轴承
- 精密角接触球轴承
- 标准型
- 标准密封型-S
- 陶瓷球标准型-C
- 陶瓷球密封型-CS
- 高速小球型-HS
- 小球密封型-HSS
- 陶瓷小球型-HC
- 陶瓷小球密封型-HCS
- 超高速陶瓷球型-XC
- 超高速陶瓷球密封型-XCS
- 超高速小球型-XS
- 超高速小球密封型-XSS
- 油气润滑-标准钢球型
- 油气润滑-标准陶瓷球型
- 油气润滑-高速小球型
- 油气润滑-高速陶瓷球型
- 油气润滑-超高速小球型
- 油气润滑-超高速陶瓷球型
- 精密丝杠轴承
- 精密圆柱滚子轴承
- 调心球轴承
- 推力轴承
- 圆柱滚子轴承
- 圆锥滚子轴承
- 调心滚子轴承
- 交叉滚子轴承
- 超薄截面轴承
- 滚针轴承
- 滚轮轴承
- 关节轴承
- 直线运动
- 轴承附件

HSS7010ETP4DU轴承
类型:【超高精密轴承 - 精密角接触球轴承】
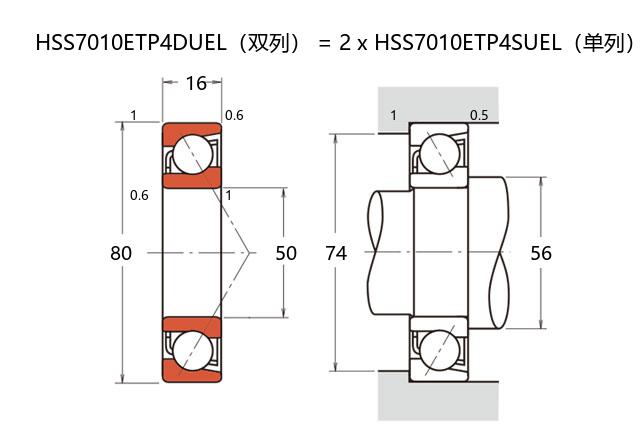
基本尺寸:内径:50 mm,外径:80 mm,厚度:32 mm。
价格区间:¥2068.58 - ¥2440.92【详情】
前缀列表:【H:高转速】【S:小球】【S:密封型】后缀列表:【E:接触角 25°】【T:聚酰胺保持架】【P4:P4 级精度】【DU:两个万能组合】
HSS7010ETP4DU属于超高精密角接触球轴承中的小球密封型系列。该轴承内径为50毫米,外径为80毫米,厚度为32毫米,结构尺寸较为紧凑。此类轴承通常采用优质钢材制造,内部滚道和钢球的加工精度较高,有助于提升运行平稳性。密封结构设计可减少润滑剂泄漏和外部污染物侵入,在某些多尘或存在轻微溅液的环境中具备一定适应性。
角接触球轴承能够同时承受径向和轴向载荷,接触角的设计使其在较高转速条件下表现出较好的刚性。该型号适用于精密机床主轴、电主轴或某些高转速传动系统中。在安装与使用过程中,需注意预紧力的调整与润滑条件,这对保持其精度与使用寿命具有重要影响。
此类轴承在选用时,需结合实际工况条件进行综合评估,包括负载性质、转速范围、温升控制及环境条件等因素。合理的选型与维护有助于发挥其性能特点。
H
S
S
7
0
1
0
E
T
P
4
D
U
H:高转速
S:小球
S:密封型
7:精密角接触球轴承
0:尺寸系列:超轻 10 系列
10:内径:50 mm
E:接触角 25°
T:聚酰胺保持架
P4:P4 级精度
DU:两个万能组合
H:
高转速
S:
小球
S:
密封型
7:
精密角接触球轴承
0:
尺寸系列:超轻 10 系列
10:
内径:50 mm
E:
接触角 25°
T:
聚酰胺保持架
P4:
P4 级精度
DU:
两个万能组合
公称型号 | ||
高速小球密封型 | HSS7010ETP4DU | |
主要尺寸(mm) | ||
内径 | d | 50 |
外径 | D | 80 |
厚度(单列) | B | 16 |
厚度(多列) | T | 32 |
倒角尺寸 | r(min) | 1 |
倒角尺寸 | r1(min) | 0.6 |
额定载荷(KN) | ||
基本额定动载荷 | Cr | 23.2 |
基本额定静载荷 | C0r | 19 |
极限载荷(KN) | ||
轴向-单个 | 16.5 | |
接触角 | ||
度 | ° | 25 |
系数 | ||
fo | - | |
作用点(mm) | ||
a | 23 | |
限制速度(rpm) | ||
脂润滑 | Grease | 19900 |
油润滑 | Oil | - |
安装尺寸(mm) | ||
da(min) | 56 | |
Da(max) | 74 | |
Db(max) | 75 | |
ra(max) | 1 | |
rb(max) | 0.5 | |
预紧力(N)-DU/DB/DF | ||
微预紧 | EL | 49 |
轻预紧 | L | 270 |
中预紧 | M | 552 |
重预紧 | H | - |
轴承刚度(N/μm)-DU/DB/DF | ||
微预紧 | EL | 78 |
轻预紧 | L | 140 |
中预紧 | M | 182 |
重预紧 | H | - |
测量轴向游隙(μm) | ||
微预紧 | EL | 0 |
轻预紧 | L | -8 |
中预紧 | M | -15 |
重预紧 | H | - |
轴承组合 | ||
方式 | 万能 | |
列数 | 2 | |
重量(Kg) | ||
0.562 |

商品 | 品牌 | 主要尺寸 | 发货仓 | 产地 | 库存 | 含税单价 | VIP价 | 操作 |
FAG HSS7010-E-T-P4S-DUL轴承 超精密角接触球轴承 |
FAG | 50 X 80 X 32 | 华南 | 10 | 2440.92 | ¥2068.58 | ||