产品分类
- 深沟球轴承
- 角接触球轴承
- 超高精密轴承
- 精密角接触球轴承
- 标准型
- 标准密封型-S
- 陶瓷球标准型-C
- 陶瓷球密封型-CS
- 高速小球型-HS
- 小球密封型-HSS
- 陶瓷小球型-HC
- 陶瓷小球密封型-HCS
- 超高速陶瓷球型-XC
- 超高速陶瓷球密封型-XCS
- 超高速小球型-XS
- 超高速小球密封型-XSS
- 油气润滑-标准钢球型
- 油气润滑-标准陶瓷球型
- 油气润滑-高速小球型
- 油气润滑-高速陶瓷球型
- 油气润滑-超高速小球型
- 油气润滑-超高速陶瓷球型
- 精密丝杠轴承
- 精密圆柱滚子轴承
- 调心球轴承
- 推力轴承
- 圆柱滚子轴承
- 圆锥滚子轴承
- 调心滚子轴承
- 交叉滚子轴承
- 超薄截面轴承
- 滚针轴承
- 滚轮轴承
- 关节轴承
- 直线运动
- 轴承附件

HSS7009FTP4DU轴承
类型:【超高精密轴承 - 精密角接触球轴承】
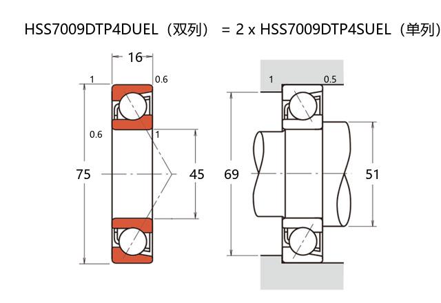
基本尺寸:内径:45 mm,外径:75 mm,厚度:32 mm。
价格区间:¥ - ¥1294.44【详情】
前缀列表:【H:高转速】【S:小球】【S:密封型】后缀列表:【F:18° 接触角】【T:聚酰胺保持架】【P4:P4 级精度】【DU:两个万能组合】
HSS7009FTP4DU属于超高精密角接触球轴承类别,采用小球密封型结构设计。其基本尺寸为内径45毫米、外径75毫米、厚度32毫米,折算为英制尺寸约为内径1.772英寸、外径2.953英寸、厚度1.260英寸。此类轴承通常采用较小的钢球和优化的沟道几何形状,有助于提升运转平稳性和刚性。
该型号轴承常见于需要高旋转精度和低摩擦扭矩的应用场景,例如精密机床主轴、高速电主轴或测量仪器。密封结构能够在一定程度上阻挡污染物侵入,同时保持内部润滑剂的稳定性。部分应用场景可能涉及中等转速条件下的双向轴向载荷承载需求。
轴承材料多采用高纯净度合金钢,配合精密加工工艺,可能使产品具备较长的使用寿命。在特定工况下,此类结构的轴承可表现出较好的温升控制能力。选型时需结合具体负载条件、转速范围及安装环境进行综合评估。
H
S
S
7
0
0
9
F
T
P
4
D
U
H:高转速
S:小球
S:密封型
7:精密角接触球轴承
0:尺寸系列:超轻 10 系列
09:内径:45 mm
F:18° 接触角
T:聚酰胺保持架
P4:P4 级精度
DU:两个万能组合
H:
高转速
S:
小球
S:
密封型
7:
精密角接触球轴承
0:
尺寸系列:超轻 10 系列
09:
内径:45 mm
F:
18° 接触角
T:
聚酰胺保持架
P4:
P4 级精度
DU:
两个万能组合
公称型号 | ||
高速小球密封型 | HSS7009FTP4DU | |
主要尺寸(mm) | ||
内径 | d | 45 |
外径 | D | 75 |
厚度(单列) | B | 16 |
厚度(多列) | T | 32 |
倒角尺寸 | r(min) | 1 |
倒角尺寸 | r1(min) | 0.6 |
额定载荷(KN) | ||
基本额定动载荷 | Cr | 23.4 |
基本额定静载荷 | C0r | 18 |
极限载荷(KN) | ||
轴向-单个 | 12.7 | |
接触角 | ||
度 | ° | 18 |
系数 | ||
fo | 10.6 | |
作用点(mm) | ||
a | 17.6 | |
限制速度(rpm) | ||
脂润滑 | Grease | 25000 |
油润滑 | Oil | - |
安装尺寸(mm) | ||
da(min) | 51 | |
Da(max) | 69 | |
Db(max) | 70 | |
ra(max) | 1 | |
rb(max) | 0.5 | |
预紧力(N)-DU/DB/DF | ||
微预紧 | EL | 49 |
轻预紧 | L | 114 |
中预紧 | M | 218 |
重预紧 | H | - |
轴承刚度(N/μm)-DU/DB/DF | ||
微预紧 | EL | 44 |
轻预紧 | L | 60 |
中预紧 | M | 77 |
重预紧 | H | - |
测量轴向游隙(μm) | ||
微预紧 | EL | 0 |
轻预紧 | L | -5 |
中预紧 | M | -11 |
重预紧 | H | - |
轴承组合 | ||
方式 | 万能 | |
列数 | 2 | |
重量(Kg) | ||
0.518 |

商品 | 品牌 | 主要尺寸 | 发货仓 | 产地 | 库存 | 含税单价 | VIP价 | 操作 |
NSK 45BNR10ETSRV1VDUELP4轴承 |
NSK | 0 | ¥0 | |||||
NSK 45BNR10ETSRV1VDUEL02轴承 小球密封型精密角接触球轴承 |
NSK | 45 X 75 X 32 | 华东 | 日本 | 40 | 1294.44 | ¥1115.9 | |
NSK 45BNR10ETSRV1VDUEL02轴承 小球密封型精密角接触球轴承 |
NSK | 45 X 75 X 32 | 华东 | 日本 | 40 | 1227.49 | ¥1115.9 | |