产品分类
- 深沟球轴承
- 角接触球轴承
- 超高精密轴承
- 精密角接触球轴承
- 标准型
- 标准密封型-S
- 陶瓷球标准型-C
- 陶瓷球密封型-CS
- 高速小球型-HS
- 小球密封型-HSS
- 陶瓷小球型-HC
- 陶瓷小球密封型-HCS
- 超高速陶瓷球型-XC
- 超高速陶瓷球密封型-XCS
- 超高速小球型-XS
- 超高速小球密封型-XSS
- 油气润滑-标准钢球型
- 油气润滑-标准陶瓷球型
- 油气润滑-高速小球型
- 油气润滑-高速陶瓷球型
- 油气润滑-超高速小球型
- 油气润滑-超高速陶瓷球型
- 精密丝杠轴承
- 精密圆柱滚子轴承
- 调心球轴承
- 推力轴承
- 圆柱滚子轴承
- 圆锥滚子轴承
- 调心滚子轴承
- 交叉滚子轴承
- 超薄截面轴承
- 滚针轴承
- 滚轮轴承
- 关节轴承
- 直线运动
- 轴承附件

HSS7008FTP4DU轴承
类型:【超高精密轴承 - 精密角接触球轴承】
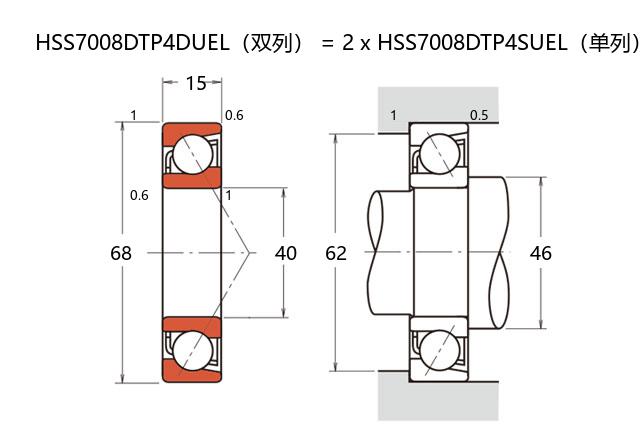
基本尺寸:内径:40 mm,外径:68 mm,厚度:30 mm。
价格区间:¥ - ¥1228.79【详情】
前缀列表:【H:高转速】【S:小球】【S:密封型】后缀列表:【F:18° 接触角】【T:聚酰胺保持架】【P4:P4 级精度】【DU:两个万能组合】
HSS7008FTP4DU是一种精密角接触球轴承,属于超高精密轴承类别中的小球密封型设计。其基本尺寸为内径40毫米、外径68毫米、厚度30毫米,适用于对空间和精度要求较高的应用场景。
该轴承采用接触角设计,能够同时承受径向和轴向载荷,尤其适合高速运转条件。密封结构有助于在复杂工况下保持内部润滑剂的稳定性,并减少污染物侵入,从而延长使用寿命。材料与制造工艺注重精度控制,确保运行时的低振动和低噪音特性。
在应用方面,常见于中小型机床主轴、电主轴单元以及高转速传动系统,这些领域对旋转精度和动态性能有较高要求。选型时需结合具体负载、转速及环境条件进行综合评估。维护中应注意润滑剂的定期补充或更换,以保障长期运行的可靠性。
H
S
S
7
0
0
8
F
T
P
4
D
U
H:高转速
S:小球
S:密封型
7:精密角接触球轴承
0:尺寸系列:超轻 10 系列
08:内径:40 mm
F:18° 接触角
T:聚酰胺保持架
P4:P4 级精度
DU:两个万能组合
H:
高转速
S:
小球
S:
密封型
7:
精密角接触球轴承
0:
尺寸系列:超轻 10 系列
08:
内径:40 mm
F:
18° 接触角
T:
聚酰胺保持架
P4:
P4 级精度
DU:
两个万能组合
公称型号 | ||
高速小球密封型 | HSS7008FTP4DU | |
主要尺寸(mm) | ||
内径 | d | 40 |
外径 | D | 68 |
厚度(单列) | B | 15 |
厚度(多列) | T | 30 |
倒角尺寸 | r(min) | 1 |
倒角尺寸 | r1(min) | 0.6 |
额定载荷(KN) | ||
基本额定动载荷 | Cr | 21.2 |
基本额定静载荷 | C0r | 15.9 |
极限载荷(KN) | ||
轴向-单个 | 11.5 | |
接触角 | ||
度 | ° | 18 |
系数 | ||
fo | 10.7 | |
作用点(mm) | ||
a | 16.2 | |
限制速度(rpm) | ||
脂润滑 | Grease | 26000 |
油润滑 | Oil | - |
安装尺寸(mm) | ||
da(min) | 46 | |
Da(max) | 62 | |
Db(max) | 63 | |
ra(max) | 1 | |
rb(max) | 0.5 | |
预紧力(N)-DU/DB/DF | ||
微预紧 | EL | 49 |
轻预紧 | L | 114 |
中预紧 | M | 216 |
重预紧 | H | - |
轴承刚度(N/μm)-DU/DB/DF | ||
微预紧 | EL | 44 |
轻预紧 | L | 60 |
中预紧 | M | 77 |
重预紧 | H | - |
测量轴向游隙(μm) | ||
微预紧 | EL | 0 |
轻预紧 | L | -5 |
中预紧 | M | -11 |
重预紧 | H | - |
轴承组合 | ||
方式 | 万能 | |
列数 | 2 | |
重量(Kg) | ||
0.408 |

商品 | 品牌 | 主要尺寸 | 发货仓 | 产地 | 库存 | 含税单价 | VIP价 | 操作 |
NSK 40BNR10STSRV1VDUELP4轴承 |
NSK | 0 | ¥0 | |||||
NSK 40BNR10STSRV1VDUEL01轴承 小球密封型精密角接触球轴承 |
NSK | 40 X 68 X 30 | 华东 | 日本 | 8 | 1166.31 | ¥1041.35 | |
NSK 40BNR10STSRV1VDUEL01轴承 小球密封型精密角接触球轴承 |
NSK | 40 X 68 X 30 | 华东 | 日本 | 8 | 1228.79 | ¥1041.35 | |