产品分类
- 深沟球轴承
- 角接触球轴承
- 超高精密轴承
- 精密角接触球轴承
- 标准型
- 标准密封型-S
- 陶瓷球标准型-C
- 陶瓷球密封型-CS
- 高速小球型-HS
- 小球密封型-HSS
- 陶瓷小球型-HC
- 陶瓷小球密封型-HCS
- 超高速陶瓷球型-XC
- 超高速陶瓷球密封型-XCS
- 超高速小球型-XS
- 超高速小球密封型-XSS
- 油气润滑-标准钢球型
- 油气润滑-标准陶瓷球型
- 油气润滑-高速小球型
- 油气润滑-高速陶瓷球型
- 油气润滑-超高速小球型
- 油气润滑-超高速陶瓷球型
- 精密丝杠轴承
- 精密圆柱滚子轴承
- 调心球轴承
- 推力轴承
- 圆柱滚子轴承
- 圆锥滚子轴承
- 调心滚子轴承
- 交叉滚子轴承
- 超薄截面轴承
- 滚针轴承
- 滚轮轴承
- 关节轴承
- 直线运动
- 轴承附件

HSS7001CTP4DU轴承
类型:【超高精密轴承 - 精密角接触球轴承】
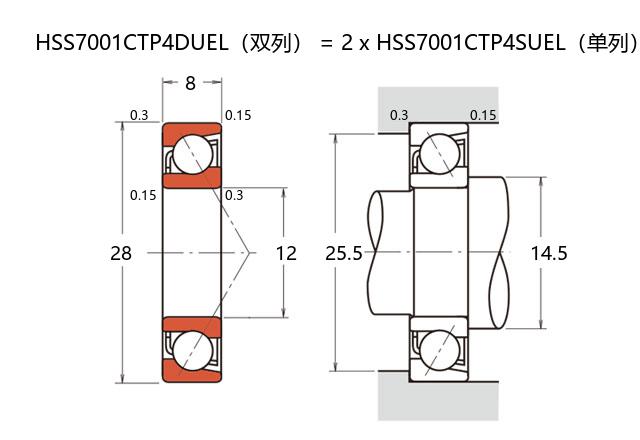
基本尺寸:内径:12 mm,外径:28 mm,厚度:16 mm。
价格区间:¥65.11 - ¥1750.33【详情】
前缀列表:【H:高转速】【S:小球】【S:密封型】后缀列表:【C:15° 接触角】【T:聚酰胺保持架】【P4:P4 级精度】【DU:两个万能组合】
HSS7001CTP4DU型轴承属于超高精密角接触球轴承系列,其基本尺寸为内径12毫米、外径28毫米、厚度16毫米。该型号采用小球密封结构设计,适用于对旋转精度和运行稳定性要求较高的工况。
在结构方面,该轴承通过优化沟道轮廓和钢球配置,能够同时承受径向和轴向载荷。接触角的设计使其在高速运转时保持较好的刚度,而密封装置则有效防止润滑剂泄漏和污染物侵入。P4级精度保证了轴系的旋转精度,在连续工作条件下仍能维持稳定的性能表现。
此类轴承常见于精密主轴、医疗仪器及光学设备等领域。其结构特点使其在中等转速工况下表现出良好的温升控制能力,且密封设计延长了润滑维护周期。选型时需注意配合公差和安装方式,正确的预紧力调整对发挥其性能优势具有重要意义。
H
S
S
7
0
0
1
C
T
P
4
D
U
H:高转速
S:小球
S:密封型
7:精密角接触球轴承
0:尺寸系列:超轻 10 系列
01:内径:12 mm
C:15° 接触角
T:聚酰胺保持架
P4:P4 级精度
DU:两个万能组合
H:
高转速
S:
小球
S:
密封型
7:
精密角接触球轴承
0:
尺寸系列:超轻 10 系列
01:
内径:12 mm
C:
15° 接触角
T:
聚酰胺保持架
P4:
P4 级精度
DU:
两个万能组合
公称型号 | ||
高速小球密封型 | HSS7001CTP4DU | |
主要尺寸(mm) | ||
内径 | d | 12 |
外径 | D | 28 |
厚度(单列) | B | 8 |
厚度(多列) | T | 16 |
倒角尺寸 | r(min) | 0.3 |
倒角尺寸 | r1(min) | 0.15 |
额定载荷(KN) | ||
基本额定动载荷 | Cr | 6.5 |
基本额定静载荷 | C0r | 2.66 |
极限载荷(KN) | ||
轴向-单个 | 1.63 | |
接触角 | ||
度 | ° | 15 |
系数 | ||
fo | 7.4 | |
作用点(mm) | ||
a | 6.7 | |
限制速度(rpm) | ||
脂润滑 | Grease | 80000 |
油润滑 | Oil | - |
安装尺寸(mm) | ||
da(min) | 14.5 | |
Da(max) | 25.5 | |
Db(max) | 26.8 | |
ra(max) | 0.3 | |
rb(max) | 0.15 | |
预紧力(N)-DU/DB/DF | ||
微预紧 | EL | 10 |
轻预紧 | L | 21 |
中预紧 | M | 43 |
重预紧 | H | - |
轴承刚度(N/μm)-DU/DB/DF | ||
微预紧 | EL | 12 |
轻预紧 | L | 15 |
中预紧 | M | 20 |
重预紧 | H | - |
测量轴向游隙(μm) | ||
微预紧 | EL | 4 |
轻预紧 | L | 1 |
中预紧 | M | -4 |
重预紧 | H | - |
轴承组合 | ||
方式 | 万能 | |
列数 | 2 | |
重量(Kg) | ||
0.046 |

商品 | 品牌 | 主要尺寸 | 发货仓 | 产地 | 库存 | 含税单价 | VIP价 | 操作 |
HRB H7001CETA-2RZ/P5DB轴承 角接触球轴承-小球密封型 |
HRB | 12 X 28 X 16 | 华东 | 哈尔滨 | 2 | 78.78 | ¥65.11 | |
FAG HSS7001-C-T-P4S-DUL轴承 超精密角接触球轴承 |
FAG | 12 X 28 X 16 | 华中 | 297 | 1750.33 | ¥1389.15 | ||