产品分类
- 深沟球轴承
- 角接触球轴承
- 超高精密轴承
- 精密角接触球轴承
- 标准型
- 标准密封型-S
- 陶瓷球标准型-C
- 陶瓷球密封型-CS
- 高速小球型-HS
- 小球密封型-HSS
- 陶瓷小球型-HC
- 陶瓷小球密封型-HCS
- 超高速陶瓷球型-XC
- 超高速陶瓷球密封型-XCS
- 超高速小球型-XS
- 超高速小球密封型-XSS
- 油气润滑-标准钢球型
- 油气润滑-标准陶瓷球型
- 油气润滑-高速小球型
- 油气润滑-高速陶瓷球型
- 油气润滑-超高速小球型
- 油气润滑-超高速陶瓷球型
- 精密丝杠轴承
- 精密圆柱滚子轴承
- 调心球轴承
- 推力轴承
- 圆柱滚子轴承
- 圆锥滚子轴承
- 调心滚子轴承
- 交叉滚子轴承
- 超薄截面轴承
- 滚针轴承
- 滚轮轴承
- 关节轴承
- 直线运动
- 轴承附件

HS7032FTP4DU轴承
类型:【超高精密轴承 - 精密角接触球轴承】
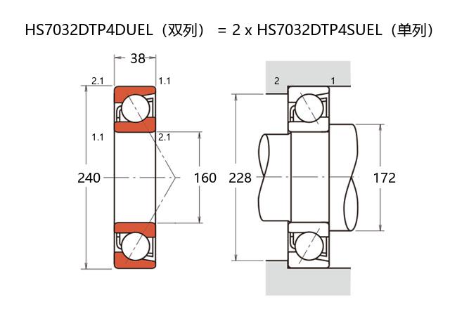
基本尺寸:内径:160 mm,外径:240 mm,厚度:76 mm。
价格区间:¥ - ¥【详情】
前缀列表:【H:高转速】【S:小球型】后缀列表:【F:接触角 18°】【T:聚酰胺尼龙保持架】【P4:P4 级精度】【DU:两个万能组合】
HS7032FTP4DU属于超高精密角接触球轴承中的高速小球型系列,其结构设计注重高转速工况下的稳定性与精度保持能力。该轴承内径为160毫米,外径240毫米,厚度76毫米,尺寸规格在同类产品中具备良好的刚性支撑基础。
此类轴承采用小球径钢球与特定接触角设计,既降低了高速运转时的离心力影响,又能够同时承受径向与轴向联合载荷。特殊的保持架结构进一步优化了润滑剂流动路径,有效控制高速运行时的温升。在预载荷与游隙调整方面,该型号经过针对性优化,使其在复杂工况下仍能维持稳定的旋转精度。
这类轴承典型应用于精密机床主轴、高转速电主轴等设备,特别适合中等载荷条件下要求低振动、低噪音的精密传动系统。通过合理的安装与维护,可发挥其在高转速场景下的性能优势,但实际使用寿命仍取决于具体工况条件与维护水平。
H
S
7
0
3
2
F
T
P
4
D
U
H:高转速
S:小球型
7:精密角接触球轴承
0:尺寸系列:超轻 10 系列
32:内径:160 mm
F:接触角 18°
T:聚酰胺尼龙保持架
P4:P4 级精度
DU:两个万能组合
H:
高转速
S:
小球型
7:
精密角接触球轴承
0:
尺寸系列:超轻 10 系列
32:
内径:160 mm
F:
接触角 18°
T:
聚酰胺尼龙保持架
P4:
P4 级精度
DU:
两个万能组合
公称型号 | ||
高速小球型 | HS7032FTP4DU | |
主要尺寸(mm) | ||
内径 | d | 160 |
外径 | D | 240 |
厚度(单列) | B | 38 |
厚度(多列) | T | 76 |
倒角尺寸 | r(min) | 2.1 |
倒角尺寸 | r1(min) | 1.1 |
额定载荷(KN) | ||
基本额定动载荷 | Cr | 166 |
基本额定静载荷 | C0r | 185 |
极限载荷(KN) | ||
轴向-单个 | 134 | |
接触角 | ||
度 | ° | 18 |
系数 | ||
fo | 11 | |
作用点(mm) | ||
a | 51.5 | |
限制速度(rpm) | ||
脂润滑 | Grease | 6500 |
油润滑 | Oil | 9500 |
安装尺寸(mm) | ||
da(min) | 172 | |
Da(max) | 228 | |
Db(max) | 233 | |
ra(max) | 2 | |
rb(max) | 1 | |
预紧力(N)-DU/DB/DF | ||
微预紧 | EL | 196 |
轻预紧 | L | 1085 |
中预紧 | M | 2284 |
重预紧 | H | - |
轴承刚度(N/μm)-DU/DB/DF | ||
微预紧 | EL | 117 |
轻预紧 | L | 216 |
中预紧 | M | 288 |
重预紧 | H | - |
测量轴向游隙(μm) | ||
微预紧 | EL | 0 |
轻预紧 | L | -21 |
中预紧 | M | -40 |
重预紧 | H | - |
轴承组合 | ||
方式 | 万能 | |
列数 | 2 | |
重量(Kg) | ||
11 |

商品 | 品牌 | 主要尺寸 | 发货仓 | 产地 | 库存 | 含税单价 | VIP价 | 操作 |
HRB 7032CETA/P4ADB轴承 |
HRB | 0 | ¥0 | |||||