产品分类
- 深沟球轴承
- 角接触球轴承
- 超高精密轴承
- 精密角接触球轴承
- 标准型
- 标准密封型-S
- 陶瓷球标准型-C
- 陶瓷球密封型-CS
- 高速小球型-HS
- 小球密封型-HSS
- 陶瓷小球型-HC
- 陶瓷小球密封型-HCS
- 超高速陶瓷球型-XC
- 超高速陶瓷球密封型-XCS
- 超高速小球型-XS
- 超高速小球密封型-XSS
- 油气润滑-标准钢球型
- 油气润滑-标准陶瓷球型
- 油气润滑-高速小球型
- 油气润滑-高速陶瓷球型
- 油气润滑-超高速小球型
- 油气润滑-超高速陶瓷球型
- 精密丝杠轴承
- 精密圆柱滚子轴承
- 调心球轴承
- 推力轴承
- 圆柱滚子轴承
- 圆锥滚子轴承
- 调心滚子轴承
- 交叉滚子轴承
- 超薄截面轴承
- 滚针轴承
- 滚轮轴承
- 关节轴承
- 直线运动
- 轴承附件

HS7024ETP4DU轴承
类型:【超高精密轴承 - 精密角接触球轴承】
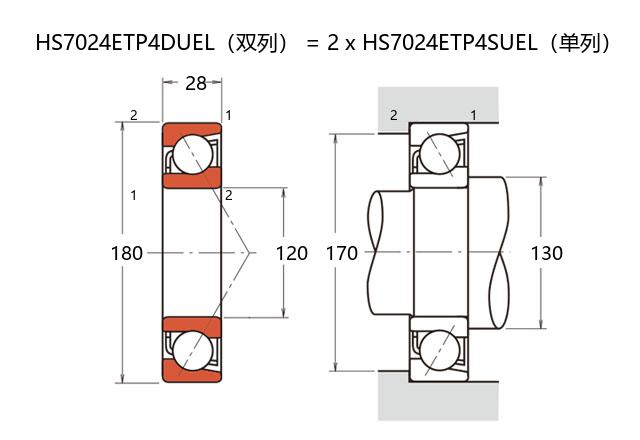
基本尺寸:内径:120 mm,外径:180 mm,厚度:56 mm。
价格区间:¥ - ¥2968.51【详情】
前缀列表:【H:高转速】【S:小球型】后缀列表:【E:接触角 25°】【T:聚酰胺尼龙保持架】【P4:P4 级精度】【DU:两个万能组合】
HS7024ETP4DU型轴承属于超高精密角接触球轴承系列,其结构设计针对高速运转需求而优化。该型号采用小球径设计,有助于降低高速旋转时的摩擦热量与离心力影响,从而维持运转稳定性。基本尺寸为内径120毫米、外径180毫米、厚度56毫米,此类规格在中等载荷场景中具有较好的适配性。
作为精密角接触球轴承的一种,该型号能够同时承受径向与轴向联合载荷,接触角设计提升了轴向支撑性能。套圈及滚动体通常采用高品质钢材,并经过热处理工艺强化,P4级精度保证了尺寸控制与旋转精度的可靠性。在润滑方面,DU涂层处理可提升表面自润滑特性,延长维护周期。
此类轴承适用于中高转速主轴系统,常见于精密机床、电主轴及测量仪器等领域。其结构特点兼顾了高速性能与刚性需求,在温升控制与动态平衡方面表现较为稳定。需要注意根据实际工况选择合适的预紧力和润滑方式,以确保其性能充分发挥。
H
S
7
0
2
4
E
T
P
4
D
U
H:高转速
S:小球型
7:精密角接触球轴承
0:尺寸系列:超轻 10 系列
24:内径:120 mm
E:接触角 25°
T:聚酰胺尼龙保持架
P4:P4 级精度
DU:两个万能组合
H:
高转速
S:
小球型
7:
精密角接触球轴承
0:
尺寸系列:超轻 10 系列
24:
内径:120 mm
E:
接触角 25°
T:
聚酰胺尼龙保持架
P4:
P4 级精度
DU:
两个万能组合
公称型号 | ||
高速小球型 | HS7024ETP4DU | |
主要尺寸(mm) | ||
内径 | d | 120 |
外径 | D | 180 |
厚度(单列) | B | 28 |
厚度(多列) | T | 56 |
倒角尺寸 | r(min) | 2 |
倒角尺寸 | r1(min) | 1 |
额定载荷(KN) | ||
基本额定动载荷 | Cr | 91 |
基本额定静载荷 | C0r | 97 |
极限载荷(KN) | ||
轴向-单个 | 86 | |
接触角 | ||
度 | ° | 25 |
系数 | ||
fo | - | |
作用点(mm) | ||
a | 49 | |
限制速度(rpm) | ||
脂润滑 | Grease | 8000 |
油润滑 | Oil | 11400 |
安装尺寸(mm) | ||
da(min) | 130 | |
Da(max) | 170 | |
Db(max) | 174 | |
ra(max) | 2 | |
rb(max) | 1 | |
预紧力(N)-DU/DB/DF | ||
微预紧 | EL | 98 |
轻预紧 | L | 983 |
中预紧 | M | 1973 |
重预紧 | H | - |
轴承刚度(N/μm)-DU/DB/DF | ||
微预紧 | EL | 143 |
轻预紧 | L | 313 |
中预紧 | M | 404 |
重预紧 | H | - |
测量轴向游隙(μm) | ||
微预紧 | EL | 0 |
轻预紧 | L | -15 |
中预紧 | M | -26 |
重预紧 | H | - |
轴承组合 | ||
方式 | 万能 | |
列数 | 2 | |
重量(Kg) | ||
4.58 |

商品 | 品牌 | 主要尺寸 | 发货仓 | 产地 | 库存 | 含税单价 | VIP价 | 操作 |
HRB 7024ACETA/P4ADB轴承 |
HRB | 0 | ¥0 | |||||
HRB 7024CETA/P4ADBA轴承 角接触球轴承-高速小球型 |
HRB | 120 X 180 X 56 | 华东 | 哈尔滨 | 200 | 2761.4 | ¥2301.17 | |
HRB 7024CETA/P4ADBB轴承 角接触球轴承-高速小球型 |
HRB | 120 X 180 X 56 | 华东 | 哈尔滨 | 200 | 2692.37 | ¥2301.17 | |
HRB 7024CETA/P4DBA轴承 角接触球轴承-高速小球型 |
HRB | 120 X 180 X 56 | 华东 | 哈尔滨 | 200 | 2368.85 | ¥1895.08 | |
HRB 7024CETA/P4DBB轴承 角接触球轴承-高速小球型 |
HRB | 120 X 180 X 56 | 华东 | 哈尔滨 | 200 | 2103.54 | ¥1895.08 | |
篇幅有限,仅显示五条,更多可点击:搜索,或者:深度搜索 |