产品分类
- 深沟球轴承
- 角接触球轴承
- 超高精密轴承
- 精密角接触球轴承
- 标准型
- 标准密封型-S
- 陶瓷球标准型-C
- 陶瓷球密封型-CS
- 高速小球型-HS
- 小球密封型-HSS
- 陶瓷小球型-HC
- 陶瓷小球密封型-HCS
- 超高速陶瓷球型-XC
- 超高速陶瓷球密封型-XCS
- 超高速小球型-XS
- 超高速小球密封型-XSS
- 油气润滑-标准钢球型
- 油气润滑-标准陶瓷球型
- 油气润滑-高速小球型
- 油气润滑-高速陶瓷球型
- 油气润滑-超高速小球型
- 油气润滑-超高速陶瓷球型
- 精密丝杠轴承
- 精密圆柱滚子轴承
- 调心球轴承
- 推力轴承
- 圆柱滚子轴承
- 圆锥滚子轴承
- 调心滚子轴承
- 交叉滚子轴承
- 超薄截面轴承
- 滚针轴承
- 滚轮轴承
- 关节轴承
- 直线运动
- 轴承附件

HS7020FTP4DU轴承
类型:【超高精密轴承 - 精密角接触球轴承】
基本尺寸:内径:100 mm,外径:150 mm,厚度:48 mm。
价格区间:¥ - ¥【详情】
前缀列表:【H:高转速】【S:小球型】后缀列表:【F:接触角 18°】【T:聚酰胺尼龙保持架】【P4:P4 级精度】【DU:两个万能组合】
HS7020FTP4DU是一款超高精密角接触球轴承,属于高速小球型系列。其基本尺寸为内径100毫米、外径150毫米、厚度48毫米,结构紧凑且设计精密。
该轴承采用精密角接触结构,能够同时承受径向和轴向载荷,尤其适用于高速运转工况。通过优化球体尺寸和沟道设计,它在高速旋转时保持较低的温升和振动水平。材料选用高品质轴承钢,配合特殊热处理工艺,确保了尺寸稳定性和耐磨性。密封与润滑技术经过针对性改进,有助于延长使用寿命并维持性能一致性。
此类轴承常见于高精度机床主轴、高速电主轴及测量仪器等设备中,能够满足对旋转精度和动态响应有较高要求的场合。其设计平衡了负载能力与转速特性,在多种工况下表现出稳定的运行特性。需要注意的是,实际性能受安装条件、润滑状态及工作环境等多重因素影响。
H
S
7
0
2
0
F
T
P
4
D
U
H:高转速
S:小球型
7:精密角接触球轴承
0:尺寸系列:超轻 10 系列
20:内径:100 mm
F:接触角 18°
T:聚酰胺尼龙保持架
P4:P4 级精度
DU:两个万能组合
H:
高转速
S:
小球型
7:
精密角接触球轴承
0:
尺寸系列:超轻 10 系列
20:
内径:100 mm
F:
接触角 18°
T:
聚酰胺尼龙保持架
P4:
P4 级精度
DU:
两个万能组合
公称型号 | ||
高速小球型 | HS7020FTP4DU | |
主要尺寸(mm) | ||
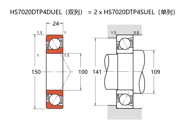
内径 | d | 100 |
外径 | D | 150 |
厚度(单列) | B | 24 |
厚度(多列) | T | 48 |
倒角尺寸 | r(min) | 1.5 |
倒角尺寸 | r1(min) | 1 |
额定载荷(KN) | ||
基本额定动载荷 | Cr | 72 |
基本额定静载荷 | C0r | 72 |
极限载荷(KN) | ||
轴向-单个 | 52 | |
接触角 | ||
度 | ° | 18 |
系数 | ||
fo | 10.9 | |
作用点(mm) | ||
a | 32.3 | |
限制速度(rpm) | ||
脂润滑 | Grease | 12000 |
油润滑 | Oil | 17200 |
安装尺寸(mm) | ||
da(min) | 109 | |
Da(max) | 141 | |
Db(max) | 144 | |
ra(max) | 1.5 | |
rb(max) | 0.8 | |
预紧力(N)-DU/DB/DF | ||
微预紧 | EL | 98 |
轻预紧 | L | 352 |
中预紧 | M | 877 |
重预紧 | H | - |
轴承刚度(N/μm)-DU/DB/DF | ||
微预紧 | EL | 78 |
轻预紧 | L | 123 |
中预紧 | M | 175 |
重预紧 | H | - |
测量轴向游隙(μm) | ||
微预紧 | EL | 0 |
轻预紧 | L | -10 |
中预紧 | M | -24 |
重预紧 | H | - |
轴承组合 | ||
方式 | 万能 | |
列数 | 2 | |
重量(Kg) | ||
2.68 |

商品 | 品牌 | 主要尺寸 | 发货仓 | 产地 | 库存 | 含税单价 | VIP价 | 操作 |
HRB 7020CETA/P4ADB轴承 |
HRB | 0 | ¥0 | |||||
NSK 100BNR10ETYNDBBELP4轴承 |
NSK | 0 | ¥0 | |||||