产品分类
- 深沟球轴承
- 角接触球轴承
- 超高精密轴承
- 精密角接触球轴承
- 标准型
- 标准密封型-S
- 陶瓷球标准型-C
- 陶瓷球密封型-CS
- 高速小球型-HS
- 小球密封型-HSS
- 陶瓷小球型-HC
- 陶瓷小球密封型-HCS
- 超高速陶瓷球型-XC
- 超高速陶瓷球密封型-XCS
- 超高速小球型-XS
- 超高速小球密封型-XSS
- 油气润滑-标准钢球型
- 油气润滑-标准陶瓷球型
- 油气润滑-高速小球型
- 油气润滑-高速陶瓷球型
- 油气润滑-超高速小球型
- 油气润滑-超高速陶瓷球型
- 精密丝杠轴承
- 精密圆柱滚子轴承
- 调心球轴承
- 推力轴承
- 圆柱滚子轴承
- 圆锥滚子轴承
- 调心滚子轴承
- 交叉滚子轴承
- 超薄截面轴承
- 滚针轴承
- 滚轮轴承
- 关节轴承
- 直线运动
- 轴承附件

HS7010FTP4DU轴承
类型:【超高精密轴承 - 精密角接触球轴承】
基本尺寸:内径:50 mm,外径:80 mm,厚度:32 mm。
价格区间:¥ - ¥1722.14【详情】
前缀列表:【H:高转速】【S:小球型】后缀列表:【F:接触角 18°】【T:聚酰胺尼龙保持架】【P4:P4 级精度】【DU:两个万能组合】
HS7010FTP4DU属于超高精密角接触球轴承系列,专为高速和小球型结构设计。其基本尺寸为内径50毫米、外径80毫米、厚度32毫米,适用于对空间和精度有较高要求的场合。该型号采用精密制造工艺,内部结构经过优化以降低运转摩擦,支撑稳定性和旋转精度得到提升。
在材料与工艺方面,轴承组件通常选用高品质钢材,并配合特殊热处理技术,以增强耐磨性和使用寿命。接触角设计使轴承能够同时承受径向和轴向载荷,尤其适合高速旋转工况。由于采用小球型结构,高速运转时的离心力影响得到一定控制,有助于维持动态性能。
此类轴承常见于机床主轴、电主轴或精密仪器等设备,适用于中高转速场景。安装时需注意预紧力调整及润滑条件,以确保性能稳定发挥。维护过程中建议定期检查磨损状态,并根据实际工况选择合适的润滑方案,从而延长轴承的有效使用周期。
H
S
7
0
1
0
F
T
P
4
D
U
H:高转速
S:小球型
7:精密角接触球轴承
0:尺寸系列:超轻 10 系列
10:内径:50 mm
F:接触角 18°
T:聚酰胺尼龙保持架
P4:P4 级精度
DU:两个万能组合
H:
高转速
S:
小球型
7:
精密角接触球轴承
0:
尺寸系列:超轻 10 系列
10:
内径:50 mm
F:
接触角 18°
T:
聚酰胺尼龙保持架
P4:
P4 级精度
DU:
两个万能组合
公称型号 | ||
高速小球型 | HS7010FTP4DU | |
主要尺寸(mm) | ||
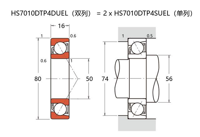
内径 | d | 50 |
外径 | D | 80 |
厚度(单列) | B | 16 |
厚度(多列) | T | 32 |
倒角尺寸 | r(min) | 1 |
倒角尺寸 | r1(min) | 0.6 |
额定载荷(KN) | ||
基本额定动载荷 | Cr | 24.4 |
基本额定静载荷 | C0r | 19.8 |
极限载荷(KN) | ||
轴向-单个 | 14 | |
接触角 | ||
度 | ° | 18 |
系数 | ||
fo | 10.8 | |
作用点(mm) | ||
a | 18.4 | |
限制速度(rpm) | ||
脂润滑 | Grease | 23100 |
油润滑 | Oil | 33000 |
安装尺寸(mm) | ||
da(min) | 56 | |
Da(max) | 74 | |
Db(max) | 75 | |
ra(max) | 1 | |
rb(max) | 0.5 | |
预紧力(N)-DU/DB/DF | ||
微预紧 | EL | 49 |
轻预紧 | L | 119 |
中预紧 | M | 250 |
重预紧 | H | - |
轴承刚度(N/μm)-DU/DB/DF | ||
微预紧 | EL | 47 |
轻预紧 | L | 64 |
中预紧 | M | 86 |
重预紧 | H | - |
测量轴向游隙(μm) | ||
微预紧 | EL | 0 |
轻预紧 | L | -5 |
中预紧 | M | -12 |
重预紧 | H | - |
轴承组合 | ||
方式 | 万能 | |
列数 | 2 | |
重量(Kg) | ||
0.562 |

商品 | 品牌 | 主要尺寸 | 发货仓 | 产地 | 库存 | 含税单价 | VIP价 | 操作 |
HRB 7010CETA/P4ADB轴承 |
HRB | 0 | ¥0 | |||||
NSK 50BNR10ETYNDUELP4Y轴承 高速小球型精密角接触球轴承 |
NSK | 50 X 80 X 32 | 华东 | 日本 | 5 | 1722.14 | ¥1366.78 | |
NSK 50BNR10ETYNDUELP4Y轴承 高速小球型精密角接触球轴承 |
NSK | 50 X 80 X 32 | 华东 | 日本 | 40 | 1625.21 | ¥1289.85 | |
NSK 50BNR10ETYNDUELP4Y轴承 高速小球型精密角接触球轴承 |
NSK | 50 X 80 X 32 | 华东 | 日本 | 5 | 1558.13 | ¥1366.78 | |
NSK 50BNR10ETYNDULP4轴承 高速小球型精密角接触球轴承 |
NSK | 50 X 80 X 32 | 华东 | 日本 | 4 | 1661.42 | ¥1420.02 | |
篇幅有限,仅显示五条,更多可点击:搜索,或者:深度搜索 |