产品分类
- 深沟球轴承
- 角接触球轴承
- 超高精密轴承
- 精密角接触球轴承
- 标准型
- 标准密封型-S
- 陶瓷球标准型-C
- 陶瓷球密封型-CS
- 高速小球型-HS
- 小球密封型-HSS
- 陶瓷小球型-HC
- 陶瓷小球密封型-HCS
- 超高速陶瓷球型-XC
- 超高速陶瓷球密封型-XCS
- 超高速小球型-XS
- 超高速小球密封型-XSS
- 油气润滑-标准钢球型
- 油气润滑-标准陶瓷球型
- 油气润滑-高速小球型
- 油气润滑-高速陶瓷球型
- 油气润滑-超高速小球型
- 油气润滑-超高速陶瓷球型
- 精密丝杠轴承
- 精密圆柱滚子轴承
- 调心球轴承
- 推力轴承
- 圆柱滚子轴承
- 圆锥滚子轴承
- 调心滚子轴承
- 交叉滚子轴承
- 超薄截面轴承
- 滚针轴承
- 滚轮轴承
- 关节轴承
- 直线运动
- 轴承附件

HS7007ETP4DU轴承
类型:【超高精密轴承 - 精密角接触球轴承】
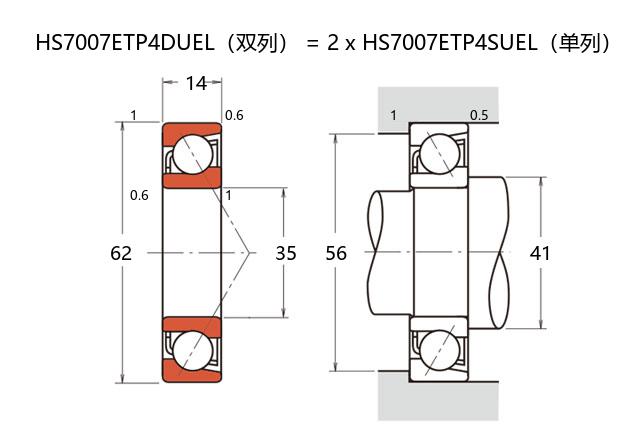
基本尺寸:内径:35 mm,外径:62 mm,厚度:28 mm。
价格区间:¥ - ¥416.59【详情】
前缀列表:【H:高转速】【S:小球型】后缀列表:【E:接触角 25°】【T:聚酰胺尼龙保持架】【P4:P4 级精度】【DU:两个万能组合】
HS7007ETP4DU是一款超高精密角接触球轴承,其内径为35毫米,外径为62毫米,厚度为28毫米。该型号属于高速小球型设计,适用于对转速和精度有较高要求的场合。其结构特点包括优化的滚道几何形状和较小的钢球直径,有助于降低高速运转时的离心力,提升动态性能。
在材料与工艺方面,该轴承通常采用高品质钢材制造,并经过特殊热处理,以增强硬度和耐磨性。保持架设计注重轻量化和稳定性,有助于减少高速下的振动和噪音。润滑条件经过优化,可在长期运行中维持较低的温升。
此类轴承常见于精密机床主轴、高速电主轴以及测量仪器等设备中,能够支持较高的轴向和径向负荷。其设计兼顾了刚性与精度,适应中等负载下的连续运转。安装时需注意配合公差和预紧力调整,以确保性能发挥。在适当维护下,这类轴承可表现出较长的使用寿命和稳定的运行精度。
H
S
7
0
0
7
E
T
P
4
D
U
H:高转速
S:小球型
7:精密角接触球轴承
0:尺寸系列:超轻 10 系列
07:内径:35 mm
E:接触角 25°
T:聚酰胺尼龙保持架
P4:P4 级精度
DU:两个万能组合
H:
高转速
S:
小球型
7:
精密角接触球轴承
0:
尺寸系列:超轻 10 系列
07:
内径:35 mm
E:
接触角 25°
T:
聚酰胺尼龙保持架
P4:
P4 级精度
DU:
两个万能组合
公称型号 | ||
高速小球型 | HS7007ETP4DU | |
主要尺寸(mm) | ||
内径 | d | 35 |
外径 | D | 62 |
厚度(单列) | B | 14 |
厚度(多列) | T | 28 |
倒角尺寸 | r(min) | 1 |
倒角尺寸 | r1(min) | 0.6 |
额定载荷(KN) | ||
基本额定动载荷 | Cr | 19.4 |
基本额定静载荷 | C0r | 13.7 |
极限载荷(KN) | ||
轴向-单个 | 12 | |
接触角 | ||
度 | ° | 25 |
系数 | ||
fo | ? | |
作用点(mm) | ||
a | 18.2 | |
限制速度(rpm) | ||
脂润滑 | Grease | 24800 |
油润滑 | Oil | 35100 |
安装尺寸(mm) | ||
da(min) | 41 | |
Da(max) | 56 | |
Db(max) | 57 | |
ra(max) | 1 | |
rb(max) | 0.5 | |
预紧力(N)-DU/DB/DF | ||
微预紧 | EL | 49 |
轻预紧 | L | 237 |
中预紧 | M | 474 |
重预紧 | H | - |
轴承刚度(N/μm)-DU/DB/DF | ||
微预紧 | EL | 68 |
轻预紧 | L | 118 |
中预紧 | M | 153 |
重预紧 | H | - |
测量轴向游隙(μm) | ||
微预紧 | EL | 0 |
轻预紧 | L | -8 |
中预紧 | M | -15 |
重预紧 | H | - |
轴承组合 | ||
方式 | 万能 | |
列数 | 2 | |
重量(Kg) | ||
0.328 |

商品 | 品牌 | 主要尺寸 | 发货仓 | 产地 | 库存 | 含税单价 | VIP价 | 操作 |
HRB 7007ACETA/P4ADB轴承 |
HRB | 0 | ¥0 | |||||
HRB 7007CETA/P4ADBA轴承 角接触球轴承-高速小球型 |
HRB | 35 X 62 X 28 | 华东 | 哈尔滨 | 200 | 397.36 | ¥320.45 | |
HRB 7007CETA/P4ADBB轴承 角接触球轴承-高速小球型 |
HRB | 35 X 62 X 28 | 华东 | 哈尔滨 | 200 | 378.13 | ¥320.45 | |
HRB 7007CETA/P4DBA轴承 角接触球轴承-高速小球型 |
HRB | 35 X 62 X 28 | 华东 | 哈尔滨 | 200 | 330.21 | ¥264.17 | |
HRB 7007CETA/P4DBB轴承 角接触球轴承-高速小球型 |
HRB | 35 X 62 X 28 | 华东 | 哈尔滨 | 200 | 322.29 | ¥264.17 | |
篇幅有限,仅显示五条,更多可点击:搜索,或者:深度搜索 |