产品分类
- 深沟球轴承
- 角接触球轴承
- 超高精密轴承
- 精密角接触球轴承
- 标准型
- 标准密封型-S
- 陶瓷球标准型-C
- 陶瓷球密封型-CS
- 高速小球型-HS
- 小球密封型-HSS
- 陶瓷小球型-HC
- 陶瓷小球密封型-HCS
- 超高速陶瓷球型-XC
- 超高速陶瓷球密封型-XCS
- 超高速小球型-XS
- 超高速小球密封型-XSS
- 油气润滑-标准钢球型
- 油气润滑-标准陶瓷球型
- 油气润滑-高速小球型
- 油气润滑-高速陶瓷球型
- 油气润滑-超高速小球型
- 油气润滑-超高速陶瓷球型
- 精密丝杠轴承
- 精密圆柱滚子轴承
- 调心球轴承
- 推力轴承
- 圆柱滚子轴承
- 圆锥滚子轴承
- 调心滚子轴承
- 交叉滚子轴承
- 超薄截面轴承
- 滚针轴承
- 滚轮轴承
- 关节轴承
- 直线运动
- 轴承附件

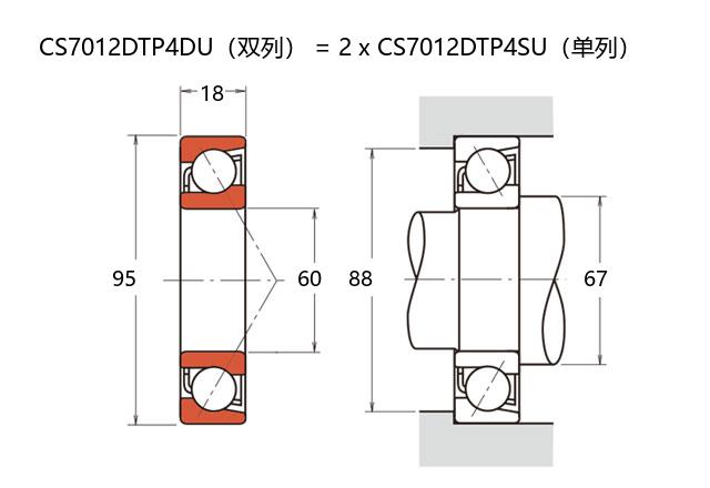
CS7012DTP4DU轴承
类型:【超高精密轴承 - 精密角接触球轴承】
基本尺寸:内径:60 mm,外径:95 mm,厚度:36 mm。
价格区间:¥0 - ¥0【详情】
前缀列表:【C:陶瓷球】【S:密封型】后缀列表:【D:20° 接触角】【T:尼龙保持架】【P4:ISO 4级精度】【DU:两个万能组合】
C
S
7
0
1
2
D
T
P
4
D
U
C:陶瓷球
S:密封型
7:精密角接触球轴承
0:尺寸系列:超轻 10 系列
12:内径:60 mm
D:20° 接触角
T:尼龙保持架
P4:ISO 4级精度
DU:两个万能组合
C:
陶瓷球
S:
密封型
7:
精密角接触球轴承
0:
尺寸系列:超轻 10 系列
12:
内径:60 mm
D:
20° 接触角
T:
尼龙保持架
P4:
ISO 4级精度
DU:
两个万能组合
公称型号 | ||
标准陶瓷球密封型 | CS7012DTP4DU | |
主要尺寸(mm) | ||
内径 | d | 60 |
外径 | D | 95 |
厚度(单列) | B | 18 |
厚度(多列) | T | 36 |
倒角尺寸 | r(min) | 1.1 |
倒角尺寸 | r1(min) | 0.6 |
额定载荷(KN) | ||
基本额定动载荷 | Cr | 68 |
基本额定静载荷 | C0r | 56.2 |
极限载荷(KN) | ||
轴向-单个 | - | |
接触角 | ||
度 | ° | 20 |
系数 | ||
fo | - | |
作用点(mm) | ||
a | - | |
限制速度(rpm) | ||
脂润滑 | Grease | 18400 |
油润滑 | Oil | - |
安装尺寸(mm) | ||
da(min) | 67 | |
Da(max) | 88 | |
Db(max) | 90 | |
ra(max) | 1 | |
rb(max) | 0.6 | |
预紧力(N)-DU/DB/DF | ||
微预紧 | EL | 102 |
轻预紧 | L | 208 |
中预紧 | M | 598 |
重预紧 | H | 1259 |
轴承刚度(N/μm)-DU/DB/DF | ||
微预紧 | EL | 60 |
轻预紧 | L | 80 |
中预紧 | M | 128 |
重预紧 | H | 184 |
测量轴向游隙(μm) | ||
微预紧 | EL | -4 |
轻预紧 | L | -10 |
中预紧 | M | -25 |
重预紧 | H | -42 |
轴承组合 | ||
方式 | 万能 | |
列数 | 2 | |
重量(Kg) | ||
0.708 |

商品 | 品牌 | 主要尺寸 | 发货仓 | 产地 | 库存 | 含税单价 | VIP价 | 操作 |