产品分类
- 深沟球轴承
- 角接触球轴承
- 超高精密轴承
- 精密角接触球轴承
- 标准型
- 标准密封型-S
- 陶瓷球标准型-C
- 陶瓷球密封型-CS
- 高速小球型-HS
- 小球密封型-HSS
- 陶瓷小球型-HC
- 陶瓷小球密封型-HCS
- 超高速陶瓷球型-XC
- 超高速陶瓷球密封型-XCS
- 超高速小球型-XS
- 超高速小球密封型-XSS
- 油气润滑-标准钢球型
- 油气润滑-标准陶瓷球型
- 油气润滑-高速小球型
- 油气润滑-高速陶瓷球型
- 油气润滑-超高速小球型
- 油气润滑-超高速陶瓷球型
- 精密丝杠轴承
- 精密圆柱滚子轴承
- 调心球轴承
- 推力轴承
- 圆柱滚子轴承
- 圆锥滚子轴承
- 调心滚子轴承
- 交叉滚子轴承
- 超薄截面轴承
- 滚针轴承
- 滚轮轴承
- 关节轴承
- 直线运动
- 轴承附件

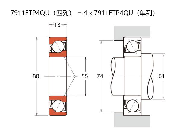
7911ETP4QU轴承
类型:【超高精密轴承 - 精密角接触球轴承】
基本尺寸:内径:55 mm,外径:80 mm,厚度:52 mm。
价格区间:¥4630.5 - ¥7366.45【详情】
后缀列表:【E:接触角 25°】【T:尼龙保持架】【P4:ISO 4级精度】【QU:四列万能配对】
7
9
1
1
E
T
P
4
Q
U
7:精密角接触球轴承
9:尺寸系列:超轻 19 系列
11:内径:55 mm
E:接触角 25°
T:尼龙保持架
P4:ISO 4级精度
QU:四列万能配对
7:
精密角接触球轴承
9:
尺寸系列:超轻 19 系列
11:
内径:55 mm
E:
接触角 25°
T:
尼龙保持架
P4:
ISO 4级精度
QU:
四列万能配对
公称型号 | ||
标准钢球型 | 7911ETP4QU | |
主要尺寸(mm) | ||
内径 | d | 55 |
外径 | D | 80 |
厚度(单列) | B | 13 |
厚度(多列) | T | 52 |
倒角尺寸 | r(min) | 1 |
倒角尺寸 | r1(min) | 0.6 |
额定载荷(KN) | ||
基本额定动载荷 | Cr | 76 |
基本额定静载荷 | C0r | 67.2 |
极限载荷(KN) | ||
轴向-单个 | 12.5 | |
接触角 | ||
度 | ° | 25 |
系数 | ||
fo | - | |
作用点(mm) | ||
a | 22.2 | |
限制速度(rpm) | ||
脂润滑 | Grease | 14900 |
油润滑 | Oil | 22300 |
安装尺寸(mm) | ||
da(min) | 61 | |
Da(max) | 74 | |
Db(max) | 75 | |
ra(max) | 1 | |
rb(max) | 0.5 | |
预紧力(N)-DU/DB/DF | ||
微预紧 | EL | 99 |
轻预紧 | L | 196 |
中预紧 | M | 454 |
重预紧 | H | 917 |
轴承刚度(N/μm)-DU/DB/DF | ||
微预紧 | EL | 113 |
轻预紧 | L | 144 |
中预紧 | M | 198 |
重预紧 | H | 264 |
测量轴向游隙(μm) | ||
微预紧 | EL | -2 |
轻预紧 | L | -5 |
中预紧 | M | -11 |
重预紧 | H | -19 |
轴承组合 | ||
方式 | 万能 | |
列数 | 4 | |
重量(Kg) | ||
0.736 |

商品 | 品牌 | 主要尺寸 | 发货仓 | 产地 | 库存 | 含税单价 | VIP价 | 操作 |
SKF 71911 ACD/P4AQGC轴承 超精密角接触球轴承D设计 |
SKF | 55 X 80 X 52 | 华东 | 意大利 | 4 | 5741.82 | ¥4630.5 | |
FAG B71911-E-T-P4S-QUL轴承 超精密角接触球轴承 |
FAG | 55 X 80 X 52 | 海外 | 5 | 7366.45 | ¥5666.5 | ||