产品分类

3316轴承是一款双列角接触球轴承,属于常见的3000系列。其结构设计具有对称的滚道和双列滚动体,能够同时承受径向负荷和双向的轴向负荷,并具备一定的调心能力,有助于补偿因安装误差或轴挠曲引起的不对中情况。
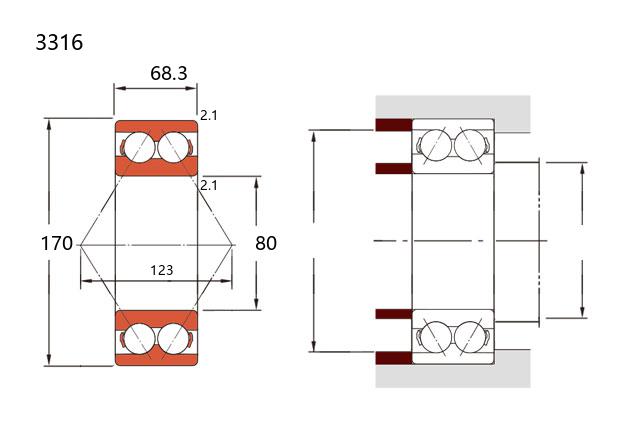
该轴承的基本尺寸为内径80毫米,外径170毫米,厚度68.3毫米。这种尺寸配置使其在设计中能够提供较高的刚性承载能力。双列角接触球轴承通常适用于需要承受联合负荷且要求结构紧凑的场合,例如中型机床的主轴支承、各类齿轮箱、传动装置以及一些工业泵和减速器中。
与单列角接触球轴承相比,3316这类双列设计简化了安装结构,通常无需进行预紧调整。其性能特点使其在中等转速、需要一定运行精度的工业传动领域应用较多。用户在选型时需结合具体的负荷条件、转速要求及润滑环境进行综合评估。
3
3
1
6
3:双列角接触球轴承
3:尺寸系列:中窄 03 系列
16:内径:80 mm
3:
双列角接触球轴承
3:
尺寸系列:中窄 03 系列
16:
内径:80 mm
公称型号(3200/3300系列) | ||
开式 | 3316 | |
铁盖 | 3316-2Z | |
密封 | 3316-2RS | |
主要尺寸(mm) | ||
内径 | d | 80 |
外径 | D | 170 |
厚度 | B | 68.3 |
r(min) | 2.1 | |
额定载荷(KN) | ||
基本额定动载荷 | Cr | 176 |
基本额定静载荷 | Cor | 212 |
限制速度(rpm) | ||
脂润滑 | 3600 | |
油润滑 | 3950 | |
作用点 | ||
a0(mm) | 123 | |
安装尺寸(mm) | ||
da(min) | ||
Da(max) | ||
ra(max) | ||
重量(kg) | 7.26 |

商品 | 品牌 | 主要尺寸 | 发货仓 | 产地 | 库存 | 含税单价 | VIP价 | 操作 |
CALOX 3316轴承 3200/3300系列 |
CALOX | 80.00 X 170.00 X 68.30 | 华东 | 中国 | 1000 | 749.42 | ¥635.1 | |
HRB 3316ATN轴承 3200/3300系列 |
HRB | 80.00 X 170.00 X 68.30 | 华东 | 哈尔滨 | 40 | 546.88 | ¥405.1 | |
KOYO 3316FY轴承 双列角接触球轴承 |
KOYO | 80 X 170 X 68.3 | 华南 | 1 | 2724.67 | ¥2348.85 | ||
NSK 3316M轴承 3200/3300双列角接触球轴承 |
NSK | 80 X 170 X 68.3 | 华东 | 日本 | 1 | 3117.23 | ¥2783.24 | |
NTN 3316S轴承 双列角接触球 |
NTN | 80 X 170 X 68.3 | 华东 | 日本 | 2 | 1700.85 | ¥1339.25 | |
FAG 3316 N轴承 双列角接触球轴承 |
FAG | 80 X 170 X 68.3 | 华北 | 德国 | 2 | 1662.56 | ¥1433.24 | |