产品分类

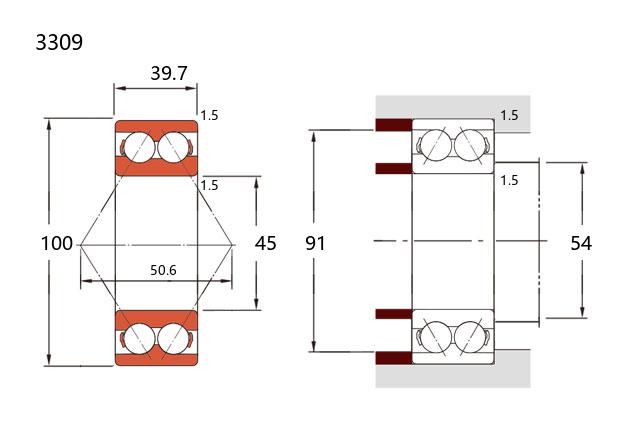
3309轴承是一款典型的双列角接触球轴承,属于3000系列。其结构设计能够同时承受径向负荷和双向的轴向负荷,具备较好的刚性及运行稳定性。该型号轴承的基本尺寸为内径45毫米,外径100毫米,厚度39.7毫米。
相较于单列角接触球轴承,双列设计省去了配对安装的环节,简化了轴承配置结构。它常被应用于中等转速、负荷条件相对复杂的旋转部位,例如传动轴、机床主轴、汽车车轮轮毂等场景。由于其接触角的设计,该轴承在支撑过程中能提供一定的力矩承受能力。
在选用时,需综合考虑实际工况下的转速要求、负荷大小与方向以及所需的精度等级。合理的安装与润滑对其使用寿命和性能表现有着重要影响。该型号轴承是许多工业设备传动与支撑系统中较为常见的一个基础部件。
3
3
0
9
3:双列角接触球轴承
3:尺寸系列:中窄 03 系列
09:内径:45 mm
3:
双列角接触球轴承
3:
尺寸系列:中窄 03 系列
09:
内径:45 mm
公称型号(3200/3300系列) | ||
开式 | 3309 | |
铁盖 | 3309-2Z | |
密封 | 3309-2RS | |
主要尺寸(mm) | ||
内径 | d | 45 |
外径 | D | 100 |
厚度 | B | 39.7 |
r(min) | 1.5 | |
额定载荷(KN) | ||
基本额定动载荷 | Cr | 71.1 |
基本额定静载荷 | Cor | 67.2 |
限制速度(rpm) | ||
脂润滑 | 4300 | |
油润滑 | 5600 | |
作用点 | ||
a0(mm) | 50.6 | |
安装尺寸(mm) | ||
da(min) | 54 | |
Da(max) | 91 | |
ra(max) | 1.5 | |
重量(kg) | 1.37 |

商品 | 品牌 | 主要尺寸 | 发货仓 | 产地 | 库存 | 含税单价 | VIP价 | 操作 |
CALOX 3309轴承 3200/3300系列 |
CALOX | 45.00 X 100.00 X 39.70 | 华东 | 中国 | 1000 | 167.12 | ¥133.7 | |
HRB 3309ANRTN轴承 3200/3300系列 |
HRB | 45.00 X 100.00 X 39.70 | 华东 | 哈尔滨 | 100 | 109.55 | ¥91.29 | |
NSK 3309B轴承 |
NSK | 0 | ¥0 | |||||
NTN 3309S轴承 双列角接触球 |
NTN | 45 X 100 X 39.7 | 华南 | 19 | 207.53 | ¥188.66 | ||
NSK 3309BTNG轴承 3200/3300双列角接触球轴承 |
NSK | 45 X 100 X 39.7 | 华东 | N-德国 | 27 | 366.99 | ¥313.67 | |
FAG 3309-BD轴承 双列角接触球轴承 |
FAG | 45 X 100 X 39.7 | 海外 | 5 | 810.9 | ¥693.08 | ||