产品分类

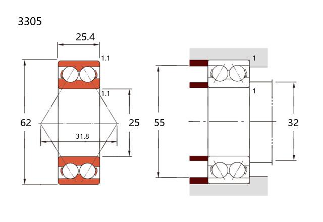
3305型轴承属于双列角接触球轴承中的3000系列。该型号轴承内径为25毫米,外径为62毫米,厚度为25.4毫米,其结构设计使其能够同时承受径向负荷和双向的轴向负荷。
与单列角接触球轴承相比,双列设计提供了更高的刚性及承载能力,特别适用于需要限制两个方向轴位移的场合。由于其接触角的设计,该轴承在运行中能形成稳定的载荷线,有助于维持轴的准确定位。
在应用方面,3305轴承常见于中等转速的工作环境,例如汽车变速箱、机床主轴、小型齿轮箱以及一些通用工业机械中。它能较好地适应有复合负荷要求的传动结构,为设备运行提供平稳的支撑。在安装时,通常建议采用成对预紧的方式,以优化其性能并延长使用寿命。
该系列轴承的选用需结合实际工况,综合考虑负荷、转速、精度要求及润滑条件等因素,以确保其在设备中发挥预期效能。
3
3
0
5
3:双列角接触球轴承
3:尺寸系列:中窄 03 系列
05:内径:25 mm
3:
双列角接触球轴承
3:
尺寸系列:中窄 03 系列
05:
内径:25 mm
公称型号(3200/3300系列) | ||
开式 | 3305 | |
铁盖 | 3305-2Z | |
密封 | 3305-2RS | |
主要尺寸(mm) | ||
内径 | d | 25 |
外径 | D | 62 |
厚度 | B | 25.4 |
r(min) | 1.1 | |
额定载荷(KN) | ||
基本额定动载荷 | Cr | 28.1 |
基本额定静载荷 | Cor | 22.9 |
限制速度(rpm) | ||
脂润滑 | 7500 | |
油润滑 | 10000 | |
作用点 | ||
a0(mm) | 31.8 | |
安装尺寸(mm) | ||
da(min) | 32 | |
Da(max) | 55 | |
ra(max) | 1 | |
重量(kg) | 0.35 |

商品 | 品牌 | 主要尺寸 | 发货仓 | 产地 | 库存 | 含税单价 | VIP价 | 操作 |
CALOX 3305轴承 3200/3300系列 |
CALOX | 25.00 X 62.00 X 25.40 | 华东 | 中国 | 1000 | 56.72 | ¥52.04 | |
HRB 3305ANRTN轴承 3200/3300系列 |
HRB | 25.00 X 62.00 X 25.40 | 华东 | 哈尔滨 | 100 | 47.61 | ¥35.27 | |
KOYO 3305轴承 双列角接触球轴承 |
KOYO | 25 X 62 X 25.4 | 华南 | 日本 | 31 | 122.4 | ¥100.33 | |
NSK 3305B轴承 |
NSK | 0 | ¥0 | |||||
NTN 3305S轴承 双列角接触球 |
NTN | 25 X 62 X 25.4 | 华东 | 日本 | 201 | 135.7 | ¥105.19 | |
NSK 3305BTNGC3轴承 3200/3300双列角接触球轴承 |
NSK | 25 X 62 X 25.4 | 华东 | 德国 | 1 | 179.57 | ¥141.39 | |
NTN 3305S JP 30X1轴承 双列角接触球 |
NTN | 25 X 62 X 25.4 | 华东 | JP-JAPAN | 14 | 125.91 | ¥96.85 | |
FAG 3305-BD-TVH轴承 双列角接触球轴承 |
FAG | 25 X 62 X 25.4 | 华南 | 进口产地 | 10 | 176.58 | ¥160.53 | |