产品分类

3305-2Z轴承
类型:【角接触球轴承 - 双列角接触球轴承】
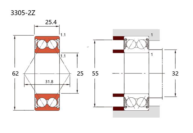
基本尺寸:内径:25 mm,外径:62 mm,厚度:25.4 mm。
价格区间:¥34.28 - ¥468.52【详情】
后缀列表:【-2Z:双面带钢质防尘盖】
3305-2Z是一款双列角接触球轴承,属于常见的3000系列。其基本尺寸为内径25毫米、外径62毫米、厚度25.4毫米。该结构设计能够同时承受径向负荷和双向的轴向负荷,并具备一定的调心能力,有助于补偿因安装误差或轴挠曲引起的轻微不对中。
轴承后缀“2Z”表示其两侧带有防尘盖(ZZ型),这种密封形式能有效防止污染物侵入,保持内部润滑脂的清洁,通常在一般工况下无需频繁补充润滑,有助于延长维护周期。双列角接触球轴承的结构紧凑,刚性较好,适用于中等转速和负荷的场合。
在应用方面,3305-2Z常见于变速箱、电机、泵类设备、传动轴及小型机床主轴等需要双向轴向定位或承受联合负荷的旋转部件中。其性能特点使其在要求结构紧凑且具备一定负荷能力的机械设计中具有一定的适用性。选型时仍需结合具体工况条件进行综合评估。
3
3
0
5
-
2
Z
3:双列角接触球轴承
3:尺寸系列:中窄 03 系列
05:内径:25 mm
-2Z:双面带钢质防尘盖
3:
双列角接触球轴承
3:
尺寸系列:中窄 03 系列
05:
内径:25 mm
-2Z:
双面带钢质防尘盖
公称型号(3200/3300系列) | ||
开式 | 3305 | |
铁盖 | 3305-2Z | |
密封 | 3305-2RS | |
主要尺寸(mm) | ||
内径 | d | 25 |
外径 | D | 62 |
厚度 | B | 25.4 |
r(min) | 1.1 | |
额定载荷(KN) | ||
基本额定动载荷 | Cr | 28.1 |
基本额定静载荷 | Cor | 22.9 |
限制速度(rpm) | ||
脂润滑 | 7500 | |
油润滑 | 10000 | |
作用点 | ||
a0(mm) | 31.8 | |
安装尺寸(mm) | ||
da(min) | 32 | |
Da(max) | 55 | |
ra(max) | 1 | |
重量(kg) | 0.35 |

商品 | 品牌 | 主要尺寸 | 发货仓 | 产地 | 库存 | 含税单价 | VIP价 | 操作 |
CALOX 3305-2Z轴承 3200/3300系列 |
CALOX | 25.00 X 62.00 X 25.40 | 华东 | 中国 | 1000 | 73.26 | ¥55.5 | |
HRB 3305A-2ZTN轴承 3200/3300系列 |
HRB | 25.00 X 62.00 X 25.40 | 华东 | 哈尔滨 | 100 | 45.15 | ¥35.27 | |
NSK 3305B-2ZRTNG轴承 3200/3300双列角接触球轴承 |
NSK | 25 X 62 X 25.4 | 华东 | 德国 | 393 | 217.92 | ¥171.59 | |
FAG 3305B.2ZR.TVH轴承 双列角接触球轴承 |
FAG | 25 X 62 X 25.4 | 华南 | 13 | 208.23 | ¥163.96 | ||
HRB 3305A-2ZTN/P5轴承 3200/3300系列 |
HRB | 25.00 X 62.00 X 25.40 | 华东 | 哈尔滨 | 100 | 194.14 | ¥170.3 | |
篇幅有限,仅显示五条,更多可点击:搜索,或者:深度搜索 |