产品分类

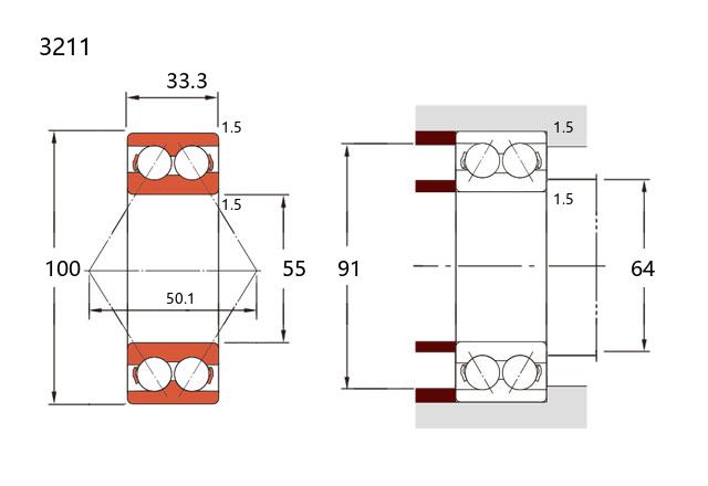
3211轴承属于双列角接触球轴承中的3000系列,其结构设计能够同时承受径向负荷和双向的轴向负荷。该型号的基本尺寸为内径55毫米、外径100毫米、厚度33.3毫米。双列角接触球轴承是将两个单列轴承的结构进行一体化整合,因此具有较好的刚性,能够承受倾覆力矩。其接触角设计使轴承在运转时具有良好的高速性能。
在应用方面,3211轴承常见于中等负荷、要求一定运行精度的场合,例如汽车的车轮轮毂、中小型机床的主轴支撑、各类传动机构以及需要双向轴向定位的工业泵等设备中。这类轴承的安装和调整相对于两个单列轴承的组合更为简便,有助于简化主机结构设计。
与单列角接触球轴承相比,双列设计带来了更高的负荷容量和稳定性,但其极限转速通常略低。在实际选型时,需综合考虑工作载荷、转速范围以及所需的精度等级。该系列轴承是许多工业传动与旋转应用中的一种常见选择。
3
2
1
1
3:双列角接触球轴承
2:尺寸系列:轻窄 02 系列
11:内径:55 mm
3:
双列角接触球轴承
2:
尺寸系列:轻窄 02 系列
11:
内径:55 mm
公称型号(3200/3300系列) | ||
开式 | 3211 | |
铁盖 | 3211-2Z | |
密封 | 3211-2RS | |
主要尺寸(mm) | ||
内径 | d | 55 |
外径 | D | 100 |
厚度 | B | 33.3 |
r(min) | 1.5 | |
额定载荷(KN) | ||
基本额定动载荷 | Cr | 58.7 |
基本额定静载荷 | Cor | 53.8 |
限制速度(rpm) | ||
脂润滑 | 4300 | |
油润滑 | 5600 | |
作用点 | ||
a0(mm) | 50.1 | |
安装尺寸(mm) | ||
da(min) | 64 | |
Da(max) | 91 | |
ra(max) | 1.5 | |
重量(kg) | 1.01 |

商品 | 品牌 | 主要尺寸 | 发货仓 | 产地 | 库存 | 含税单价 | VIP价 | 操作 |
CALOX 3211轴承 3200/3300系列 |
CALOX | 55.00 X 100.00 X 33.30 | 华东 | 中国 | 1000 | 123.32 | ¥107.24 | |
HRB 3211ANRTN轴承 3200/3300系列 |
HRB | 55.00 X 100.00 X 33.30 | 华东 | 哈尔滨 | 100 | 76.05 | ¥63.91 | |
KOYO 3211轴承 双列角接触球轴承 |
KOYO | 55 X 100 X 33.3 | 华南 | 日本 | 1 | 238.73 | ¥205.8 | |
NSK 3211B轴承 |
NSK | 0 | ¥0 | |||||
NTN 3211S轴承 双列角接触球 |
NTN | 55 X 100 X 33.3 | 华东 | 日本 | 4 | 251.83 | ¥206.42 | |
NSK 3211BTNG轴承 3200/3300双列角接触球轴承 |
NSK | 55 X 100 X 33.3 | 华东 | 德国 | 31 | 348.98 | ¥306.12 | |
FAG 3211-BD-C3轴承 双列角接触球轴承 |
FAG | 55 X 100 X 33.3 | 海外 | 9 | 748.74 | ¥608.73 | ||