产品分类

AC7816ACSN轴承
类型:【角接触球轴承 - 角接触球轴承】
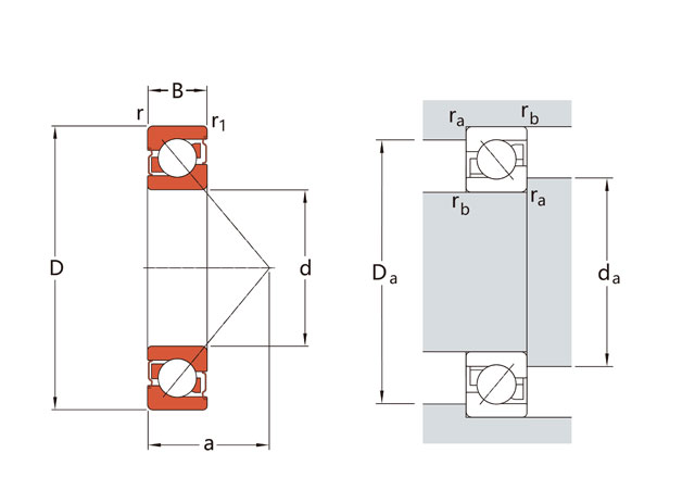
基本尺寸:内径:80 mm,外径:100 mm,厚度:10 mm。
价格区间:¥0 - ¥0【详情】
前缀列表:【AC:全陶瓷材质】后缀列表:【AC:25° 接触角】【SN:氮化硅(Si3N4)材质】
AC7816ACSN是一款全陶瓷角接触球轴承,其内径为80毫米,外径100毫米,厚度10毫米。该轴承属于AC7000系列,设计上能够同时承受径向负荷和轴向负荷,适用于高转速或存在轴向力的工况。
该型号的显著特点在于其滚动体与内外圈均由氮化硅陶瓷材料制造。氮化硅具有密度低、硬度高、耐磨损、绝缘及耐腐蚀等特性。这些材料特性使得轴承在运转时惯性较小,有助于降低启动扭矩并在高速条件下保持稳定。此外,陶瓷材质赋予了轴承在润滑不良或存在轻微污染物的苛刻环境中仍能维持一定工作性能的潜力,并表现出一定的抗热膨胀稳定性。
基于其结构特点和材料优势,AC7816ACSN轴承常被考虑应用于对重量、转速、耐腐蚀性或绝缘性能有特定要求的领域,例如某些精密机床主轴、高速电机或特殊环境下的传动系统。在实际选用时,需结合具体的负荷条件、转速范围及工作环境进行综合评估。
A
C
7
8
1
6
A
C
S
N
AC:全陶瓷材质
7:角接触球轴承
8:尺寸系列:超轻 18 系列
16:内径:80 mm
AC:25° 接触角
SN:氮化硅(Si3N4)材质
AC:
全陶瓷材质
7:
角接触球轴承
8:
尺寸系列:超轻 18 系列
16:
内径:80 mm
AC:
25° 接触角
SN:
氮化硅(Si3N4)材质
公称型号 | ||
全陶瓷型 | AC7816ACSN | |
主要尺寸(mm) | ||
内径 | d | 80 |
外径 | D | 100 |
厚度 | B | 10 |
r(min) | 0.6 | |
r1(min) | 0.3 | |
接触角 | ||
α(度) | 25° | |
额定载荷(KN) | ||
基本额定动载荷 | Cr | 13.8 |
基本额定静载荷 | Cor | 17 |
系数 | ||
f0 | ||
限制速度(rpm) | ||
脂润滑 | 6000 | |
油润滑 | ||
载荷中心(mm) | ||
a(单列) | 26 | |
安装尺寸(mm) | ||
da(min) | 83.2 | |
Da(max) | 96.8 | |
ra(max) | 0.6 | |
db(min) | 98 | |
Db(max) | ||
rb(max) | 0.3 | |
材质 | ||
套圈 | Si3N4 | |
滚动体 | Si3N4 | |
保持架 | PEEK/PTFE/PA66 | |
重量(kg) | ||
单列 | 0.06 |

商品 | 品牌 | 主要尺寸 | 发货仓 | 产地 | 库存 | 含税单价 | VIP价 | 操作 |