产品分类

AC7020CSN轴承
类型:【角接触球轴承 - 角接触球轴承】
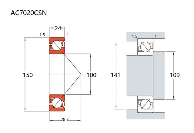
基本尺寸:内径:100 mm,外径:150 mm,厚度:24 mm。
价格区间:¥0 - ¥0【详情】
前缀列表:【AC:全陶瓷材质】后缀列表:【C:接触角 15°】【SN:氮化硅(Si3N4)材质】
AC7020CSN是一款高性能全陶瓷角接触球轴承,其内径为100毫米,外径为150毫米,厚度为24毫米。该轴承属于AC7000系列,其内外圈及滚动体均采用氮化硅(Si3N4)陶瓷材料制造。
氮化硅陶瓷赋予了该轴承一系列优良的材料特性,例如较低的密度、较高的硬度和出色的耐腐蚀性。这些特性有助于轴承在高速运转时显著降低离心力,减少滚动体的磨损,并能在一定程度上抵抗某些化学介质的侵蚀。同时,陶瓷材料具有自润滑性,可在润滑条件受限或要求洁净的工况下维持运转。由于材料的热膨胀系数较低,轴承在温差变化较大的环境中能表现出相对稳定的配合间隙。
此类轴承常见于对转速、温升及耐腐蚀性有较高要求的应用场景,例如高速主轴、精密机床及一些特殊工业设备中。它的设计能够承受径向和轴向联合载荷,适用于需要较高刚性和运转精度的场合。需要注意的是,陶瓷材料的抗冲击韧性通常低于高性能轴承钢,因此在存在剧烈冲击载荷的工况下应审慎评估其适用性。
A
C
7
0
2
0
C
S
N
AC:全陶瓷材质
7:角接触球轴承
0:尺寸系列:超轻 10 系列
20:内径:100 mm
C:接触角 15°
SN:氮化硅(Si3N4)材质
AC:
全陶瓷材质
7:
角接触球轴承
0:
尺寸系列:超轻 10 系列
20:
内径:100 mm
C:
接触角 15°
SN:
氮化硅(Si3N4)材质
公称型号 | ||
全陶瓷型 | AC7020CSN | |
主要尺寸(mm) | ||
内径 | d | 100 |
外径 | D | 150 |
厚度 | B | 24 |
r(min) | 1.5 | |
r1(min) | 1 | |
接触角 | ||
α(度) | 15° | |
额定载荷(KN) | ||
基本额定动载荷 | Cr | 61.2 |
基本额定静载荷 | Cor | 63.6 |
系数 | ||
f0 | 16 | |
限制速度(rpm) | ||
脂润滑 | 3500 | |
油润滑 | 4700 | |
载荷中心(mm) | ||
a(单列) | 28.7 | |
安装尺寸(mm) | ||
da(min) | 109 | |
Da(max) | 141 | |
ra(max) | 1.5 | |
db(min) | — | |
Db(max) | 144 | |
rb(max) | 1 | |
材质 | ||
套圈 | Si3N4 | |
滚动体 | Si3N4 | |
保持架 | PEEK/PTFE/PA66 | |
重量(kg) | ||
单列 | 0.54 |

商品 | 品牌 | 主要尺寸 | 发货仓 | 产地 | 库存 | 含税单价 | VIP价 | 操作 |