产品分类

P7813AC轴承
类型:【角接触球轴承 - 角接触球轴承】
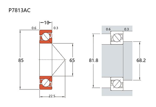
基本尺寸:内径:65 mm,外径:85 mm,厚度:10 mm。
价格区间:¥0 - ¥0【详情】
前缀列表:【P:工程塑料材质】后缀列表:【AC:25° 接触角】
P7813AC型轴承属于P7000系列塑料型角接触球轴承。该系列轴承的主要结构特点在于其采用工程塑料材质的外圈、保持架等组件,与传统的全金属轴承相比,在特定应用场景下展现出不同的性能特点。
从基本尺寸来看,该轴承内径为65毫米,外径为85毫米,厚度为10毫米,属于截面高度较薄的轻系列设计。这种紧凑的结构使其适用于对空间有严格限制的安装部位。
在性能上,角接触球轴承的设计使其能够同时承受径向载荷和一定方向的轴向载荷。P7813AC塑料型轴承在具备此类基本承载能力的同时,由于部分组件采用工程塑料,可能表现出一定的耐腐蚀性、重量轻或运行噪音较低的特点。这类特性使其在一些需要避免金属污染、减轻整体重量或存在腐蚀性介质的环境中有应用潜力。
在应用范围方面,此类轴承常见于一些对材料有特殊要求或工况相对温和的领域,例如一些轻型传动机构、仪器仪表或特定的非重载工业设备中。其具体适用性需结合实际的载荷、转速、温度及介质条件进行综合评估。
P
7
8
1
3
A
C
P:工程塑料材质
7:角接触球轴承
8:尺寸系列:超轻 18 系列
13:内径:65 mm
AC:25° 接触角
P:
工程塑料材质
7:
角接触球轴承
8:
尺寸系列:超轻 18 系列
13:
内径:65 mm
AC:
25° 接触角
公称型号 | ||
塑料型 | P7813AC | |
主要尺寸(mm) | ||
内径 | d | 65 |
外径 | D | 85 |
厚度 | B | 10 |
r(min) | 0.6 | |
r1(min) | 0.3 | |
接触角 | ||
α(度) | 25° | |
额定载荷(KN) | ||
基本额定动载荷 | Cr | |
基本额定静载荷 | Cor | |
系数 | ||
f0 | ||
限制速度(rpm) | ||
脂润滑 | ||
油润滑 | ||
载荷中心(mm) | ||
a(单列) | 22.5 | |
安装尺寸(mm) | ||
da(min) | 68.2 | |
Da(max) | 81.8 | |
ra(max) | 0.6 | |
db(min) | 83 | |
Db(max) | ||
rb(max) | 0.3 | |
材质 | Plastic | |
重量(kg) | ||
单列 | 2.268 |

商品 | 品牌 | 主要尺寸 | 发货仓 | 产地 | 库存 | 含税单价 | VIP价 | 操作 |