产品分类

P7312C轴承
类型:【角接触球轴承 - 角接触球轴承】
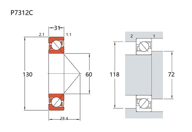
基本尺寸:内径:60 mm,外径:130 mm,厚度:31 mm。
价格区间:¥0 - ¥0【详情】
前缀列表:【P:工程塑料材质】后缀列表:【C:接触角 15°】
P7312C是一款角接触球轴承,其结构属于P7000塑料型系列。该型号轴承的基本尺寸为内径60毫米,外径130毫米,厚度31毫米。在材质方面,其主要组件采用工程塑料制造,例如保持架可能选用聚合物材料,这种设计有助于在特定运行条件下减轻轴承整体重量并降低摩擦系数。
该轴承的设计使其能够同时承受径向负荷和轴向负荷,且通常以特定的接触角来优化轴向负荷的承载能力。由于塑料材质的应用,它可能在一些对防腐蚀、绝缘或非磁性有要求的工况下表现出适应性,例如在潮湿环境或某些电气设备中。
在应用层面,P7312C轴承常见于对重量和运行阻力较为敏感的场合,如一些轻型传动系统或辅助设备。选用时需结合实际的负荷条件、转速范围以及工作温度等因素进行综合评估,以确保其性能与设备需求相匹配。
P
7
3
1
2
C
P:工程塑料材质
7:角接触球轴承
3:尺寸系列:中窄 03 系列
12:内径:60 mm
C:接触角 15°
P:
工程塑料材质
7:
角接触球轴承
3:
尺寸系列:中窄 03 系列
12:
内径:60 mm
C:
接触角 15°
公称型号 | ||
塑料型 | P7312C | |
主要尺寸(mm) | ||
内径 | d | 60 |
外径 | D | 130 |
厚度 | B | 31 |
r(min) | 2.1 | |
r1(min) | 1.1 | |
接触角 | ||
α(度) | 15° | |
额定载荷(KN) | ||
基本额定动载荷 | Cr | |
基本额定静载荷 | Cor | |
系数 | ||
f0 | 13.4 | |
限制速度(rpm) | ||
脂润滑 | ||
油润滑 | ||
载荷中心(mm) | ||
a(单列) | 28.4 | |
安装尺寸(mm) | ||
da(min) | 72 | |
Da(max) | 118 | |
ra(max) | 2 | |
db(min) | 67 | |
Db(max) | 123 | |
rb(max) | 1 | |
材质 | Plastic | |
重量(kg) | ||
单列 | 0.3087 |

商品 | 品牌 | 主要尺寸 | 发货仓 | 产地 | 库存 | 含税单价 | VIP价 | 操作 |