产品分类

P726AC轴承
类型:【角接触球轴承 - 角接触球轴承】
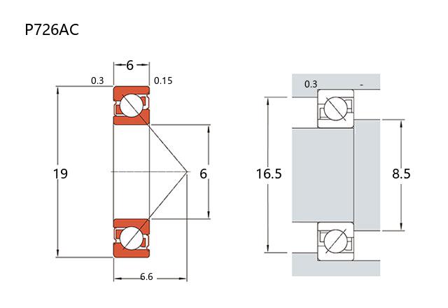
基本尺寸:内径:6 mm,外径:19 mm,厚度:6 mm。
价格区间:¥0 - ¥0【详情】
前缀列表:【P:工程塑料材质】后缀列表:【AC:25° 接触角】
P726AC型轴承属于P7000系列塑料型角接触球轴承。该系列轴承的主要结构特点是其套圈采用工程塑料制造,保持架通常也由同类或兼容的聚合物材料制成。其基本尺寸为内径6毫米,外径19毫米,厚度6毫米。
这类轴承的设计结合了角接触球轴承的特点与工程塑料的材料优势。角接触球轴承能够同时承受径向载荷和单向的轴向载荷,其接触角设计使得它适用于承受复合载荷的工况。而采用工程塑料套圈,使其在具有腐蚀性的环境或需要避免金属污染的应用场合中表现出良好的适应性,例如在医疗设备、食品加工或某些化学工业领域。塑料材质也赋予了轴承一定的自润滑性和轻量化特点。
需要注意的是,工程塑料的机械性能与耐温范围通常与金属材料存在差异,因此在实际选型时,需结合具体的载荷、转速、工作温度及介质条件进行综合评估,以确保其性能满足应用要求。该型号轴承为特定应用需求提供了一种可行的解决方案。
P
7
2
6
A
C
P:工程塑料材质
7:角接触球轴承
2:尺寸系列:轻窄 02 系列
6:内径代号,内径:6 mm
AC:25° 接触角
P:
工程塑料材质
7:
角接触球轴承
2:
尺寸系列:轻窄 02 系列
6:
内径代号,内径:6 mm
AC:
25° 接触角
公称型号 | ||
塑料型 | P726AC | |
主要尺寸(mm) | ||
内径 | d | 6 |
外径 | D | 19 |
厚度 | B | 6 |
r(min) | 0.3 | |
r1(min) | 0.15 | |
接触角 | ||
α(度) | 25° | |
额定载荷(KN) | ||
基本额定动载荷 | Cr | |
基本额定静载荷 | Cor | |
系数 | ||
f0 | - | |
限制速度(rpm) | ||
脂润滑 | ||
油润滑 | ||
载荷中心(mm) | ||
a(单列) | 6.6 | |
安装尺寸(mm) | ||
da(min) | 8.5 | |
Da(max) | 16.5 | |
ra(max) | 0.3 | |
db(min) | ||
Db(max) | - | |
rb(max) | - | |
材质 | Plastic | |
重量(kg) | ||
单列 | 0.144 |

商品 | 品牌 | 主要尺寸 | 发货仓 | 产地 | 库存 | 含税单价 | VIP价 | 操作 |