产品分类

P7215C轴承
类型:【角接触球轴承 - 角接触球轴承】
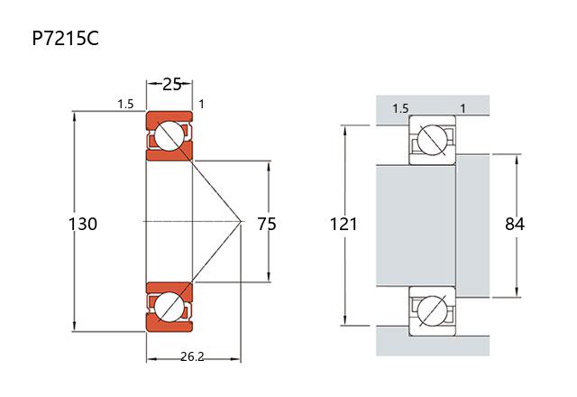
基本尺寸:内径:75 mm,外径:130 mm,厚度:25 mm。
价格区间:¥0 - ¥0【详情】
前缀列表:【P:工程塑料材质】后缀列表:【C:接触角 15°】
P7215C型轴承属于角接触球轴承系列中的P7000塑料保持架类型。其基本尺寸为内径75毫米,外径130毫米,厚度25毫米。这类轴承的设计特点在于能够同时承受径向载荷和轴向载荷,其接触角的设计使得它特别适合于承受联合载荷或纯轴向载荷的场合。
该型号采用工程塑料保持架,这一特点有助于在高速运转条件下减少摩擦和温升,并可能具备一定的耐腐蚀性。P7215C轴承常见于对转速和运转平稳性有一定要求的中等载荷应用场景,例如一些工业传动系统、电机或精密机械部件中。
在选择和使用时,需结合实际工况条件,如载荷大小与方向、转速范围及润滑方式等进行综合评估。正确的安装与定期维护对于保障其预期使用寿命和性能表现较为重要。不同制造商的产品在细节工艺和材料选择上可能存在差异,具体技术参数建议参考官方产品资料。
P
7
2
1
5
C
P:工程塑料材质
7:角接触球轴承
2:尺寸系列:轻窄 02 系列
15:内径:75 mm
C:接触角 15°
P:
工程塑料材质
7:
角接触球轴承
2:
尺寸系列:轻窄 02 系列
15:
内径:75 mm
C:
接触角 15°
公称型号 | ||
塑料型 | P7215C | |
主要尺寸(mm) | ||
内径 | d | 75 |
外径 | D | 130 |
厚度 | B | 25 |
r(min) | 1.5 | |
r1(min) | 1 | |
接触角 | ||
α(度) | 15° | |
额定载荷(KN) | ||
基本额定动载荷 | Cr | |
基本额定静载荷 | Cor | |
系数 | ||
f0 | 14.8 | |
限制速度(rpm) | ||
脂润滑 | ||
油润滑 | ||
载荷中心(mm) | ||
a(单列) | 26.2 | |
安装尺寸(mm) | ||
da(min) | 84 | |
Da(max) | 121 | |
ra(max) | 1.5 | |
db(min) | 81 | |
Db(max) | 124 | |
rb(max) | 1 | |
材质 | Plastic | |
重量(kg) | ||
单列 | 0.2136 |

商品 | 品牌 | 主要尺寸 | 发货仓 | 产地 | 库存 | 含税单价 | VIP价 | 操作 |