产品分类

P7209C轴承
类型:【角接触球轴承 - 角接触球轴承】
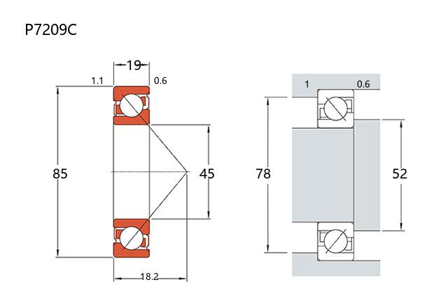
基本尺寸:内径:45 mm,外径:85 mm,厚度:19 mm。
价格区间:¥0 - ¥0【详情】
前缀列表:【P:工程塑料材质】后缀列表:【C:接触角 15°】
P7209C是一款塑料型角接触球轴承,属于P7000系列。该型号轴承的基本尺寸为内径45毫米,外径85毫米,厚度19毫米。相较于传统金属轴承,其保持架等关键部件采用工程塑料制造。
这种材料选择使轴承在某些特定工况下表现出优势。例如,在需要耐腐蚀的应用环境中,它能较好地抵抗水汽或部分化学介质的侵蚀。同时,工程塑料的自润滑特性有助于减少运行过程中的摩擦和温升,并在一些场合下降低运行噪音。
由于其角接触的设计,P7209C能够承受径向和轴向的联合载荷。它通常适用于轴向载荷要求不极高的场合,例如一些轻型传动结构、仪器仪表或低转速的旋转支撑部位。在一些对重量敏感或有绝缘要求的设备中,其非金属材料的特性也可能带来一定的适用性。
需要注意的是,其负载能力和极限转速一般会受材料特性影响,在实际选型时应参考详细的技术资料并结合具体工况进行评估,确保其性能参数满足应用需求。
P
7
2
0
9
C
P:工程塑料材质
7:角接触球轴承
2:尺寸系列:轻窄 02 系列
09:内径:45 mm
C:接触角 15°
P:
工程塑料材质
7:
角接触球轴承
2:
尺寸系列:轻窄 02 系列
09:
内径:45 mm
C:
接触角 15°
公称型号 | ||
塑料型 | P7209C | |
主要尺寸(mm) | ||
内径 | d | 45 |
外径 | D | 85 |
厚度 | B | 19 |
r(min) | 1.1 | |
r1(min) | 0.6 | |
接触角 | ||
α(度) | 15° | |
额定载荷(KN) | ||
基本额定动载荷 | Cr | |
基本额定静载荷 | Cor | |
系数 | ||
f0 | 14.2 | |
限制速度(rpm) | ||
脂润滑 | ||
油润滑 | ||
载荷中心(mm) | ||
a(单列) | 18.2 | |
安装尺寸(mm) | ||
da(min) | 52 | |
Da(max) | 78 | |
ra(max) | 1 | |
db(min) | 50 | |
Db(max) | 80 | |
rb(max) | 0.6 | |
材质 | Plastic | |
重量(kg) | ||
单列 | 0.0754 |

商品 | 品牌 | 主要尺寸 | 发货仓 | 产地 | 库存 | 含税单价 | VIP价 | 操作 |