产品分类

P7003C轴承
类型:【角接触球轴承 - 角接触球轴承】
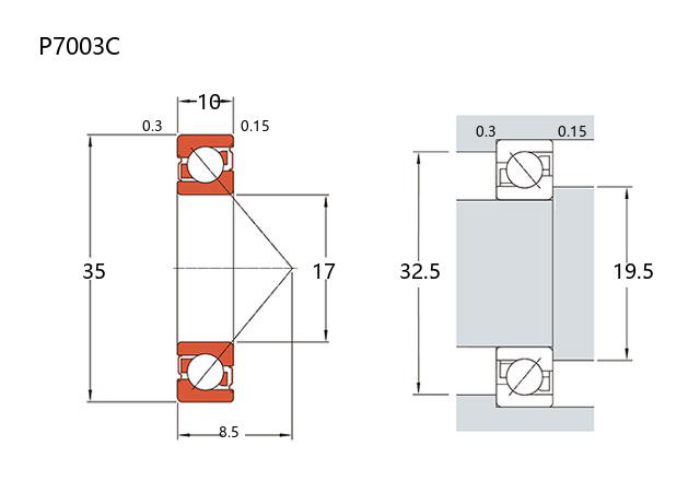
基本尺寸:内径:17 mm,外径:35 mm,厚度:10 mm。
价格区间:¥0 - ¥0【详情】
前缀列表:【P:工程塑料材质】后缀列表:【C:接触角 15°】
P7003C型轴承属于角接触球轴承中的P7000塑料型系列。该系列轴承的内圈通常采用金属材料以保证必要的结构强度和旋转精度,而外圈则选用了高性能工程塑料。这种材料组合使其在特定应用场景中展现出独特优势。
其主要基本尺寸为内径17毫米、外径35毫米、厚度10毫米,属于尺寸较为紧凑的轴承类型。工程塑料外圈赋予了该轴承若干特性,例如在具有腐蚀性的介质或潮湿环境中,它能表现出优于全金属轴承的抗腐蚀能力。同时,塑料材质具有一定的自润滑性,可在一些润滑条件受限或要求洁净的场合中考虑使用。此外,它与配合件之间的摩擦系数可能较低,或在运行时产生的噪音较小。
基于以上特点,P7003C轴承常见于一些对重量、耐腐蚀性或低噪音有要求的轻至中等载荷的旋转部位。例如,可能在小型水泵、办公设备或某些仪器的传动结构中见到其应用。需要注意的是,其负载能力和工作温度范围通常会受到工程塑料性能的限制,因此在选型时需结合具体的工况条件进行综合评估。
P
7
0
0
3
C
P:工程塑料材质
7:角接触球轴承
0:尺寸系列:超轻 10 系列
03:内径:17 mm
C:接触角 15°
P:
工程塑料材质
7:
角接触球轴承
0:
尺寸系列:超轻 10 系列
03:
内径:17 mm
C:
接触角 15°
公称型号 | ||
塑料型 | P7003C | |
主要尺寸(mm) | ||
内径 | d | 17 |
外径 | D | 35 |
厚度 | B | 10 |
r(min) | 0.3 | |
r1(min) | 0.15 | |
接触角 | ||
α(度) | 15° | |
额定载荷(KN) | ||
基本额定动载荷 | Cr | |
基本额定静载荷 | Cor | |
系数 | ||
f0 | 14.5 | |
限制速度(rpm) | ||
脂润滑 | ||
油润滑 | ||
载荷中心(mm) | ||
a(单列) | 8.5 | |
安装尺寸(mm) | ||
da(min) | 19.5 | |
Da(max) | 32.5 | |
ra(max) | 0.3 | |
db(min) | 18.2 | |
Db(max) | 33.8 | |
rb(max) | 0.15 | |
材质 | Plastic | |
重量(kg) | ||
单列 | 0.0074 |

商品 | 品牌 | 主要尺寸 | 发货仓 | 产地 | 库存 | 含税单价 | VIP价 | 操作 |