产品分类

P7003AC轴承
类型:【角接触球轴承 - 角接触球轴承】
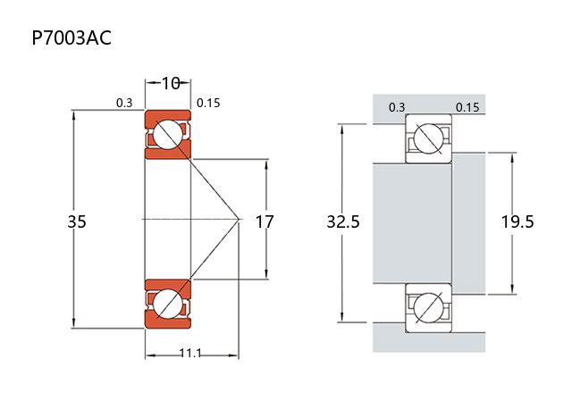
基本尺寸:内径:17 mm,外径:35 mm,厚度:10 mm。
价格区间:¥0 - ¥0【详情】
前缀列表:【P:工程塑料材质】后缀列表:【AC:25° 接触角】
P7003AC型轴承属于角接触球轴承类别中的P7000系列塑料型设计。该轴承的内径为17毫米,外径为35毫米,厚度为10毫米。其结构特点在于采用了工程塑料材质的外圈或保持架,这种设计有助于减轻整体重量并具备一定的耐腐蚀性。
角接触球轴承能够同时承受径向和轴向联合载荷,接触角的设计使其更适合应对单向的轴向负荷。P7003AC型号通常应用于一些对重量、噪音或腐蚀环境有特定要求的场合。例如,它可能出现在小型精密仪器、低载荷传动结构或某些特定的工业装置中。
选择此类轴承时,需要综合考虑其载荷能力、运行速度以及工作环境等因素。工程塑料部件的使用在某些条件下能带来优势,但也需注意其耐温性和极限载荷可能与传统金属轴承存在差异。在实际应用中,确保安装准确并配合适宜的润滑条件,有助于发挥其性能并延长使用寿命。
P
7
0
0
3
A
C
P:工程塑料材质
7:角接触球轴承
0:尺寸系列:超轻 10 系列
03:内径:17 mm
AC:25° 接触角
P:
工程塑料材质
7:
角接触球轴承
0:
尺寸系列:超轻 10 系列
03:
内径:17 mm
AC:
25° 接触角
公称型号 | ||
塑料型 | P7003AC | |
主要尺寸(mm) | ||
内径 | d | 17 |
外径 | D | 35 |
厚度 | B | 10 |
r(min) | 0.3 | |
r1(min) | 0.15 | |
接触角 | ||
α(度) | 25° | |
额定载荷(KN) | ||
基本额定动载荷 | Cr | |
基本额定静载荷 | Cor | |
系数 | ||
f0 | — | |
限制速度(rpm) | ||
脂润滑 | ||
油润滑 | ||
载荷中心(mm) | ||
a(单列) | 11.1 | |
安装尺寸(mm) | ||
da(min) | 19.5 | |
Da(max) | 32.5 | |
ra(max) | 0.3 | |
db(min) | 18.2 | |
Db(max) | 33.8 | |
rb(max) | 0.15 | |
材质 | Plastic | |
重量(kg) | ||
单列 | 0.0074 |

商品 | 品牌 | 主要尺寸 | 发货仓 | 产地 | 库存 | 含税单价 | VIP价 | 操作 |