产品分类

SS727AC轴承
类型:【角接触球轴承 - 角接触球轴承】
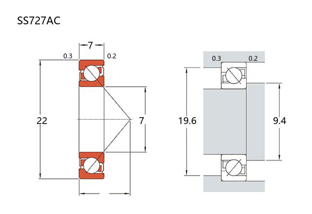
基本尺寸:内径:7 mm,外径:22 mm,厚度:7 mm。
价格区间:¥0 - ¥0【详情】
前缀列表:【SS:不锈钢轴承】后缀列表:【AC:25° 接触角】
SS727AC轴承属于SS7000系列不锈钢角接触球轴承,其内径为7毫米,外径为22毫米,厚度为7毫米。该系列轴承采用奥氏体不锈钢材质,具备一定的耐腐蚀性能,适用于对防锈有要求的场合。
作为角接触球轴承的一种,SS727AC可以同时承受径向和轴向的联合载荷。其接触角的设计使其在承受单向轴向负荷时表现出较好的刚性。相比于深沟球轴承,这类轴承通常适用于对轴向导轨精度和运行平稳性有一定要求的场景,例如一些小型精密仪器、医疗设备或低速运转的传动结构中。
在安装和使用过程中,建议注意角接触球轴承通常需要成对安装并进行适当的预紧调整,以达到理想的运行状态和寿命。由于材料特性,其极限转速和负荷能力可能与同尺寸的铬钢轴承存在差异,选型时需结合具体工况进行综合评估。
该型号轴承适用于中低速、轻载且环境存在一定腐蚀性或需要避免润滑污染的应用,但实际性能表现会受到配合精度、润滑条件及工作环境等多种因素的影响。
S
S
7
2
7
A
C
SS:不锈钢轴承
7:角接触球轴承
2:尺寸系列:轻窄 02 系列
7:内径代号,内径:7 mm
AC:25° 接触角
SS:
不锈钢轴承
7:
角接触球轴承
2:
尺寸系列:轻窄 02 系列
7:
内径代号,内径:7 mm
AC:
25° 接触角
公称型号 | ||
不锈钢型 | SS727AC | |
主要尺寸(mm) | ||
内径 | d | 7 |
外径 | D | 22 |
厚度 | B | 7 |
r(min) | 0.3 | |
r1(min) | 0.2 | |
接触角 | ||
α(度) | 25° | |
额定载荷(KN) | ||
基本额定动载荷 | Cr | 2.91 |
基本额定静载荷 | Cor | 1.12 |
系数 | ||
f0 | – | |
限制速度(rpm) | ||
脂润滑 | 70000 | |
油润滑 | 110000 | |
载荷中心(mm) | ||
a(单列) | ||
安装尺寸(mm) | ||
da(min) | 9.4 | |
Da(max) | 19.6 | |
ra(max) | 0.3 | |
db(min) | ||
Db(max) | 20.2 | |
rb(max) | 0.2 | |
材质 | ||
套圈 | 440C | |
滚动体 | 420 | |
保持架 | 304 | |
重量(kg) | ||
单列 | 0.013 |

商品 | 品牌 | 主要尺寸 | 发货仓 | 产地 | 库存 | 含税单价 | VIP价 | 操作 |