产品分类

SS7007AC轴承
类型:【角接触球轴承 - 角接触球轴承】
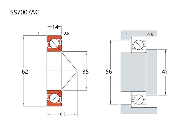
基本尺寸:内径:35 mm,外径:62 mm,厚度:14 mm。
价格区间:¥0 - ¥0【详情】
前缀列表:【SS:不锈钢轴承】后缀列表:【AC:25° 接触角】
SS7007AC属于不锈钢材质的角接触球轴承,基本尺寸为内径35毫米、外径62毫米、厚度14毫米。该型号采用接触角设计,可同时承受径向和轴向联合负荷,尤其适用于轴向负荷较高的工况。
轴承的套圈和滚动体采用不锈钢材料制造,具备一定的防锈与耐腐蚀性能,可在一般腐蚀环境下工作。其结构设计有助于提升运行平稳性,并降低摩擦发热。这类轴承通常应用于中等转速、需一定耐腐蚀性的场合,例如医疗设备、小型精密仪器或食品工业中的传动部位。
由于材质特性,该轴承在潮湿或存在弱腐蚀介质的环境下相较于普通钢制轴承具有更长的使用寿命。在安装时需注意角接触轴承的配对方式与预紧力调整,以保证其性能发挥。选型时应结合实际负荷、转速及环境条件进行综合评估。
S
S
7
0
0
7
A
C
SS:不锈钢轴承
7:角接触球轴承
0:尺寸系列:超轻 10 系列
07:内径:35 mm
AC:25° 接触角
SS:
不锈钢轴承
7:
角接触球轴承
0:
尺寸系列:超轻 10 系列
07:
内径:35 mm
AC:
25° 接触角
公称型号 | ||
不锈钢型 | SS7007AC | |
主要尺寸(mm) | ||
内径 | d | 35 |
外径 | D | 62 |
厚度 | B | 14 |
r(min) | 1 | |
r1(min) | 0.6 | |
接触角 | ||
α(度) | 25° | |
额定载荷(KN) | ||
基本额定动载荷 | Cr | 18.3 |
基本额定静载荷 | Cor | 13.4 |
系数 | ||
f0 | — | |
限制速度(rpm) | ||
脂润滑 | 9000 | |
油润滑 | 13000 | |
载荷中心(mm) | ||
a(单列) | 18.3 | |
安装尺寸(mm) | ||
da(min) | 41 | |
Da(max) | 56 | |
ra(max) | 1 | |
db(min) | 40 | |
Db(max) | 57 | |
rb(max) | 0.6 | |
材质 | ||
套圈 | 440C | |
滚动体 | 420 | |
保持架 | 304 | |
重量(kg) | ||
单列 | 0.15 |

商品 | 品牌 | 主要尺寸 | 发货仓 | 产地 | 库存 | 含税单价 | VIP价 | 操作 |