产品分类

7310B-2Z轴承
类型:【角接触球轴承 - 角接触球轴承】
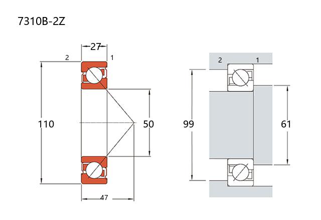
基本尺寸:内径:50 mm,外径:110 mm,厚度:27 mm。
价格区间:¥444.53 - ¥1203.93【详情】
后缀列表:【B:40° 接触角】【-2Z:两侧间隙式金属防尘盖】
7310B-2Z 是一款常见的角接触球轴承,属于 7000 密封型系列。其基本尺寸为内径 50 毫米、外径 110 毫米、厚度 27 毫米,采用常见的公制规格。
该轴承的设计特点是接触角的存在,使其能够同时承受径向载荷和一定的单向轴向载荷。型号中的“B”通常表示接触角为40度,具有相对较高的轴向承载能力;“2Z”则表示轴承两侧带有防尘盖(ZZ密封),有助于在结构内部保留润滑脂并阻挡外部污染物,适用于对防尘有一定要求但无需完全密封的工况。
由于其结构特性,7310B-2Z 轴承常应用于中等转速、需要承受联合载荷的旋转部位,例如一些传动轴、齿轮箱、电机或普通工业泵等场合。选用时需注意其角接触特性通常需要成对安装或与其他轴承配合以平衡轴向力。轴承的精度等级属于普通级,能够满足多数通用机械的运转需求。
在实际应用中,建议结合具体负载、转速及环境条件进行综合评估,以确保其性能与设备寿命达到预期。
7
3
1
0
B
-
2
Z
7:角接触球轴承
3:尺寸系列:中窄 03 系列
10:内径:50 mm
B:40° 接触角
-2Z:两侧间隙式金属防尘盖
7:
角接触球轴承
3:
尺寸系列:中窄 03 系列
10:
内径:50 mm
B:
40° 接触角
-2Z:
两侧间隙式金属防尘盖
公称型号 | ||
单列密封型 | 7310B-2Z | |
主要尺寸(mm) | ||
内径 | d | 50 |
外径 | D | 110 |
厚度 | B | 27 |
r(min) | 2 | |
r1(min) | 1 | |
额定载荷(KN) | ||
基本额定动载荷 | Cr | 80 |
基本额定静载荷 | Cor | 50 |
疲劳极限 | ||
径向 | Cur(KN) | 3.5 |
转速(rpm) | ||
极限 | 4200 | |
参考 | – | |
载荷中心(mm) | ||
a(单列) | 47 | |
尺寸(mm) | ||
d1 | – | |
d2 | 73.8 | |
D1 | – | |
D2 | 91.6 | |
D3 | 101 | |
安装尺寸(mm) | ||
da(min) | 61 | |
Da(max) | 99 | |
Db(max) | 104 | |
ra(max) | 2 | |
rb(max) | 1 | |
接触角 | ||
α(°) | 40° | |
密封 | 2Z | |
重量(kg) | ||
单列 | 1.2 |

商品 | 品牌 | 主要尺寸 | 发货仓 | 产地 | 库存 | 含税单价 | VIP价 | 操作 |
SKF 7310 BE-2RZP轴承 角接触球轴承 |
SKF | 50 X 110 X 27 | 华东 | 进口 | 88 | 551.22 | ¥444.53 | |
SKF 7310 BECB-2RZP轴承 角接触球轴承 |
SKF | 50 X 110 X 27 | 华东 | 澳大利亚 | 8 | 1203.93 | ¥926.1 | |