产品分类

7308B-2Z轴承
类型:【角接触球轴承 - 角接触球轴承】
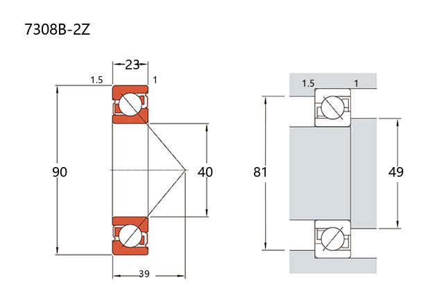
基本尺寸:内径:40 mm,外径:90 mm,厚度:23 mm。
价格区间:¥0 - ¥0【详情】
后缀列表:【B:40° 接触角】【-2Z:两侧间隙式金属防尘盖】
7308B-2Z轴承属于角接触球轴承系列中的7000密封型,其设计适用于承受径向和轴向联合载荷。该轴承内径为40毫米,外径为90毫米,厚度为23毫米,结构紧凑,安装空间相对节省。
轴承型号中的“B”通常表示接触角参数,可承受一定的单向轴向负荷;“2Z”代表轴承两侧带有防尘盖,有助于在一般工况下防止污染物进入,减少润滑脂流失,延长使用寿命。这种密封结构使其适用于对防尘有一定要求但不需要完全密封的中低速场合。
在应用方面,7308B-2Z常见于中小型电机、泵类、传动轴或一些通用机械中,能够支持中等转速和负荷的运行条件。轴承采用脂润滑方式,安装时需注意方向,以保证轴向载荷的正确传递。其整体设计有助于提升设备运转的平稳性。
选用时应结合实际的载荷、转速及环境条件进行综合评估,确保其性能与工况匹配。
7
3
0
8
B
-
2
Z
7:角接触球轴承
3:尺寸系列:中窄 03 系列
08:内径:40 mm
B:40° 接触角
-2Z:两侧间隙式金属防尘盖
7:
角接触球轴承
3:
尺寸系列:中窄 03 系列
08:
内径:40 mm
B:
40° 接触角
-2Z:
两侧间隙式金属防尘盖
公称型号 | ||
单列密封型 | 7308B-2Z | |
主要尺寸(mm) | ||
内径 | d | 40 |
外径 | D | 90 |
厚度 | B | 23 |
r(min) | 1.5 | |
r1(min) | 1 | |
额定载荷(KN) | ||
基本额定动载荷 | Cr | 53 |
基本额定静载荷 | Cor | 34.5 |
疲劳极限 | ||
径向 | Cur(KN) | 2.32 |
转速(rpm) | ||
极限 | 4500 | |
参考 | – | |
载荷中心(mm) | ||
a(单列) | 39 | |
尺寸(mm) | ||
d1 | – | |
d2 | 55.6 | |
D1 | – | |
D2 | 73.9 | |
D3 | 83.3 | |
安装尺寸(mm) | ||
da(min) | 49 | |
Da(max) | 81 | |
Db(max) | 84.4 | |
ra(max) | 1.5 | |
rb(max) | 1 | |
接触角 | ||
α(°) | 40° | |
密封 | 2Z | |
重量(kg) | ||
单列 | 0.61 |

商品 | 品牌 | 主要尺寸 | 发货仓 | 产地 | 库存 | 含税单价 | VIP价 | 操作 |