产品分类

7306B-2Z轴承
类型:【角接触球轴承 - 角接触球轴承】
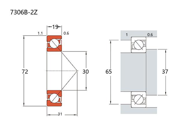
基本尺寸:内径:30 mm,外径:72 mm,厚度:19 mm。
价格区间:¥0 - ¥0【详情】
后缀列表:【B:40° 接触角】【-2Z:两侧间隙式金属防尘盖】
7306B-2Z是一款常见的角接触球轴承,其结构特点为可同时承受径向载荷和单向轴向载荷。该轴承内径为30毫米,外径为72毫米,厚度为19毫米,尺寸规格符合通用标准。型号中的“B”通常表示接触角为40度,这种设计提供了较大的轴向承载能力。“2Z”后缀代表轴承两侧带有防尘盖(ZZ型密封),能有效防止污染物进入并保留内部润滑脂,适用于对防尘有一定要求的工作环境。
该轴承属于7000密封型系列,多用于中等转速的旋转应用。其结构紧凑,刚性较好,常见于电机、泵类、传动装置及小型机床主轴等设备中。在安装时需注意角接触球轴承通常需成对使用,以平衡轴向力并提高运行稳定性。采用防尘盖设计可在一定程度上降低维护需求,延长润滑脂的使用周期,但工作温度与转速应控制在合理范围内。选用时需结合具体的载荷条件、转速要求及安装空间进行综合考量。
7
3
0
6
B
-
2
Z
7:角接触球轴承
3:尺寸系列:中窄 03 系列
06:内径:30 mm
B:40° 接触角
-2Z:两侧间隙式金属防尘盖
7:
角接触球轴承
3:
尺寸系列:中窄 03 系列
06:
内径:30 mm
B:
40° 接触角
-2Z:
两侧间隙式金属防尘盖
公称型号 | ||
单列密封型 | 7306B-2Z | |
主要尺寸(mm) | ||
内径 | d | 30 |
外径 | D | 72 |
厚度 | B | 19 |
r(min) | 1.1 | |
r1(min) | 0.6 | |
额定载荷(KN) | ||
基本额定动载荷 | Cr | 35.5 |
基本额定静载荷 | Cor | 22.1 |
疲劳极限 | ||
径向 | Cur(KN) | 1.49 |
转速(rpm) | ||
极限 | 6000 | |
参考 | – | |
载荷中心(mm) | ||
a(单列) | 31 | |
尺寸(mm) | ||
d1 | – | |
d2 | 42.8 | |
D1 | – | |
D2 | 58.6 | |
D3 | 65.9 | |
安装尺寸(mm) | ||
da(min) | 37 | |
Da(max) | 65 | |
Db(max) | 67.8 | |
ra(max) | 1 | |
rb(max) | 0.6 | |
接触角 | ||
α(°) | 40° | |
密封 | 2Z | |
重量(kg) | ||
单列 | 0.341 |

商品 | 品牌 | 主要尺寸 | 发货仓 | 产地 | 库存 | 含税单价 | VIP价 | 操作 |