产品分类

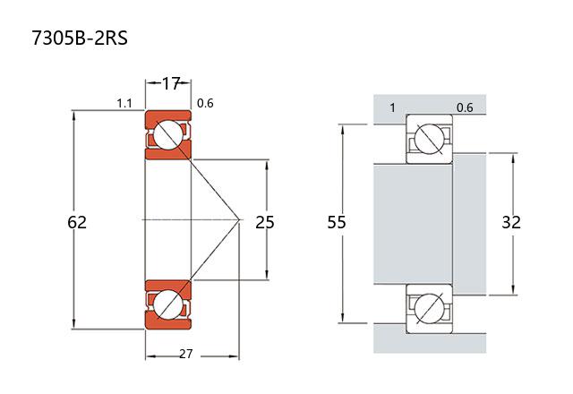
7305B-2RS轴承
类型:【角接触球轴承 - 角接触球轴承】
基本尺寸:内径:25 mm,外径:62 mm,厚度:17 mm。
价格区间:¥164.64 - ¥1370.73【详情】
后缀列表:【B:40° 接触角】【-2RS:双面带径向接触唇式橡胶密封圈】
7305B-2RS 是一款角接触球轴承,其内径为25毫米,外径为62毫米,厚度为17毫米。该轴承属于7000系列中的密封型设计,通常被归类为通用精度等级产品。
在设计上,“B”后缀常表示接触角参数,使其能够同时承受径向和轴向联合载荷,尤其适用于存在轴向负荷的工况。“2RS”则表示轴承两侧带有接触式密封圈,能有效防止内部润滑脂泄漏并阻挡外部污染物侵入,有助于在粉尘或潮湿等相对复杂的环境中维持润滑状态,提升使用寿命。
此类轴承的结构特点使其在中等转速条件下表现出良好的运行稳定性。相较于开式轴承,其预填注的润滑脂和密封设计可减少维护需求,适合应用于对安装空间和运行可靠性有一定要求的场合,例如小型电机、泵、传动系统或一些通用机械中。需要注意的是,实际应用中的性能表现会受到安装配合、工作载荷、转速及环境条件等多方面因素的综合影响。
7
3
0
5
B
-
2
R
S
7:角接触球轴承
3:尺寸系列:中窄 03 系列
05:内径:25 mm
B:40° 接触角
-2RS:双面带径向接触唇式橡胶密封圈
7:
角接触球轴承
3:
尺寸系列:中窄 03 系列
05:
内径:25 mm
B:
40° 接触角
-2RS:
双面带径向接触唇式橡胶密封圈
公称型号 | ||
单列密封型 | 7305B-2RS | |
主要尺寸(mm) | ||
内径 | d | 25 |
外径 | D | 62 |
厚度 | B | 17 |
r(min) | 1.1 | |
r1(min) | 0.6 | |
额定载荷(KN) | ||
基本额定动载荷 | Cr | 28 |
基本额定静载荷 | Cor | 15.8 |
疲劳极限 | ||
径向 | Cur(KN) | 1.07 |
转速(rpm) | ||
极限 | 7000 | |
参考 | – | |
载荷中心(mm) | ||
a(单列) | 27 | |
尺寸(mm) | ||
d1 | – | |
d2 | 35.8 | |
D1 | – | |
D2 | 50.4 | |
D3 | 57.1 | |
安装尺寸(mm) | ||
da(min) | 32 | |
Da(max) | 55 | |
Db(max) | 57.8 | |
ra(max) | 1 | |
rb(max) | 0.6 | |
接触角 | ||
α(°) | 40° | |
密封 | 2RS | |
重量(kg) | ||
单列 | 0.231 |

商品 | 品牌 | 主要尺寸 | 发货仓 | 产地 | 库存 | 含税单价 | VIP价 | 操作 |
SKF 7305 BE-2RZP轴承 角接触球轴承 |
SKF | 25 X 62 X 17 | 华东 | 进口上海仓 | 194 | 258.01 | ¥204.77 | |
FAG 7305B.2RSD.TVP.L100轴承 单列角接触球轴承 |
FAG | 25 X 62 X 17 | 海外 | 401 | 1370.73 | ¥1062.58 | ||
SKF 7305 BE-2RZP/GWF轴承 角接触球轴承 |
SKF | 25 X 62 X 17 | 华东 | 进口产地 | 145 | 318.58 | ¥246.96 | |
SKF 7305 BE-2RZP/GWK轴承 角接触球轴承 |
SKF | 25 X 62 X 17 | 华东 | 澳大利亚 | 13 | 435.79 | ¥396.17 | |
SKF 7305 BEGA-2RZP轴承 角接触球轴承 |
SKF | 25 X 62 X 17 | 华东 | 澳大利亚 | 11 | 303.56 | ¥257.25 | |
篇幅有限,仅显示五条,更多可点击:搜索,或者:深度搜索 |