产品分类

7301B-2Z轴承
类型:【角接触球轴承 - 角接触球轴承】
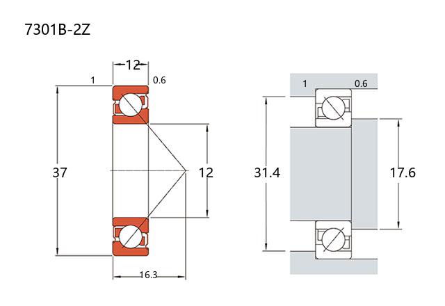
基本尺寸:内径:12 mm,外径:37 mm,厚度:12 mm。
价格区间:¥267.53 - ¥345.74【详情】
后缀列表:【B:40° 接触角】【-2Z:两侧间隙式金属防尘盖】
7301B-2Z 是一种小型角接触球轴承,其基本尺寸为内径 12mm、外径 37mm、厚度 12mm。该轴承属于 7000 密封型系列,采用两面带防尘盖(2Z)的设计,有助于在运转过程中减少润滑脂泄漏并阻挡外部污染物侵入,适用于对防尘有一定要求的工作环境。
在结构上,该轴承的接触角设计使其能够承受径向与轴向联合载荷,或单向的轴向负荷,通常建议在需要一定刚性及转速支持的应用场景中使用,例如小型电机主轴、仪器仪表或低载荷传动部位。由于带有密封结构,其在安装前已填入适量润滑脂,可在一定周期内免于补充润滑,简化了维护流程。
需要注意的是,轴承的实际性能受工况条件、安装方式及润滑状态等多种因素影响,选用时需结合具体负荷、转速及环境要求进行综合评估。此类轴承多应用于通用工业领域,能满足许多中等载荷及转速条件下的使用需求。
7
3
0
1
B
-
2
Z
7:角接触球轴承
3:尺寸系列:中窄 03 系列
01:内径:12 mm
B:40° 接触角
-2Z:两侧间隙式金属防尘盖
7:
角接触球轴承
3:
尺寸系列:中窄 03 系列
01:
内径:12 mm
B:
40° 接触角
-2Z:
两侧间隙式金属防尘盖
公称型号 | ||
单列密封型 | 7301B-2Z | |
主要尺寸(mm) | ||
内径 | d | 12 |
外径 | D | 37 |
厚度 | B | 12 |
r(min) | 1 | |
r1(min) | 0.6 | |
额定载荷(KN) | ||
基本额定动载荷 | Cr | 9.45 |
基本额定静载荷 | Cor | 4.5 |
疲劳极限 | ||
径向 | Cur(KN) | 0.365 |
转速(rpm) | ||
极限 | 16300 | |
参考 | – | |
载荷中心(mm) | ||
a(单列) | 16.3 | |
尺寸(mm) | ||
d1 | – | |
d2 | 22.3 | |
D1 | – | |
D2 | 29.5 | |
D3 | 33.5 | |
安装尺寸(mm) | ||
da(min) | 17.6 | |
Da(max) | 31.4 | |
Db(max) | 32.8 | |
ra(max) | 1 | |
rb(max) | 0.6 | |
接触角 | ||
α(°) | 40° | |
密封 | 2Z | |
重量(kg) | ||
单列 | 0.06 |

商品 | 品牌 | 主要尺寸 | 发货仓 | 产地 | 库存 | 含税单价 | VIP价 | 操作 |
SKF 7301 BE-2RZP轴承 角接触球轴承 |
SKF | 12 X 37 X 12 | 华东 | 进口 | 50 | 296.96 | ¥267.53 | |
SKF 7301 BEGA-2RZP轴承 角接触球轴承 |
SKF | 12 X 37 X 12 | 华东 | 澳大利亚 | 33 | 345.74 | ¥308.7 | |