产品分类

7206B-2Z轴承
类型:【角接触球轴承 - 角接触球轴承】
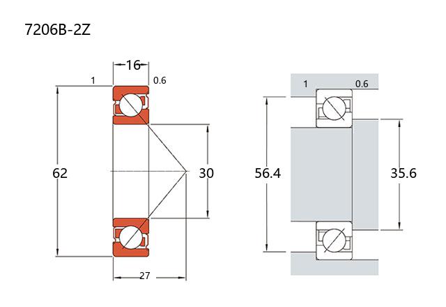
基本尺寸:内径:30 mm,外径:62 mm,厚度:16 mm。
价格区间:¥0 - ¥0【详情】
后缀列表:【B:40° 接触角】【-2Z:两侧间隙式金属防尘盖】
7206B-2Z 是一款角接触球轴承,属于 7000 密封型系列。其基本尺寸为内径 30 毫米、外径 62 毫米、厚度 16 毫米。该轴承采用接触角设计,能够同时承受径向载荷和单向的轴向载荷,适合应用于存在联合载荷的工况。
轴承型号中的 “B” 表示接触角为 40 度,相比标准接触角具有更高的轴向承载能力。“2Z” 代表轴承两侧带有防尘盖(非接触式密封结构),可在一定程度上防止污染物进入,并有助于润滑剂的保留,适用于对防尘有一定要求但转速不太高的场合。
该轴承结构紧凑,常用于中小型机电设备、汽车部件、泵类、传动系统等需要一定轴向定位精度的旋转部位。其普通级精度适用于多数工业应用场景。在安装时需注意角接触球轴承通常需成对使用并以一定预紧力配置,以更好地控制轴向游隙并提高支承刚性。
选用时需结合实际的载荷条件、转速范围及环境要求进行综合评估。
7
2
0
6
B
-
2
Z
7:角接触球轴承
2:尺寸系列:轻窄 02 系列
06:内径:30 mm
B:40° 接触角
-2Z:两侧间隙式金属防尘盖
7:
角接触球轴承
2:
尺寸系列:轻窄 02 系列
06:
内径:30 mm
B:
40° 接触角
-2Z:
两侧间隙式金属防尘盖
公称型号 | ||
单列密封型 | 7206B-2Z | |
主要尺寸(mm) | ||
内径 | d | 30 |
外径 | D | 62 |
厚度 | B | 16 |
r(min) | 1 | |
r1(min) | 0.6 | |
额定载荷(KN) | ||
基本额定动载荷 | Cr | 21.7 |
基本额定静载荷 | Cor | 14.1 |
疲劳极限 | ||
径向 | Cur(KN) | 0.95 |
转速(rpm) | ||
极限 | 6300 | |
参考 | – | |
载荷中心(mm) | ||
a(单列) | 27 | |
尺寸(mm) | ||
d1 | – | |
d2 | 39.8 | |
D1 | – | |
D2 | 51.9 | |
D3 | 57 | |
安装尺寸(mm) | ||
da(min) | 35.6 | |
Da(max) | 56.4 | |
Db(max) | 57.8 | |
ra(max) | 1 | |
rb(max) | 0.6 | |
接触角 | ||
α(°) | 40° | |
密封 | 2Z | |
重量(kg) | ||
单列 | 0.203 |

商品 | 品牌 | 主要尺寸 | 发货仓 | 产地 | 库存 | 含税单价 | VIP价 | 操作 |