产品分类

7205B-2Z轴承
类型:【角接触球轴承 - 角接触球轴承】
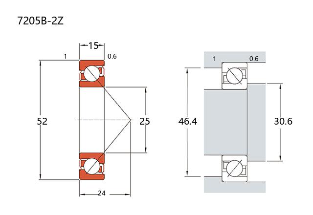
基本尺寸:内径:25 mm,外径:52 mm,厚度:15 mm。
价格区间:¥0 - ¥0【详情】
后缀列表:【B:40° 接触角】【-2Z:两侧间隙式金属防尘盖】
7205B-2Z 是一款角接触球轴承,属于 7000 系列密封型产品。其基本尺寸为内径 25mm、外径 52mm、厚度 15mm,结构设计较为紧凑。
该轴承的接触角设计使其能够同时承受径向载荷和一定的轴向载荷,通常适用于轴向载荷相对较高的工况。型号中的 “B” 可能表示接触角参数,“2Z” 则代表轴承两侧带有防尘盖密封结构。这种密封形式有助于在运转过程中防止外部污染物进入轴承内部,并对内部润滑脂起到一定的保持作用,可在一定程度上延长轴承的使用寿命和维护周期。
在应用方面,7205B-2Z 常见于中等转速、需要一定轴向支承能力的场合,例如一些小型电机、泵类、传动机构或普通工业机械的旋转部位。其密封设计使其对工作环境的清洁度要求相对宽松,适用于不易频繁维护的场景。选用时需结合实际的载荷、转速及安装条件进行综合评估,以确保其性能得到较好发挥。
7
2
0
5
B
-
2
Z
7:角接触球轴承
2:尺寸系列:轻窄 02 系列
05:内径:25 mm
B:40° 接触角
-2Z:两侧间隙式金属防尘盖
7:
角接触球轴承
2:
尺寸系列:轻窄 02 系列
05:
内径:25 mm
B:
40° 接触角
-2Z:
两侧间隙式金属防尘盖
公称型号 | ||
单列密封型 | 7205B-2Z | |
主要尺寸(mm) | ||
内径 | d | 25 |
外径 | D | 52 |
厚度 | B | 15 |
r(min) | 1 | |
r1(min) | 0.6 | |
额定载荷(KN) | ||
基本额定动载荷 | Cr | 15.3 |
基本额定静载荷 | Cor | 9 |
疲劳极限 | ||
径向 | Cur(KN) | 0.6 |
转速(rpm) | ||
极限 | 8000 | |
参考 | – | |
载荷中心(mm) | ||
a(单列) | 24 | |
尺寸(mm) | ||
d1 | – | |
d2 | 31.8 | |
D1 | – | |
D2 | 44.1 | |
D3 | 48 | |
安装尺寸(mm) | ||
da(min) | 30.6 | |
Da(max) | 46.4 | |
Db(max) | 47.8 | |
ra(max) | 1 | |
rb(max) | 0.6 | |
接触角 | ||
α(°) | 40° | |
密封 | 2Z | |
重量(kg) | ||
单列 | 0.127 |

商品 | 品牌 | 主要尺寸 | 发货仓 | 产地 | 库存 | 含税单价 | VIP价 | 操作 |