产品分类

7204B-2RS轴承
类型:【角接触球轴承 - 角接触球轴承】
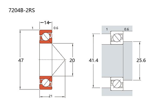
基本尺寸:内径:20 mm,外径:47 mm,厚度:14 mm。
价格区间:¥79.24 - ¥770.38【详情】
后缀列表:【B:40° 接触角】【-2RS:双面带径向接触唇式橡胶密封圈】
7204B-2RS 是一款常用的角接触球轴承,其基本尺寸为内径 20mm、外径 47mm、厚度 14mm。该轴承属于 7000 密封型系列,在结构上采用两面接触式橡胶密封设计,有助于在运行时防止润滑脂泄漏并阻挡外部污染物侵入,适合在多尘或潮湿等条件相对严苛的环境中维持较稳定的工作状态。
轴承型号中的“B”通常表示接触角为 40 度,能够同时承受径向载荷和一定的轴向载荷,尤其适用于存在联合载荷或需要轴向刚性支撑的场合。由于角接触球轴承的结构特点,它常成对安装使用,以更好地分担双向轴向力或提高运行精度。
在应用方面,7204B-2RS 常见于中小型电机、泵类设备、家用电器传动部件以及一般工业传动装置中。其密封结构为用户省去了初次加注润滑与初期维护的步骤,在中等转速及常规温度条件下表现出较好的适用性。选型时仍建议结合具体工况,综合考量载荷、转速及环境条件等因素。
7
2
0
4
B
-
2
R
S
7:角接触球轴承
2:尺寸系列:轻窄 02 系列
04:内径:20 mm
B:40° 接触角
-2RS:双面带径向接触唇式橡胶密封圈
7:
角接触球轴承
2:
尺寸系列:轻窄 02 系列
04:
内径:20 mm
B:
40° 接触角
-2RS:
双面带径向接触唇式橡胶密封圈
公称型号 | ||
单列密封型 | 7204B-2RS | |
主要尺寸(mm) | ||
内径 | d | 20 |
外径 | D | 47 |
厚度 | B | 14 |
r(min) | 1 | |
r1(min) | 0.6 | |
额定载荷(KN) | ||
基本额定动载荷 | Cr | 14 |
基本额定静载荷 | Cor | 7.8 |
疲劳极限 | ||
径向 | Cur(KN) | 0.52 |
转速(rpm) | ||
极限 | 9000 | |
参考 | – | |
载荷中心(mm) | ||
a(单列) | 21 | |
尺寸(mm) | ||
d1 | – | |
d2 | 26.8 | |
D1 | – | |
D2 | 39.1 | |
D3 | 43 | |
安装尺寸(mm) | ||
da(min) | 25.6 | |
Da(max) | 41.4 | |
Db(max) | 42.8 | |
ra(max) | 1 | |
rb(max) | 0.6 | |
接触角 | ||
α(°) | 40° | |
密封 | 2RS | |
重量(kg) | ||
单列 | 0.104 |

商品 | 品牌 | 主要尺寸 | 发货仓 | 产地 | 库存 | 含税单价 | VIP价 | 操作 |
SKF 7204 BE-2RZP轴承 角接触球轴承 |
SKF | 20 X 47 X 14 | 华东 | 进口12 | 116 | 255.19 | ¥205.8 | |
FAG 7204B.2RS.TVP轴承 单列角接触球轴承 |
FAG | 20 X 47 X 14 | 华南 | 149 | 164.75 | ¥128.71 | ||
FAG 7204-B-XL-2RS-TVP#E>1轴承 单列角接触球轴承 |
FAG | 20 X 47 X 14 | 华东 | 29 | 97.91 | ¥86.65 | ||
FAG 7204-B-XL-2RS-TVP轴承 单列角接触球轴承 |
FAG | 20 X 47 X 14 | 华东 | 进口产地 | 2098 | 89.54 | ¥79.24 | |
FAG 7204-B-XL-2RS-TVP-UO轴承 单列角接触球轴承 |
FAG | 20 X 47 X 14 | 海外 | 进口产地 | 4 | 770.38 | ¥641.98 | |
篇幅有限,仅显示五条,更多可点击:搜索,或者:深度搜索 |