产品分类

7202B-2RS轴承
类型:【角接触球轴承 - 角接触球轴承】
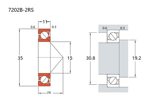
基本尺寸:内径:15 mm,外径:35 mm,厚度:11 mm。
价格区间:¥69.98 - ¥986.85【详情】
后缀列表:【B:40° 接触角】【-2RS:双面带径向接触唇式橡胶密封圈】
7202B-2RS 是一款常见的角接触球轴承,其结构紧凑,基本尺寸为内径 15mm、外径 35mm、厚度 11mm。该轴承属于 7000 密封型系列,设计中采用接触角结构,可同时承受径向负荷和一定的轴向负荷。
轴承型号中的“B”通常表示接触角参数,而“2RS”代表轴承两侧装有橡胶密封圈,有助于在运转过程中防止润滑脂泄漏并阻挡外部污染物进入,从而提升轴承在多种工况下的适用性和使用寿命。这类密封设计使其能在粉尘、潮湿或其他轻微污染环境中保持较为稳定的运行状态。
7202B-2RS 常用于中小型机械装置中,例如小型电机、泵类、家用电器或仪器仪表等对空间有限制且需要一定密封性能的场合。其结构特点使其在支撑轴系时具备较好的刚性,并有助于维持传动精度。
选用时仍需结合实际负荷、转速及安装条件进行综合评估,以确保其满足具体应用需求。
7
2
0
2
B
-
2
R
S
7:角接触球轴承
2:尺寸系列:轻窄 02 系列
02:内径:15 mm
B:40° 接触角
-2RS:双面带径向接触唇式橡胶密封圈
7:
角接触球轴承
2:
尺寸系列:轻窄 02 系列
02:
内径:15 mm
B:
40° 接触角
-2RS:
双面带径向接触唇式橡胶密封圈
公称型号 | ||
单列密封型 | 7202B-2RS | |
主要尺寸(mm) | ||
内径 | d | 15 |
外径 | D | 35 |
厚度 | B | 11 |
r(min) | 0.6 | |
r1(min) | 0.3 | |
额定载荷(KN) | ||
基本额定动载荷 | Cr | 8.4 |
基本额定静载荷 | Cor | 4.45 |
疲劳极限 | ||
径向 | Cur(KN) | 0.3 |
转速(rpm) | ||
极限 | 12000 | |
参考 | – | |
载荷中心(mm) | ||
a(单列) | 16 | |
尺寸(mm) | ||
d1 | – | |
d2 | 19.7 | |
D1 | – | |
D2 | 29.2 | |
D3 | 32.1 | |
安装尺寸(mm) | ||
da(min) | 19.2 | |
Da(max) | 30.8 | |
Db(max) | 32.6 | |
ra(max) | 0.6 | |
rb(max) | 0.3 | |
接触角 | ||
α(°) | 40° | |
密封 | 2RS | |
重量(kg) | ||
单列 | 0.044 |

商品 | 品牌 | 主要尺寸 | 发货仓 | 产地 | 库存 | 含税单价 | VIP价 | 操作 |
HRB 7202C-2RZ3/FVFQ1轴承 角接触球轴承 |
HRB | 15 X 35 X 11 | 华东 | 哈尔滨 | 200 | 111.92 | ¥99.93 | |
SKF 7202 BE-2RZP轴承 角接触球轴承 |
SKF | 15 X 35 X 11 | 华东 | 进口 | 73 | 359.59 | ¥297.18 | |
FAG 7202B.2RS.TVP轴承 单列角接触球轴承 |
FAG | 15 X 35 X 11 | 华东 | 德国 | 2 | 117.31 | ¥102.9 | |
FAG 7202-B-2RS-TVP-UO轴承 单列角接触球轴承 |
FAG | 15 X 35 X 11 | 海外 | 4 | 763.36 | ¥693.96 | ||
FAG 7202-B-XL-2RS-TVP#N1-1轴承 单列角接触球轴承 |
FAG | 15 X 35 X 11 | 华东 | 250 | 86.78 | ¥69.98 | ||
篇幅有限,仅显示五条,更多可点击:搜索,或者:深度搜索 |