产品分类

7200B-2Z轴承
类型:【角接触球轴承 - 角接触球轴承】
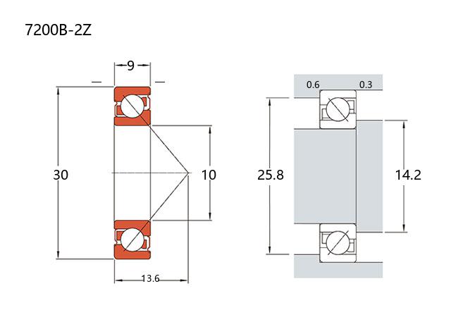
基本尺寸:内径:10 mm,外径:30 mm,厚度:9 mm。
价格区间:¥0 - ¥0【详情】
后缀列表:【B:40° 接触角】【-2Z:两侧间隙式金属防尘盖】
7200B-2Z属于角接触球轴承系列中的7000密封型。该型号轴承的内径为10毫米,外径为30毫米,厚度为9毫米。这种结构使其在有限的空间内能够承受径向和轴向的联合载荷,尤其适用于轴向负荷为主的工况。
轴承后缀“B”表示其接触角为40度,这种较大的接触角设计提供了较高的轴向承载能力。后缀“2Z”则表示轴承两侧带有防尘盖(ZZ密封),能有效防止润滑脂泄漏并阻挡外部污染物侵入,有助于在一般工况下维持润滑状态,延长使用寿命。
此类轴承通常应用于转速较高、需承受单向轴向负荷的场合,例如小型电机、仪表、家用电器等设备的主轴支撑。由于其预润滑和密封特性,在安装和维护方面具有一定的便利性。选择时需结合实际工况,综合考虑载荷、转速及环境条件等因素,以确保其性能得到有效发挥。
7
2
0
0
B
-
2
Z
7:角接触球轴承
2:尺寸系列:轻窄 02 系列
00:内径:10 mm
B:40° 接触角
-2Z:两侧间隙式金属防尘盖
7:
角接触球轴承
2:
尺寸系列:轻窄 02 系列
00:
内径:10 mm
B:
40° 接触角
-2Z:
两侧间隙式金属防尘盖
公称型号 | ||
单列密封型 | 7200B-2Z | |
主要尺寸(mm) | ||
内径 | d | 10 |
外径 | D | 30 |
厚度 | B | 9 |
r(min) | — | |
r1(min) | — | |
额定载荷(KN) | ||
基本额定动载荷 | Cr | 7.7 |
基本额定静载荷 | Cor | 3.68 |
疲劳极限 | ||
径向 | Cur(KN) | — |
转速(rpm) | ||
极限 | 22000 | |
参考 | — | |
载荷中心(mm) | ||
a(单列) | 13.6 | |
尺寸(mm) | ||
d1 | — | |
d2 | — | |
D1 | — | |
D2 | — | |
D3 | — | |
安装尺寸(mm) | ||
da(min) | 14.2 | |
Da(max) | 25.8 | |
Db(max) | 27.6 | |
ra(max) | 0.6 | |
rb(max) | 0.3 | |
接触角 | ||
α(°) | 40° | |
密封 | 2Z | |
重量(kg) | ||
单列 | 0.03 |

商品 | 品牌 | 主要尺寸 | 发货仓 | 产地 | 库存 | 含税单价 | VIP价 | 操作 |