产品分类

BT380-3B轴承
类型:【角接触球轴承 - 角接触球轴承】
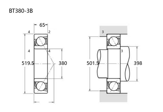
基本尺寸:内径:380 mm,外径:519.5 mm,厚度:65 mm。
价格区间:¥0 - ¥0【详情】
前缀列表:【BT:特殊尺寸 BT 系列】后缀列表:【-3:内部设计优化,代号 3】【B:接触角 40°】
BT380-3B轴承属于角接触球轴承类别,其设计适用于承受联合径向和轴向载荷的工况。该轴承内径为380毫米,外径为519.5毫米,厚度为65毫米,尺寸规格适用于中型至大型机械装备。作为普通精度等级产品,其制造标准涵盖P0、P6或P5级,可满足一般工业应用对运转精度和稳定性的基础需求。
角接触球轴承的结构特点使其具备一定的调心能力,能够适应中等转速和复合载荷环境。该型号常见于工业传动系统、通用机械支撑部位或中型动力设备中,适用于工作温度范围常规、润滑条件稳定的场合。选用时需结合实际工况考虑载荷分布、转速要求及安装方式,以确保性能匹配。轴承的维护需遵循常规工业规范,定期检查润滑状态与磨损情况,有助于延长使用寿命。
B
T
3
8
0
-
3
B
BT:特殊尺寸 BT 系列
380:内径代号,内径:380 mm
-3:内部设计优化,代号 3
B:接触角 40°
BT:
特殊尺寸 BT 系列
380:
内径代号,内径:380 mm
-3:
内部设计优化,代号 3
B:
接触角 40°
公称型号(按保持器区分) | ||
冲压钢 | ||
尼龙 | ||
车削铜 | BT380-3B | |
主要尺寸(mm) | ||
内径 | d | 380 |
外径 | D | 519.5 |
厚度 | B | 65 |
r(min) | 4 | |
r1(min) | 2 | |
接触角 | ||
α(度) | 40° | |
额定载荷(KN) | ||
动载荷 | Cr(单列) | 345 |
基本额定静载荷 | Cor(单列) | 610 |
系数 | ||
f0 | — | |
限制速度(rpm) | ||
脂润滑 | ||
油润滑 | ||
载荷中心(mm) | ||
a(单列) | 221.5 | |
安装尺寸(mm) | ||
da(min) | 398 | |
Da(max) | 501.5 | |
ra(max) | 3 | |
db(min) | ||
Db(max) | ||
rb(max) | 2 | |
重量(kg) | ||
单列 | 41.3 |

商品 | 品牌 | 主要尺寸 | 发货仓 | 产地 | 库存 | 含税单价 | VIP价 | 操作 |